一、企業簡介
國營紅峰機械廠位于湖北省孝感市,是中國三江航天集團的骨干企業。現有職工近1000人,總資產7.9億元,2009年營業收入4.8億元。

通過40年的建設,建立了電子裝聯生產線、環境試驗生產線、精密機械加工生產線和元器件篩選生產線等;具有機械、電子設備的裝配試驗、力學環境試驗和小型零件精密機械加工檢測手段;具備承擔復雜電子產品和中、小型機電一體化產品的研制生產能力。民用產品以生產慣性導航設備、光纖陀螺儀、伺服機構、衛材設備、稅控機等產品為主。建立了完整的質量保證體系,通過了GJB9001A、ISO9000質量體系資格認證。目前承擔著國家多項重點航天型號產品及部分航天載人工程配套產品的研制生產任務,多項配套產品成功應用于“神舟”系列飛船上。
企業曾榮獲“國家科技進步獎”(特等獎2項、一等獎1項)、“全國五一勞動獎狀”、“湖北省五一勞動獎狀”、“湖北省最佳文明單位”和國務院、中央軍委頒發的金獎及20余項省部級以上榮譽稱號。
二、信息化應用總體現狀與發展規劃
1.信息化應用現狀
企業自2000年開始建立內部網絡,實施CIMS工程。目前已建立起由若干臺服務器、圖形工作站及500余臺客戶機組成的內部局域網絡;陸續實施了OA系統、CAD/CAPP/CAM/CAE系統、DNC系統、PDM系統、ERP系統等信息化項目,普遍應用于工程設計、研發、制造、管理等業務,在不同層面提升了工廠的研發手段、制造能力及管理能力,有效促進了航天型號產品的研發能力、信息化應用水平不斷提高。
目前利用信息化手段提升企業綜合競爭力、促進企業可持續發展的思想已深入人心,信息化應用普及程度較高,企業主要業務流程均與信息化系統密不可分,信息化集成度不斷提高,綜合應用效益也在越來越多地得到體現。
2.信息化發展規劃
信息化建設指導思想:按照科學發展觀的要求,根據航天信息化工程的指導思想和原則,圍繞提高企業整體技術水平和綜合制造能力,強調建立綜合創新管理體系,充分利用已初具規模的信息技術應用基礎條件,以“需求牽引、系統規劃、重點突破、綜合集成”為指導思想,通過“系統設計與動態規劃、統籌管理”,“應用并行設計與開發機制建設,敏捷制造技術、快速響應制造管理”等一系列先進制造技術應用,達到“降低成本、縮短交付時間、提高產品設計與制造質量、提高管理水平和管理效率”的目的。
信息化發展思路:通過企業信息化工程,實現工廠內部信息的高速傳遞,知識的高度共享,技術創新和管理創新,提高產品性能,縮短產品研制周期,提高產品研制質量,降低產品研制成本,增強產品的服務保障能力,加強工廠經營管理的手段,使工廠綜合競爭能力獲得大幅提高,鞏固和全面提升工廠在中國航天科工集團乃至在整個軍工行業中的地位。
信息化規劃的總體目標:建立一個體系,推動四個應用,提升三個能力。
建立一個集成基礎體系:建成覆蓋全廠并與集團緊密結合的涉密計算機系統基礎體系;建立工廠內部信息高速傳遞,知識高度共享的信息化集成平臺;完成工廠信息化標準規范建設,形成一個符合國家保密資格認證要求和高可靠性的信息化集成體系。即網絡環境、集成平臺、信息安全、標準規范的建設。
推動四個應用:在產品的設計、生產、試驗、管理的四大領域全面推動信息化技術的應用。設計領域的應用是建立覆蓋產品(系統)全生命周期的數字設計和數字仿真緊密結合的數字化設計系統;生產領域的應用是以產品柔性生產為特點、數字化管理為核心、數控加工設備為手段的基本應用系統;試驗領域的應用是以試驗驗證的數字化管理為核心,各類試驗資源和數據共享的產品試驗信息系統;管理領域的應用是以促進管理機制創新為核心,運用信息化的理念進行工廠核心業務流程的優化,實現管理信息高速傳遞和高度共享的管理應用系統。
提升三個能力:通過信息化工程的實施,提升產品的快速研制能力、快速生產能力和工廠的經營管理能力。
具體建設目標:在中國航天科工集團信息化建設總目標的指導下,圍繞三江集團“十一五”發展規劃中提出的科研、生產、試驗、管理等工作,到2012年末,基本完成信息化基礎環境的再建設,搭建信息資源平臺,能夠支撐未來5年內的業務發展需要;信息技術在關鍵業務領域得到全面應用,技術研究領域所采用的信息化手段覆蓋95%以上的工作內容,生產制造領域所采用的信息化手段覆蓋70%以上的工作內容,試驗驗證領域所采用的信息化手段覆蓋50%以上的工作內容,80%以上的經營管理業務在線處理;安全建設滿足涉密計算機信息系統分級保護要求;圍繞信息化工程的開展和建設,建立健全各類制度、標準和規范;技術和管理人員普遍接受相關信息化培訓,并熟練掌握相關信息化技能,企業信息化應用覆蓋面達95%以上,信息化應用水平大幅提高。
根據企業未來五年信息化工程建設總體目標要求,結合中國三江航天集團信息化發展規劃,紅峰廠信息化工程建設體系架構如下圖所示:

三、參評信息化項目詳細情況介紹
紅峰廠是國有大型軍工企業,建廠40年來為國防事業的發展做出了一定的貢獻,企業近些年來一直保持高速發展。但隨著國際、國內形勢的變化,國家提出軍工企業要走“軍民融合”的道路,企業面臨著計劃與市場的融合,軍工與民用的融合,原有的計劃經濟的管理方式日益成為實現可持續發展的瓶頸,企業迫切需要向科學化、規范化、精細化的管理形態轉變。根據企業信息化規劃和高層管理者的決策,2007年下半年,開始了ERP信息系統的建設,通過招標方式選用了用友公司的ERP(NC版)產品。目標是通過ERP服務于企業核心價值觀、企業使命和企業戰略目標,解決企業現存的核心問題,從根本上改變工廠的管理手段和方式,服務于企業軍民融合式發展。
1.項目背景介紹
隨著企業的持續發展,原有的業務管理手段與工廠的業務發展極不相配,部分管理還處于手工階段,已存在的部分信息系統也是部門級的信息系統,信息孤島現象嚴重存在。結合ERP管理理念和技術的發展,企業高層決定建立基于先進技術的信息管理平臺,重建或整合工廠關鍵業務、關鍵流程應用。從根本上建立融合先進技術,先進現代管理思想的管理系統,達到以下兩個方面目的:
1.1 解決制約工廠發展的現實核心問題
1.1.1 按時完成型號任務和市場訂單,解決影響任務完成的核心問題,包括:
·生產齊套問題。包括:配額物料齊套、機輔料齊套、設計工藝技術文件齊套、質量文件齊套、工裝設備齊套、儀器齊套等;
·從源頭保證生產準備的準確性,實現設計工藝(PDM)與ERP的實時快捷聯接;
·完善生產流程,使計劃(生產計劃、采購計劃、委外計劃)、訂單(生產訂單、采購訂單、委外訂單)、車間作業工序派工處于可見和可控狀態,以方便過程調控和決策。實現生產任務的追溯查詢,以輔助生產調度;
·實現生產任務進度的展望,提高對軍方、客戶的交貨期承諾的準確性;
·細化生產過程管理,為建立完整的成本體系和質量信息采集體系奠定基礎。
1.1.2 按照國軍標的要求進行質量控制和管理,建立基于信息化的質量管理平臺,改善基于質量的KPI指標。
·改善質量相關要素的管理水平,將這些要素對質量的影響降至最低。如:將儀器、量具、專用設備、生產中需要定期計量的工夾具全面納入管理,對周期計量期進行預警等;
·利用信息化實現和完善質量檢驗業務流程,規范質量管理的業務管理;打造質量信息管理平臺,讓質量檢驗相關角色在同一平臺上按權限和流程處理業務,如不良品審理等,讓質檢業務以“事”找人,而不是“人”找事;
·建立全方位的質檢信息數據庫,進行質量數據挖掘,輔助質量決策;
·實現質量追蹤管理和查詢,分析質量薄弱環節,完善質量責任管理;
·計算質量成本;
·為質量體系建設、基于質量改善的活動、質量文化建設提供平臺。
1.1.3 構建全面、精細的,融入不同理論模型的成本管理基礎體系,改善粗放的科研生產成本管理模式。
·將粗放的計算成本模式改善為按產品、車間半成品、班組半成品計算成本,按生產訂單計算成本的精細模式;
·將粗放的成本費用分攤改善為較為精細的按成本動因分攤和基于作業的費用歸集;
·系統支持不同的理論模型,包括:標準成本法、ABC作業成本法等,為企業將來的管理需要做準備;
·建立實際成本信息和標準成本信息數據庫,為輔助報價和成本決策提供依據。
1.1.4 解決工廠人力資源管理的核心問題,包括:
·薪資的科學設計和核算問題;
·建立工廠績效考核管理體系,逐步實現考核管理的信息化。
1.2 建立ERP管理體系,實現工廠管理革命
·建立全新的、集中的、統一的、基于流程和信息驅動的管理工作平臺。目標包括:整合工程設計、工程數據管理系統,使得ERP系統是企業標準化基礎和標準化工作平臺。
·建立ERP系統、建立面向流程的企業模型。
·進行細化設計,使ERP系統成為企業不斷進行流程再造(BPR)的承載平臺,經營流程和經營規則也同時在系統中得到了充分體現。工作流子系統成為ERP的核心結構。
·建立管理業務控制系統,使企業成為一個整體。
·系統必須能夠管理企業的計劃、運作過程,避免因為不同部門之間的不和諧而造成的障礙,理順和優化企業各部門之間相互沖突的目標。
·實現對企業的管理控制。同時,通過管理控制系統可體現和模擬企業的集成特性。消除管理活動及其他實際操作中的不合理環節,避免無效率活動。準確聚焦最優的企業流程。
·改進生產績效。
·通過ERP融入有效的管理方法,如:JIT、TQM、精益生產、人力資源開發以及流程重組(BPR)。ERP為更好地實施這些方法提供了基本的平臺。
·建立全員參與的ERP系統、將工廠管理工作信息化。使得工廠日常管理業務實現在ERP上操作。
2.項目目標與原則
ERP項目建設是在紅峰廠原有信息化單元系統數據積累的基礎上,建立覆蓋全廠范圍的,適應企業業務流程管理、財務管理、供應鏈管理、生產管理、人力資源管理、質量管理等的企業資源管理系統;開發與PDM系統、考勤設備等集成接口,形成閉環的企業資源管理集成框架體系;打造企業門戶,完善辦公自動化(OA)系統,創建企業的綜合業務平臺及企業文化宣傳平臺,實現工廠物流、信息流、資金流三流合一,為企業決策提供支持信息。
最終目標是建立以計劃為龍頭、財務為中心、質量管理和成本控制為重點的適應軍民融合型企業發展的敏捷協同信息系統。
3.項目實施與應用情況詳細介紹
3.1 項目實施和應用情況
工廠部署實施的是一個較為完整的ERP系統,涉及工廠科研生產的方方面面。工廠決策一次性建立完整ERP系統(不是分次建設)是認為完整ERP系統更容易無斷點實現企業整體業務流程,取得更大的管理效益。
ERP是一個一把手工程。工廠將ERP建設項目作為工廠的主要工作計劃進行組織、實施和考核。將ERP計劃分解到各部門,各部門領導親自主抓,有力地保障了項目的建設進度。目前,ERP各分系統都已實施使用。基本建成統一、標準化的基礎數據體系;標準化的流程設計和運行體系;通過ERP業務平臺實現了工廠各部門的整合,使得工廠成為一個整體;通過使用ERP的流程管理平臺,工廠所有管理業務流程得以在ERP中展現,實現了跨部門的流程。同時ERP有力的支持了工廠不斷進行的組織變更。
3.1.1 項目總體

圖1 系統的總體應用框圖
圖2 工廠主要業務流程圖
3.1.2 項目應用模塊簡介
3.1.2.1 計劃
由計劃處負責相關計劃的編制、下達、實時監控、過程追溯、調整和分析。ERP系統為實現以上功能提供平臺。系統為每一個計劃提供計劃、實施、檢查、分析循環。計劃的PDCA循環在生產、供應鏈等系統實現。ERP還提供了計劃預警功能。

3.1.2.2 企業供應鏈
建設上線的供應鏈應用功能結構及數據關系如下圖:

工廠供應鏈涉及業務包括:大宗物資采購、元器件的采購和篩選、科研生產外協等業務、倉儲(6S)管理、齊套備料、庫存規劃、供應商評價和管理等業務。實現了與財務管理的一體化和基于財務的業務追蹤。
(1)基礎數據管理:系統基礎數據包括存貨管理檔案、物料生產檔案、庫存組織、倉庫檔案、部門檔案、人員檔案、客商管理檔案、物料清單等。
(2)定點供應商信息管理:供應商管理信息包括供應商存貨關系、供應商價格信息庫、供應商評估。
(3)有詢價比價過程的采購業務:對于需要詢價比價的采購業務,根據采購請購單生成采購詢價單;系統可以從供應商價格信息庫中選出需求物資的所有供應商及相應價格,在采購員進行詢價后可對采購詢價單進行維護,系統根據采購詢價單自動更新供應商價格信息庫信息;根據采購詢價單選擇物資采購供應商并生成價格審批單,價格審批單報領導審批后可以生成采購訂單。
(4)無詢價比價的采購業務采購業務:對于不需要詢價比價的采購業務,可以直接根據采購請購單生成采購訂單,并從供應商價格信息庫中取出對應的價格信息。
(5)采購到貨:采購物資入廠時可以根據采購訂單生成采購到貨單,由采購到貨單可生成到貨報檢單傳遞到質量模塊。
(6)采購退貨:經檢驗不合格品若要退貨,則根據可以根據檢驗結果生成采購退貨單。
(7)采購入庫:經檢驗合格品可以直接根據檢驗結果生成采購入庫單。
(8)采購結算:收到供應商采購發票并錄入系統后,可以進行采購結算操作,即對采購發票和采購入庫單進行勾對。
(9)倉儲入庫業務:在倉儲管理中入庫業務通過采購入庫單、借入單、借出單、還回單、調撥入庫單、盤盈入庫單等入庫單據錄入入庫數據,系統自動生成相關臺賬、統計表。
(10)倉儲出庫業務:在倉儲管理中出庫業務通過限額領料單、配比出庫單、采購出庫單、借出單、借入還回單、調撥出庫單、盤虧出庫單等單據錄入出庫數據、系統自動生成相關臺賬、統計表。
(11)倉儲特殊業務:針對轉庫、盤點等特殊業務,可通過轉庫單、盤點單進行處理,其中轉庫單可以自動生成調撥入庫單和調撥出庫單,盤點單可以自動生成盤盈入庫單和盤虧出庫單
(12)財務核算:在財務核算系統中可以根據采購發票生成應付憑證;根據采購結算單生成差異結轉憑證;根據采購入庫單生成物資入庫憑證,其中未結算入庫單生成暫估入庫憑證;材料出庫單生成物資出庫憑證;根據盤盈入庫、盤虧出庫生成盤點憑證。
3.1.2.3 生產和車間管理
生產和車間管理是ERP實施的重點和難點,在領導和各部門協同努力下,已基礎實現:
·生產任務訂單的信息化,不再有手工生產任務單;
·結合完整基礎數據,實現了備料計劃的準確生成,既保證了備料的齊套性,又從源頭控制了物料成本;
·實現了MRP計劃規劃,通過系統自動平衡生成采購、外協和生產計劃;
·實現了車間工序計劃生成、工序派工、班次分解、工序首檢、三檢等業務;實現了生產訂單和工序計劃執行的動態展示和追蹤查詢;
·對生產過程中工序的物料消耗、廢損、補料、工時、機時、不良品審理等實現了實時的統計,為工廠建立基礎成本數據體系奠定基礎。
(1)系統功能:下圖為生產制造管理各功能模塊及模塊主要節點示意圖。

(2)需求管理:本模塊屬計劃管理內容,在生產制造中實現需求計劃的分解。
(3)主生產計劃:本模塊屬計劃管理內容,在生產制造中實現主生產計劃的生產訂單分解和計劃、訂單的PDCA循環。
(4)物料需求計劃:本模塊屬計劃管理內容,在生產制造中實現物料需求計劃的生產訂單分解和計劃、訂單的PDCA循環。
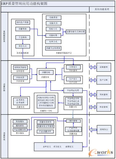
3.1.2.4 質量管理
實現了ERP對質量管理的設計要求,包括:
·建立企業的質量數據中心。通過在供應鏈管理過程中建立系統、完善的質量管理體系,使得供應鏈管理過程更加嚴謹、系統、全面,質量管理成為供應鏈管理體系中一個不可分割的有機組成部分。可適應工廠對原材料、工序、半成品、成品的質量管理要求;
·可對各檢驗項目的詳細的質量指標進行記錄,給出質量結果的處理意見,反饋給各報檢點。如下圖示:

·提供詳細的質量業務指標數據,便于管理層對具體業務的管理;
·可對原材料采購、生產過程、在庫品、退貨品進行質量檢驗,滿足質量主管、采購經理、車間主任、質檢員、發貨員等各級管理者與相關控制人員對質量管理的需求和應用;
·系統設計可擴充的平臺機制,通過派生出應用組件實現靈活定義質量數據的采集點(報檢點),適應企業的質量數據的采集要求;
·搭建了計量器具、儀器儀表、量具等的業務管理平臺。杜絕失效、過期計量器具在生產線上使用。
·系統滿足GJB9001A-2001質量體系要求的質量檢驗方式,包括:首件三檢(自檢、互檢、交檢)、軍檢等。
·建立基于質量管理活動的流程信息平臺,包括:QC小組、質量改進(PDCA)流程、質量體系建設和產品質量評審流程等管理活動。
·建立了企業門戶建立面向全員的質量文化宣傳平臺和質量知識管理平臺。

3.1.2.5 人力資源管理
較為完整的實現了工廠人力資源管理相關內容,包括:
·人事管理:人員的招聘、崗位調動、人事信息和檔案信息數據庫的建立;
·勞動關系管理:勞動合同的管理和勞動關系管理;
·時間管理:包括班次管理、考勤管理(門禁網絡設備接口)、請假、出差、休假等業務;
·薪資管理:包括薪資結構設計和薪資、職工其他福利收入的計算發放;
·其它應用:包括績效考核、培訓管理、組織管理、工時管理。
(1)系統功能:下圖描述了人力資源相關模塊的設計細節及數據關系

(2)模塊關系:圖中概括的描述人力資源與其他分系統(右)的數據示意關系
(3)工時管理:人力資源系統從工程基礎數據中取定額工時,從車間管理中取實際工時。
3.1.2.6 財務管理
財務管理子系統結構及業務流程如下圖:

(1)系統功能:圖中描述了財務管理相關模塊數據關系。體現了財務業務的一體化和物流資金流的統一。
(2)核算規則庫1:利用會計核算規則(AAI)平臺將業務系統的單據按設定的規則庫影射會計業務,實現實時的業務財務統一,實現企業的集成特性。
(3)核算規則庫2:內置成本模型核心算法,完成成本系統從各子系統的數據采集和整理,成本核算結果按照核算規則庫1聯結總帳。
(4)預算控制:預算控制點可在業務系統的業務單據錄入點,如:應收、應付、報帳業務、憑證相關單證錄入點。
(5)追溯:上圖說明了從:財務報告—總帳—明細帳—憑證—業務單據的業務追溯關系。
物流和資金流統一、業務和財務整合一體化是ERP系統區別MRP系統的重要特征。
本系統通過“存貨成本核算模塊”協同“采購管理”“成本管理”等實現物流和資金流統一。
本系統通過“會計平臺(AAI)”實現財務業務的深度整合,從而實現工廠的一體化,并且通過ERP達到模擬企業的集成特性,成為一個管理控制系統,實現以財務為中心的管理目標。如下圖:

(1)存貨成本核算:存貨核算實現存貨成本管理,它是物流資金流統一的核心模塊。存貨核算模塊的輸入:各種入庫(有價)單據、暫估單據和各種出庫(無價)單據;輸出:出庫及結存存貨成本。黑箱:符合財務制度要求的六種存貨成本核算模型。包括:計劃價、全月平均、移動平均、先進先出、后進先出、個別記價。
(2)科研生產成本管理:計算產成品和半成品成本的核心模塊。輸入:存貨核算提供的有金額的材料消耗單據、產成品半成品入庫數量,生產系統提供的工時、完工數量、定額,固定資產系統提供的折舊數據,薪資系統提供的人工費用,財務系統提供的制造費用。輸出:產成品、半成品、在產品成本。黑箱:符合財務制度要求的成本核算模型。包括:標準成本法、分批法產品法、逐步結轉法、作業成本法等。
(3)會計平臺:通過會計平臺實現財務業務一體化。輸入:業務單據,輸出:會計憑證。黑箱:可定制的業務單據--憑證模型。
(4)資金流:采購發票和支付單據;銷售發票和收款單據;費用支付單據;存貨收入、發出、結存成本;產成品、半成品實際成本;折舊數據;薪資福利支付等。
3.1.3 企業基礎數據平臺建立
制約ERP實施的核心問題之一是標準化基礎數據體系的建立,如何實現ERP基礎管理元素(如:物料)的編碼標準化、編碼編制流程化自動化是實現ERP正常運行的基礎之一。通過與武漢開目公司合作開發了工廠編碼中心軟件系統,實現工廠基礎管理元素按集團標準實現請碼、系統自動編碼、審碼、傳碼(傳給ERP系統、PDM/CAPP等系統),從而保證了編碼的唯一性、集成性和規范性。下圖為編碼中心功能結構圖。

制約ERP實施的核心問題的另外一個原因是如何實現設計、工藝系統(CAD/CAPP/PDM)與ERP的深度集成。
在實現統一編碼的前提下,開發接口系統,實現生產BOM和工藝路線(PDM數據)完整有序、實時地轉換為ERP可用的工程基礎數據,是保障ERP計劃、生產、車間、標準成本系統不是從理論上,而是從實際上可用性的前提。PDM/ERP接口系統框圖如下:

編碼中心系統和PDM/ERP接口軟件系統的運行為工廠ERP運行基礎數據的建立奠定基礎。
4.效益分析
通過項目的實施,達到以下目標內容:
建立了符合技術協議要求的ERP系統,包括以下模塊或分系統:計劃管理系統、設計工藝基礎數據(BOM和工藝路線等)系統、物資、外協、篩選供應鏈系統、車間管理系統、質量檢驗系統、計量器具管理系統、人力資源管理系統、財務管理和成本管理系統、OA辦公、企業門戶等。
系統建立在具有先進性可拓展性的技術平臺的基礎上,在平臺上建立工廠管理信息系統賴以支撐的工廠基礎數據體系,包括:物料清單、價格(計劃價、成本價等)體系、定額(材料定額、工時定額等)體系和期量(各種提前期)體系等。協助設計生產管理信息系統和技術系統(CAD/CAPP/PDM)的接口模塊,完成技術系統和管理系統的集成。
ERP項目建設結合工廠實際,實現了從合同、設計、工藝、采購外協、加工裝配、試驗到交付全過程物流(含商務流)、資金流和信息流的貫通,實現基于物流(含商務流)、資金流和信息流的流程設計建設和綜合查詢。
(1)按時完成型號任務和市場訂單,解決影響任務完成的核心問題,包括:
·生產齊套問題。包括:配額物料齊套、機輔料齊套、設計工藝技術文件齊套、質量文件齊套、工裝設備齊套、儀器齊套等;
·從源頭保證生產準備的準確性,實現設計工藝(PDM)與工廠生產管理的實時快捷聯接;
·完善生產流程,使計劃(科研生產計劃、采購計劃)、訂單(生產訂單、采購訂單)、車間作業工序派工處于可見和可控狀態,以方便過程調控和決策。實現生產任務的追溯查詢,以輔助生產調度;
·實現生產任務進度的展望,提高對軍方、客戶的交期承諾的準確性;
·細化生產過程管理,為建立完整的成本體系和質量信息采集體系奠定基礎。
(2)按照國軍標的要求進行質量控制和管理,建立基于信息化的質量管理平臺,改善基于質量的KPI指標。
·改善質量相關要素的管理水平,將這些要素對質量的影響降至最低。如:將儀器、量具、專用設備、生產中需要定期計量的工夾具全面納入管理,對周期計量期進行預警等;
·利用信息化實現和完善質量檢驗業務流程,規范質量管理的業務管理;打造質量信息管理平臺,讓質量檢驗相關角色在同一平臺上按權限和流程處理業務,如不良品審理等,讓質檢業務以“事”找人,而不是“人”找事;
·建立全方位的質檢信息數據庫,進行質量數據挖掘,輔助質量決策;
·建立全方位的檢驗過程檢驗項目數據庫,如:產品(零件)加工工序過程質量檢驗數據采集,進行數據挖掘,為改善設計、工藝,進行可靠性、可維護性改進設計提供依據;
·實現質量追蹤管理和查詢,分析質量薄弱環節,完善質量責任管理;
·計算質量成本;
·為質量體系建設、基于質量改善的活動、質量文化建設提供平臺。
(3)構建全面、精細的,具有工廠生產管理特點的生產成本管理體系,改善粗放的成本管理模式。
·將粗放的計算成本模式改善為按產品、車間半成品、班組半成品計算成本,按生產訂單計算成本的精細模式;
·加強車間工時管理,將粗放的成本費用分攤改善為較為精細的按成本動因分攤或基于作業的費用歸集;
·建立成本信息數據庫,為輔助報價和成本決策提供依據。
(4)建立了統一、完整、滿足軍民融合型企業管理要求的信息管理系統。
(5)從根本上建立了面向流程的企業模型。建立統一、完整、可配置的工廠運營流程數據庫,包括:管理流程和業務流程等。
(6)ERP使企業成為一個整體,協調和優化不同部門的目標沖突。達到了規范跨企業和部門的業務流程以提高效率的目的。
(7)企業經濟效益持續提高,近三年來營業收入年均增長20%以上,2010年將突破5億元。
轉載請注明出處:拓步ERP資訊網http://m.sdyuan.com/
本文標題:國營紅峰機械企業的ERP系統應用實踐
























