近來閉環供應鏈的研究越來越受到重視,閉環供應鏈是“正向+逆向”的閉環系統,其關鍵活動包括收集、測試/分類/分級、再處理、報廢處置和再配送等過程。逆向供應鏈是以末端顧客的產品為起點,經過退貨、直接再重用、維修、整修、拼修、再制造、再循環回收或廢棄處理等逆向運作形成的逆向系統。
1 OEM閉環供應鏈生產系統特殊性
閉環供應鏈的OEM生產系統具備以下新特征:
a.生產活動。OEM閉環供應鏈的生產系統是制造/再制造混合生產系統。
b.物料流向。生產系統的輸人物流除從供應商處采購的原材料和零部件外,還包括從回收商處獲得的回收品,且在生產系統內部,各種物料是雙向流動的。
c.不確定性;厥瘴锪骱彤a品需求不匹配,廢舊物品的供應與生產商的需求不匹配,使得拆卸、物料修復不確定;從終端市場回收的物品在返回時間、數量和質量上的不確定;因耗損程度不同,回收產品只有經過檢測環節,才能確定后續的流向,導致路徑不確定;在系統中,即使是同一種產品或零部件,其工藝路線和再處理時間的不同也會導致工藝路線和加工時間的不確定。
d.庫存形式。庫存包括產品庫存、回收品庫存、可再制造產品庫存、再制造零部件庫存、可再制造零部件庫存、制造/再制造的可銷售件庫存等多種形式。
e.質量。傳統ERP只有合格產品才入庫。而回收產品質量各異,入庫時質量狀況要登記。不同質量的回收產品拆卸工藝各異,拆卸后得到可再重用零部件也不一樣。
f.角色轉變。0EM可能把用于材料循環的回收品和零部件返回給供應商,與供應商的關系因此由單向交易關系轉變為雙向交易關系。OEM也向分銷商或第三方逆向物流商等中介采購回收產品,他們也將成為OEM的新供應商。
g.資源。在OEM閉環供應鏈生產系統中,制造和再制造共用生產、倉儲空間、人力等資源。
2 物料清單的復雜性
2.1 物料分類
物料編碼是建立BOM的基礎。物料編碼的復雜性是指在OEM閉環供應鏈生產系統中,功能、外觀及材料完全相同的零部件可能有多種狀態:可再制造零部件、采購零部件和自制零部件。零部件狀態的多樣性使得同一種零部件在不同狀態下成本不同。
針對物料編碼復雜性問題的解決方案是:(1)將各種零部件所有可能的狀態作為系統獨立參數定義為狀態碼;(2)在對應的零部件的物料主文件、產品結構和工藝路線中設定默認的狀態碼;(3)在發料、生產過程中及時更新狀態碼;(4)相應成本根據狀態碼進行移動加權平均。
2.2 BOM的特殊性
物料清單(Bill of Material,BOM)是最常用的產品結構信息的描述方式,也是ERP的主導文件。由于OEM閉環供應鏈生產系統的特殊性,傳統BOM不可能為閉環供應鏈環境的物料計劃提供足夠的信息,因此需要新的BOM形式。
a.再制造產品BOM:與傳統BOM在結構上相似,在再制造產品多層BOM中包含再制造零部件、自制零部件、采購零部件、可再制造零部件。再制造零部件有若干的下層項目,其底層項目是可再制造零部件。
b.可再制造產品拆卸BOM:從整體結構上看是“逆向”的,可再制造產品拆卸BOM(如圖1所示)是針對拆卸過程而設計的BOM,應包含制訂拆卸計劃所需的信息——目標零部件、回收成本、處理成本、拆卸成本、拆卸提前期、回收提前期。圖中各個零部件產出標在其后,各個節點表示可再制造零部件,陰影標出的零部件表示再制造過程需要的目標零部件。

圖1 可再制造產品拆卸BOM3 ERP系統的功能模型
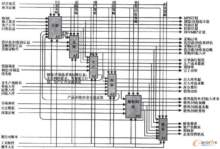
ERP總體功能模型如圖2所示。

圖2 ERP總體功能模型
3.1 生產計劃管理
生產計劃以閉環MRP為核心,增加了拆卸和再制造計劃。生產計劃管理功能模型如圖3所示。

圖3 生產計劃管理功能模型
3.2 采購管理
閉環供應鏈環境下采購管理模塊中回收商也作為供應商提供回收產品,因此也要對回收商設置相應的會計科目,并對其進行評估。
3.3銷售管理
閉環供應鏈環境下需要將逆向物流與銷售正向物流集成起來。ERP系統的解決方案是:(1)對數據庫設置相應約束,錄入銷售訂單的同時系統自動觸發或手工建立、關聯相應的采購訂單。(2)通過與CRM銷售管理信息的集成,在回收產品過程中直接與客戶進行交流,強化客戶管理。(3)通過與客戶服務中心的信息集成,打通產品的銷售和回收的交互渠道,減少客戶流失和客戶抱怨,提高客戶忠誠度和滿意度。(4)通過與PLM集成來有效地管理回收產品數據。
3.4財務管理
與傳統ERP相比,閉環供應鏈環境下的財務管理功能有如下不同:(1)閉環供應鏈的成本管理復雜,BOM和物料主文件的成本數據要與零部件的狀態碼相對應。(2)相應角色的復雜性,帶來其賬目設置的復雜性,如在采購過程中,需增加回收商總賬;OEM將用于材料循環的回收品和零部件返回給供應商,系統中該企業的應收和應付賬款沖抵;銷售物流與逆向物流集成后,其采購流程和銷售流程結束后會對同一企業產生應收和應付賬款,系統需作相應的沖抵處理。(3)在回收過程中,針對其實際狀況定價。
4 結束語
閉環供應鏈新環境下OEM從事再制造活動,可節約成本,樹立良好的企業形象;銷售過程中對產品主動回收,積極響應客戶需求,可提高客戶滿意度與忠誠度,這些必將成為企業不可復制的核心競爭力,為此作為企業內部集成利器的ERP也要為之改變。本文利用IDEF0建立ERP系統的功能模型,并對其關鍵業務功能進行了分析,為進一步的ERP系統的概要設計和詳細設計提供了支持。
轉載請注明出處:拓步ERP資訊網http://m.sdyuan.com/
本文標題:閉環供應鏈環境下的ERP系統改良功能模型























