1 引言
隨著科學技術的發展,計算機軟件技術在教育教學領域發揮越來越重要的作用。計算機教學軟件能夠提供一個友好的交互式人機界面,全面的展示知識內涵。MATLAB語言作為一種高級矩陣語言,不但在數值計算和符號計算方面具有強大的功能,而且在計算結果的分析和數據可視化方面也有其他類似軟件難以匹敵的優勢。利用MATLAB GUI,即圖形用戶界面,可以提供給用戶一個可以方便地和計算機進行信息交流的環境。
電力電子技術本身具有實踐性、工程性和綜合性的特點,而且波形分析和試驗驗證環節對于實際應用尤其重要。只靠手工的繪制圖不僅效率不高,而且不能很好的顯示出波形的動態變化。在電力電子的實際試驗中用的都是功率器件,費用高、費時,而且危險性大。在MATLAB具有專門的仿真工具和電力系統模塊庫。因此,如何利用MATLAB軟件的圖形用戶界面技術和仿真技術對電力電子技術進行仿真成了一個重要的研究方面。
1.1 電力系統工具箱(Power System)
MATLAB的圖形處理系統為用戶提供了非常豐富的函數,用以將工程計算的結果可視化。MATLAB 6.1具有一個電力系統工具箱(Power System Blockset)。這是一個基于圖形編程的電路仿真軟件,使用時不需自己編程,只需將被仿真的電路畫在工作窗口中便可進行仿真研究,如圖1。

圖1 電力系統工具箱
隨著計算機運行速度的成倍提高,用圖形來表示模型的想法應運而生。可視化建模的思想逐漸引起人們越來越多的重視。圖形方式信息表達與其它方式相比具有直觀、簡明的特點。用圖形來表示模型,可以直觀地反映出模型信息、模型的特性和信號的連接與傳遞關系,便于分析維護。
通常仿真技術在電力電子技術領域中的應用不普及,主要是因為功率開關元件的數學模型非常復雜,使仿真模型的建立非常困難。MATLAB電力系統工具箱為我們提供了各種開關元件的通用模型,使用時只需設定參數即可。而且更改參數非常方便。該工具箱MATLAB中的控制系統工具箱有所不同,用戶不需自己編程且不需推導系統的動態數學模型,系統建模過程更接近實際電路設計過程,且使用方便,可信度極高。
1.2 MATLAB圖形用戶界面(GUI)
用戶界面是用戶與計算機和計算機程序的交互方式,是用戶與計算機進行信息交流的方式。用戶界面設定了如何操作計算機和應用程序。用戶以某種方式激活這些圖形對象(如圖形窗口、菜單、控件、文本),會引起動作或發生變化。
MATLAB為圖形用戶界面的設計提供了一個功能強大的設計向導,該向導也是以圖形用戶界面的形式提供給用戶的,從MATLAB的File菜單下選擇New GUI命令,彈出GUI控制面板設計向導。MATLAB的整個GUI設計過程如圖2。

圖2 GUI的設計過程
根據需求分析,設計好控件布局,MATLAB可以直接生成.m文件。在建立控件時,主要就是編寫控件的回調函數callback。對不同的事件(event)有不同類型的回調程序,每一類圖形對象包括的事
件種類也不同的。回調程序編輯器可以編寫每一類事件的回調程序。
一個簡單的命令:窗口句柄=figure(屬性1,屬性值1,屬性2,屬性值2,…)就可以建立起一個窗口。其中屬性包括該窗口的Color、InverHard copy、MenuBar、Name、NumberTitle、Position、U nits、Visible、UserData等等。在主窗體中,按照用戶需求,設置了單相可控整流電路、三相可控整流電路和電動勢負載可控整流電路等各項按鈕。通過uincontrol(‘propertyNamel’,‘pushbuttonl’,‘propertyName2’,‘pushbutton2’,…)很容易的實現。當建立一個對象中,可以用get和set函數來改變屬性值,get函數可以返回某些對象屬性的當前值,set函數改變句柄圖形對象屬性,如:
get(handle,‘PropertyName’)
set(handle,‘PropertyName’,value)
2 電力電子技術教學仿真軟件的設計與實現
2.1 仿真軟件的設計
本課件采用MATLAB編程語言,按照電力電子技術課程內容可以設計出相應的CAI系統結構,即電力電子技術教學仿真軟件主界面如圖3。

圖3 電力電子技術教學軟件主界面
本軟件主要是按照實際整流電路的要求來實現電力電子技術中各種電路的動態仿真,便于理解和掌握。
2.2 應用實例
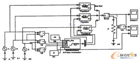
在MATLAB中提供了Simulink和Power Sys term Blockset工具箱,擁有一種很方便的建模環境,用戶不用直接編寫程序,而是通過交互命令方式建立、修改和調試模型,給電力電子技術中的各種電路的仿真提供了有利的條件,簡化了仿真建模。例如圖4為三相半波可控整流電路的仿真電路。
在仿真電路圖4中,雙擊模塊,從而得到負載的屬性設置,改變各項的值,運行并通過示波器來顯示各個量的變化,以便比較和研究。在仿真環境中,用戶通過簡單的鼠標操作就可建立起直觀的系統模型并進行仿真,有機地將理論研究和工程實踐結合在一起。

圖4 三相半波可控整流電路
圖5和圖6為不同負載時的負載電壓仿真波形。通過仿真波形的比較,大大提高了理論分析的可視性。

圖5 電阻負載時的負載電壓仿真波形

圖6 阻感負載時的負載電壓仿真波形
3 結論
本文基于MATLAB的GUI技術和Simulink仿真工具,實現了電力電子技術教學軟件的主要功能,包含了《電力電子技術》課程大部分的教學內容,針對電力電子技術中基本的整流電路進行了動態仿真,并對仿真結果進行了比較,給電力電子技術試驗和教學帶來了方便,而且對學生熟悉和應用MATLAB也起到積極作用。
核心關注:拓步ERP系統平臺是覆蓋了眾多的業務領域、行業應用,蘊涵了豐富的ERP管理思想,集成了ERP軟件業務管理理念,功能涉及供應鏈、成本、制造、CRM、HR等眾多業務領域的管理,全面涵蓋了企業關注ERP管理系統的核心領域,是眾多中小企業信息化建設首選的ERP管理軟件信賴品牌。
轉載請注明出處:拓步ERP資訊網http://m.sdyuan.com/
























