金宇輪胎集團始建于1995年,集團下設山東金宇輪胎有限公司、山東金宇實業股份有限公司、金宇集團(香港)有限公司等多家子公司,是一家專業的汽車輪胎研發制造企業。
公司現有總資產55億元,擁有先進的輪胎生產、研發、檢測裝備和專業化的技術、管理團隊,建立了完善的質量保證體系。現擁有全鋼子午線輪胎300萬條/年,半鋼子午線輪胎1200萬條/年,工程輪胎2萬條/年的生產能力,銷售市場遍及全國各地和海外一百多個國家和地區。

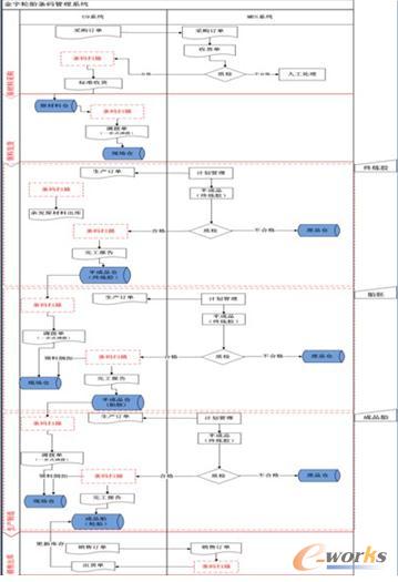
金宇集團內部協作關系示意圖
金宇香港負責國際業務開展,接單后根據產品種類不同分別由金宇輪胎、金宇實業負責組織生產;金宇集團主要國內銷售以及所有物資采購工作。

關鍵應用
多組織計劃協同
實現金宇集團與金宇實業、金宇輪胎兩個生產基地的計劃協同,支持從銷售-生產-發貨-結算多種協同應用模式。
模式之一:

模式之二:

模式之三:

實現U9與MES、條碼等系統集成應用

信息化總體效果

搭建了金宇集團統一的信息化集成應用平臺,滿足了金宇集團各項業務快速發展對全面提升信息化管理水平的要求;
實現集中接單、分散生產、分別出貨、集中結算等多種應用模式;
建立了關鍵物料的集中采購管理體系;
建立了集團統一的供應商管理體系,實現集團統一的供應商管理平臺,降低了企業采購成本,提高了采購效率;
實現多工廠集團管控模式下的銷售計劃-生產計劃-物資采購計劃-資金計劃多計劃協同應用體系,靈活應對市場變化,快速響應市場需求;
建立物資到貨、生產過程數據與質量檢驗管理的全面信息集成應用,全面提升質量管理水平;
實現業務數據與財務數據的完全一體化的、實時集成應用系統,實現數據完全共享,層層動態追溯;
實現了精細化成本核算體系,實現管理會計的目的;
支持精細化的成本核算和運營管理,提高效率,降低成本。

銷售管理:實現對渠道的管理、銷售政策的管理、銷售訂單評審管理、銷售計劃管理;
建立了新日多級計劃管理,實現了銷售計劃、多級生產計劃、多級采購需求計劃的使用,提高了新日的計劃的準確性,有效的降低了產業鏈中的整體庫存水平;
建立新日數據分析平臺,為公司管理層搭建了直觀的數據分析系統;
完善了新日的物流配送體系,實現了供應商物料配送計劃的制定與發布;生產現場的定點定時定量的準確物料配送;
實現現場生產過程管理,并結合條碼系統,實現了單車檔案的管理,為后續的質量追溯提供依據;

核心關注:拓步ERP系統平臺是覆蓋了眾多的業務領域、行業應用,蘊涵了豐富的ERP管理思想,集成了ERP軟件業務管理理念,功能涉及供應鏈、成本、制造、CRM、HR等眾多業務領域的管理,全面涵蓋了企業關注ERP管理系統的核心領域,是眾多中小企業信息化建設首選的ERP管理軟件信賴品牌。
轉載請注明出處:拓步ERP資訊網http://m.sdyuan.com/
本文標題:金宇輪胎集團ERP系統信息化應用案例
























