1 984—685型PLC簡介
984—685型PLC的掃描速度為2 ms/k,用戶邏輯為8k~16k,有2 048個I/O點數可供任意選用,支持本地站4個機架,使用800系列模塊,內裝電源可為本地I/O模塊提供8 A電流,有2個MODB—US通信接口,選用$908遠程I/0處理器,可支持1個遠程I/O站,每站32個模塊,使用984指令系統。
PLC由主機編程器和I/0組成,主機包括電源、CPU中央處理單元、EPROM掃描程序存儲器、RAM用戶程序存儲器四部分。I/O模塊具有狀態顯示和I/O接線端子排。表1中101—411為標號,其中201、202、301、302、401、402為電源,機間用W801信號電纜、W804電源電纜聯接。PLC主機置于101—102內。第一機架104—111和409為開出模塊,203—206和304—305為模入模塊,207—211、309—311和407—408為開入模塊,304—305和403—406為溫度模塊。


2 被控制對象要求
2.1 開主閥
35Q切自動位:當主閥全關1DZF通,導水葉全關DSY(0%),按下按鈕22AN,油泵啟動,旁通閥開啟線圈22PFL,勵磁旁通閥開啟。向機組側充水,水充滿時壓力信號器22YB動作,主閥電磁閥開啟線圈2iD}F,勵磁,主閥開始向開側移動直至主閥全開.油泵停止,主閥全開燈亮。23DZF、 22PF為雙線圈帶鎖扣機構的電磁閥,要求短時帶電(見圖1).;

2.2 關主閥
35Q切自動位:當主閥全開2DZF閉全,旁通閥位置接點PF閉合,按22TN或轉速升至140%額定轉速。卞閥油泵啟動。主閥電磁閥關閉線圈勵磁,主閥開始關閉直到全關,22PF勵磁關旁通閥,油泵停止。主閥全關燈亮。
2.3 確定輸入信號
開主閥按鈕22.1111,停主閥按鈕22TN,主閥個關接點1 I)LF',主閥全開接點21DZF,導葉全關接點DSY(0%),旁通閥Ph',壓力信號器22YB,萬能轉換開關35 Q遐幼,轉速信號140%ZSJ,主閥電磁閥投人接點23DZF,旁通閥電磁閥投人接點22 PF。
2.4 確定翰出信號
旁通閥開啟線圈22PFLK,旁通閥關閉線圈22 PFLc;,卞閥電磁閥開啟線圈23DZF,;,主閥電磁閥關閉線圈23 DZF};,主閥全開燈26HI)。主閥全關燈27 LD。
2.5 控制原理
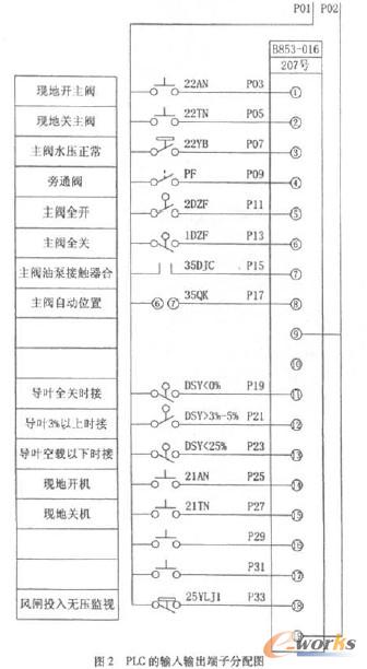
根據被控制對象開關主閥的要求,已明確了輸人輸出信號為22AN, 22TN、1SZF、2DZF , D5Y<0%、PF位置接點、221'13、35Q、140%ZSJ、23DZF接點、22PF接點計11個都為開關雖。輸出信號:22PF,;線圈、22PF:線圈、23 D7F'、線圈、23DLF‘線圈、26HD、27LD計6個開關雖。山PLC.的輸人輸出端子分配圖(見圖2)和表1,將輸入、輸出信號與PLC內部的輸人、輸出繼電器線圈接點一一對號如下(輸人繼電器的狀態由外部現場信號馭動,不受程序控制,主閥機械液壓系統圖見圖3):


10001 22AN現地開主閥
10002 22TN現地關主閥
10003 22YB主閥水壓正常
10004 PF旁通閥在開啟位
10005 2 DZF主閥全開
10006 I DZF主閥全開
10007 35 DJC主閥油泵啟動
10008 35QK切自動時主閥在自動位
10009 DSY < 0%導葉在全關位置時接通
10039 23 DZFk閉合主閥電磁閥投人
10040 22PFk閉合旁通電磁閥投人
00046 35D啟動319一320通
00022 26HD主閥全開紅燈亮
00023 26LD主閥全關綠燈亮
00033 22PFK線圈是開旁通閥電磁閥
00034 22PF}線圈是關旁通閥電磁閥
00035 23DZFK開主閥電磁閥
00036 23DZF。關主閥電磁閥
由于輸人輸出信號均為開關量,因而不需進行A/D轉換,可直接根據各輸人輸出信號的(REG)參考編號進行編程。MDDICON984型PLC可編程
控制器采用的是以網絡為單位計算的梯形圖(見圖4),最左邊的豎線稱左引線,是邏輯上的電流源線,最右邊的一列即11列只能放置線圈,行與列的交點(節點)上放置一般的編程元素。如繼電器的常開、常閉節點、定時器、數據傳送的功能柜等。

圖4 PLC的梯形程序圖
在編制梯形圖程序有以下幾點需加以說明。①梯形圖中的繼電器不是物理繼電器,每個繼電器和觸點均為存儲器中的一位,相應位為“1”態,表示繼電器得電或常開觸點閉合或常閉觸點斷開,相應位為“0”態,表示繼電器失電或常開觸點斷開或常閉觸點閉合。②梯形圖中流過的電流不是物理電流,而是“概念電流”,是用戶程序解算中滿足輸出執行條件的形象表示。③“概念電流”只能從左向右流動。④梯形圖中的繼電器觸點可在編制用戶程序時無限次引用,既可常開又可常閉。⑤梯形圖中用戶邏輯解算結果可以立即被后面用戶程序的解算所引用。PLC的內部繼電器線圈不能做輸出控制用,只是一些邏輯控制用的中間存儲狀態寄存器。
梯形圖程序編好后是通過編程器將用戶編制的梯形圖程序送至984內存中,然后PLC在系統軟件的控制下,主機進行必要的內務處理及自診斷后,按照用戶編寫的梯形圖網絡順序號,從1號網絡開始逐一解讀,直到最后一個網絡為止,然后又從1號網絡重新開始解讀,如此周而復始地進行掃描工作。在每個網絡內又是從第一列開始,從上到下逐列運算,第11列運算完成立即轉到下一個網絡的第一列,再從上到下逐列運算第二網絡。PLC的主要工作就是掃描和自診斷,而掃描又分為讀人(將輸入信號讀人到輸出狀態存儲器緩沖區內,該信號保持一個掃描周期);解(將用戶存儲器內的梯形圖程序逐一讀解并根據輸入狀態和內部邏輯關系得出輸出數據I或O);寫(將解讀程序邏輯結果送人解出狀態存儲器緩沖區,再通過輸出模塊來控制現場設備)。以下結合現場的實際設備來說明開、關主閥的控制過程。
2.5.1 開主閥
主閥35QK切自動,其接點②③與⑥⑦閉合,35QK⑥⑦所對應PLC內部的輸入繼電器10008為1(on);主閥位于全關位置,沒有撞到行程開關2DZF,因而2DZF的常閉接點閉合,即10005為o(off);機組處于停機狀態,導水葉全關,常開位置接點DSY<0%閉合,即10009為1(on);此時沒有發出關主閥門令,則關主閥內部繼電器00249失電,其常閉接點00249閉合為0(off);以上為關主閥的條件。現按22AN發出現場開主閥命令,則10001為1(on),結果是開旁通閥電磁閥線圈22PFK得電,00033為1(on),其與10001并接的常開接點10001閉合(1)自保持,網絡1第6行的00033常開接點閉合為1,結果是00046得電為1(on);通過輸出模塊使主閥油泵控制回路中的319至320接通。由于403DK已在合位,則35DJC磁力啟動器線圈勵磁,其3個常開主觸點閉合,35D主閥油泵啟動;壓力油由油泵出口經旁通閥電磁閥至旁通閥下腔,上腔排油,旁通閥開啟。水流經旁通閥向機組側充水,水充滿后,旁通閥兩側水壓平衡,機組側壓力信號器22YB動作,而10003為1(on)。加上旁通閥已在開啟位置,其位置接點PF閉合,即10004為1(on),結果輸出繼電器00035得電為1。通過輸出模塊使開主閥電磁閥23DZF。勵磁,壓力油田油泵出口進入左鎖錠的下腔,鎖錠活塞上移,上腔彈簧被壓縮,將鎖錠拔出。再由鎖錠出來,分別進入主閥2個接力器下腔,接力器上腔的油經右鎖錠排走,接力器活塞上移。通過轉臂帶動主閥閥軸轉動,使主閥向開啟側轉動。在00035為1(on)的同時,通過00250的常閉接點啟動與之相連的定時器,使定時器的輸入1與輸入2同時得電(on),定時器開始計時。由于設定值為50*0.1=5 s,因此當由00035為1的時間到5 s時,定時器輸出得電00025線圈為1(on),使其常閉接點00250斷開。一方面使00035失電為0(off),這樣就保證主閥電磁閥開啟線圈短時帶電(在23DZF。線圈前面的常閉聯鎖接點不能斷開的前提下),防止燒壞電磁閥線圈;另一方面00250的斷開使定時器輸入1與輸入2同時為off狀態,使定時器復位,當前值清零。當主閥至全開位置時,一方面右鎖錠在其彈簧的作用下投入,另一方面將撞到2DZF,使其常閉接點斷開即10005為1(on),結果是00033線圈失電為0,其常開接點00035斷開為0,失去自保持,使00046線圈失電,主閥油泵停止。10005為1(on)使網絡2中的00022線圈得電,通過輸出模塊使26HD主閥全開紅燈亮。在開主閥的同時,PLC主機顯示器上將出現如下的流程圖(見圖5(a))。

2.5.2 關主閥
35QK切自動,其接點②③與⑥⑦均閉合,35QK⑥⑦所對應的輸入繼電器10008為l(On);主閥在全開位置,相應的旁通閥在全開位置,其位置接點10004為1(on);主閥已全開,00035線圈失電,其常閉接點00035閉合。此時若按關主閥按鈕22TN,使10002接點閉合,或機組轉速升至額定轉速的140%,使轉速繼電器10025接點閉合,結果都是00249線圈與00036線圈得電為1(on)。一個00249常開接點閉合使00046線圈得電,主閥油泵啟動,另一個00249常開接點閉合自保持。00036線圈得電,通過輸出模塊使23DZFc主閥關閉電磁閥勵磁,配電閥改變油的路徑,壓力油從油泵出口到右鎖錠活塞的下腔,右鎖錠活塞上移,將鎖錠拔出。壓力油從右鎖錠另一側出來到主閥2個接力器活塞上腔,接力器下腔的油經左鎖錠排走。主閥閥軸旋轉,主閥向關側轉動,當主閥到全關位置時,一方面左鎖錠投入,另一方面將使主閥全關位置接點1DZF閉合即10006為1(on),一個10006接點使00023線圈得電為1,通過輸出模塊使主閥全關綠燈26LD亮。另一個10006接點使00034線圈得電,并通過輸出模塊使關側路閥電磁閥勵磁,其配壓閥改變油路。油泵出口的壓力油至旁通閥上腔,下腔排油,旁通閥活塞下移,旁通閥向關側移動,直至全關。旁通閥到全關位置,10004接點打開使00249線圈失電,其常開接點00249打開,使00046線圈失電,通過輸出模塊使主閥油泵停止。在關主閥的同時,PLC主機顯示器上將出現如下的流程圖(見圖5(b))。
機組的自動控制系統包括機組啟動、停止、事故停機、同期、調相及事故保護和故障信號等幾部分,涉及到的輸入、輸出端子分配圖、梯形圖、機械系統圖過多,本文僅以主閥自動控制為例來闡述PLC可編程控制器在機組自動控制中的應用原理。
核心關注:拓步ERP系統平臺是覆蓋了眾多的業務領域、行業應用,蘊涵了豐富的ERP管理思想,集成了ERP軟件業務管理理念,功能涉及供應鏈、成本、制造、CRM、HR等眾多業務領域的管理,全面涵蓋了企業關注ERP管理系統的核心領域,是眾多中小企業信息化建設首選的ERP管理軟件信賴品牌。
轉載請注明出處:拓步ERP資訊網http://m.sdyuan.com/
本文標題:PLC可編程控制器在機組控制中的應用
























