0 引言
創成式CAPP是以零件信息為依據進行工藝過程自動決策的,因此,建立和采用統一的零件信息模型、工藝知識模型和工藝決策模型,保證各種數據存儲與傳遞流暢而完整至關重要。
軸類零件雖然結構和加工工藝相對簡單,信息量較少,但由于加工過程中定位基準多次變化,工序尺寸解算復雜,是常規工藝設計中比較棘手的問題,因此開發實用的軸類零件CAPP系統是有現實意義的。
本文結合軸類零件的特點,采用參數描述和特征描述相結合的方法建立數據模型,數據結構簡潔完整,提取方便,易于計算機實現,數據以代碼的形式存儲與傳遞,面向整個工藝過程,數據采集與處理一體化。
1 系統總體結構
系統采用創成式CAPP技術,通過零件信息描述生成零件信息編碼,調用機械加工知識庫和規則庫進行工藝決策,生成工藝文件。圖1為系統總體結構圖。

圖1 系統總體結構圖
2 零件信息描述與存儲
在常規的零件信息特征描述法中,每個型面要素建立一組表達其特征的代碼,該型面要素的具體參數單獨記錄,并將二者存放在二維表中以生成一個關系型數據庫,數據以文件的形式存取。這種數據結構,型面要素的特征和參數是分離的,靠指針建立兩者間的聯系,數據結構復雜,數據的存儲與處理繁瑣,軟件體系龐大。
本系統采用參數描述和特征描述相結合的描述方法,建立了頂層碼、次層碼和底層碼三級動態復合型零件信息編碼結構。系統只需存儲和提取這三級代碼,就可為整個工藝過程提供原始數據。
頂層碼為七位數字靜態碼,前四位碼為主碼,描述零件的總體外形特征,分別記錄外圓段數m、內孔段數n、端面段數k及軸的類別(長短軸)。后三位碼為輔碼,描述零件的毛坯特征,分別記錄毛坯材料、毛坯種類和毛坯精度。
次層碼為頂層碼前三位主碼的展開,采用特征描述法按從左至右的順序依次描述零件m段外圓、n段內孔和k段端面的特征要素。次層碼為動態碼,碼位隨著頂層碼的主碼變化而變化,記為t,t=m+n+k。常見的特征要素及特征碼見表1。
表1 各特征要素的特征碼

底層碼為次層碼的進一步展開,采用參數描述法依次描述零件各段外圓、內孔和端面的幾何要素,包括各型面主要特征及輔助特征的幾何參數和精度等級,為t×16矩陣結構。由于端面是兩個型面的連接面,所以端面信息與各型面信息有密切的關系,矩陣不僅記錄了各型面的幾何要素,還記錄了各型面間的拓撲關系。
系統運行時,設計人員在零件信息輸入窗體中,根據零件結構輸入七位頂層碼,按窗體提示選擇每一型面的特征要素,輸入各幾何參數,系統就可以按編碼規則自動生成該零件的t位次層碼和t×16底層碼矩陣。
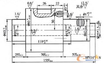
例如,圖2所示軸類零件的頂層碼為4262222,表示該零件有4段外圓面、2段內孔面和6段端面,0.5<L/D≤3,中碳鋼,鍛件,2級精度毛坯。m=4,n=2,k=6,t=12。

圖2 示例軸類零件圖
在圖3所示窗體中輸入相應的參數后,系統自動生成該零件的12位次層碼134211113112,從左至右表示第1段外圓為圓柱面、第2段外圓帶鍵槽、第3段外圓帶徑向孔、第4段外圓帶螺紋,2段內孔均為圓柱孔,1、2和4、5段端面均為光面,第3段端面帶軸向孔,第6段端面帶倒角(參照表1)。同時系統生成該零件的12×16的底層碼矩陣如式(1),供后續程序調用。

圖3 零件信息輸入窗體

矩陣1~4行表達4段外圓面信息,5~6行表達2段內孔面信息,7~12行表達6段端面信息。如,矩陣第二行從左至右表達第二段外圓直徑φ80mm,長70mm,IT7,鍵槽寬22mm,長26mm,IT10。
3 工藝卡生成與編輯
零件信息輸入后,系統根據零件的信息編碼檢索加工工藝規則庫中特征之間的約束關系,自動進行工藝決策,包括各表面加工方法的選擇和工序順序的安排,生成工藝路線,填寫工藝卡,系統遵循的約束關系依次為:先基準后其他、先主后次、先粗后精、先面后孔。圖4為系統自動生成的示例軸類零件加工工藝卡。
系統首先執行第一層約束關系,檢索頂層碼的第四位特征碼,完成基準面和主要表面的粗加工。若第四位特征碼為“4”或“5”(長軸,中心孔定位),生成工序1:銑兩端面,工序2:鉆中心孔,工序3:車各外圓面及臺階面,工序4:車各內孔面及臺階面;否則(短軸,三爪卡盤定位夾緊),生成工序1:車小端端面、車小端各外圓面及臺階面,工序2:車大端端面、車大端各外圓面及臺階面,工序3:鉆通孔、車各內孔面及臺階面,見圖4工序1、2、3。
其次系統執行第二層約束關系,根據次層碼的各碼位特征信息判斷各型面上是否有輔助特征,若有(碼位數字非“1”),安排相應的加工工序,完成次要表面的加工。例如示例中次層碼的第2位是“3”,表明第2段外圓帶鍵槽,安排銑鍵槽工序;第3位是“4”,表明第3段外圓帶徑向孔,安排鉆孔工序;第4位是“2”,表明第4段外圓帶螺紋,安排車螺紋工序等,見圖4工序4、5、6、7、12。

圖4 示例軸類零件加工工藝卡
最后系統執行第三層約束關系,根據底層碼矩陣中各行的第七、八兩位(表達該表面加工精度)判斷各型面所需的加工方案,完成各型面的精加工,見圖4工序8~11。
第四層約束關系包含于前三層約束關系之中,即在前三層約束關系中,均先進行面的加工,再進行孔的加工。
設計人員可以在上述工藝路線基礎上進行加工順序調整、加工內容修改和加工工序增減,最終完成加工工藝卡。
4 工序卡生成與編輯
系統把工序信息分成加工內容、工序尺寸、定位基準、切削參數四部分,同時建立了刀具庫、機床庫、切削參數庫等以備設計人員編輯時查找和參考。該部分主要包括工序內容生成與編輯、工序簡圖繪制、工序尺寸解算三大功能模塊。
4.1 工序內容生成與編輯
點擊工藝卡中某一工序的工序卡生成按鈕,就會生成相應工序的工序卡,并允許進行編輯。在工序卡生成過程中,多工步工序的生成需要遵循直徑由大到小的加工順序約束。
例如,圖4示例零件工藝卡中第一道工序,首先生成工步1:粗車小端端面。其次系統根據底層碼矩陣前m行的前三位碼數值(各段軸直徑)找出最大直徑φ80和最小直徑φ25,然后按由大至小的順序生成最大直徑至最小直徑之間的所有外圓面及臺階面的車削工步,即工步2:粗車φ40外圓面及臺階面,工步3:粗車西25外圓面及臺階面。本工序不含最大直徑φ80外圓面的加工,該外圓為本工序的裝夾基準面,具體工序內容見圖5。

圖5 示例軸類零件加工工序卡
由于底層碼矩陣中的第四、五、六位長度碼記錄了各型面的長度信息,在工序簡圖中就可以按英文字母順序標識各端面符號。在生成工步內容的同時,記錄下加工端面(臺階面)的信息,包括位置信息和端面符號信息。在工序圖中點擊某表面作為定位基準面,該表面符號即可記錄并顯示在工步中。提取工步內容中的加工端面符號和定位基準面符號,按規則生成該工步工藝尺寸式代號,系統按順序保存所有工序和工步的工藝尺寸式代號,為工序尺寸解算提供依據。
4.2 工序簡圖繪制
工序簡圖包括零件基本外形、加工面、定位面和工序尺寸四大要素。零件基本外形由零件信息碼生成的圖導入,加工面由粗糙度符號標識,定位面由定位符號標識,工序尺寸由尺寸解算模塊解算,并在圖中標識其代號。
系統采用圖形塊技術,將粗糙度符號和定位符號定義為圖形塊,并運用圖形捕捉算法方便設計人員在工序簡圖中選取所要標注的加工面或定位面進行添加操作。該算法可以捕捉到一定范圍內的零件端面,并根據加工余量的符號(向右加工為正,向左加工為負)判斷定位符號的方向。利用這一技術的還有零件圖中形位誤差的標注。
4.3 工序尺寸解算
軸類零件工序尺寸有徑向尺寸和軸向尺寸兩種。徑向工序尺寸由于基準重合,計算簡單,可用反推法,將下道工序的基本尺寸加(或減)下道工序的加工余量,即為本道工序的基本尺寸,公差取本道工序的加工精度,按人體原則標注。軸向工序尺寸涉及基準不重合及定位基準多次轉換,需解工藝尺寸鏈。
系統將零件底層碼矩陣中各表面的尺寸數值信息和每一工步的工藝尺寸式導入工序尺寸解算子模塊,運用圖解追跡法解算出軸向工序尺寸。這種方法包含兩部分內容,一是工藝尺寸式法和動態向量標記法來完成各工序的尺寸鏈查找和各組成環增減性判斷;二是運用VB實現加工路線圖自動生成和工藝尺寸鏈追跡圖自動繪制。該子模塊還提供尺寸偏差計算和加工余量驗算功能以及多工藝方案分析比較功能,從而確定一套較為合理的加工方案。
5 數據傳遞與聯動
系統以簡單的三個代碼驅動所有功能模塊的處理和操作,數據模型統一,當頂層碼、型面特征和型面參數發生變化時,次層碼和底層碼隨之變化,后續所有模塊的原始數據也隨之改變,保證了整個系統數據的一致性。
工序尺寸解算是單獨進行的,在生成工序卡時,只生成各工步內容、加工面、定位面及工藝尺寸式,而工序尺寸“直徑”、“長度”未計算,也未標注,見圖5中工步1。工序卡生成后,進入工序尺寸解算模塊,通過三級代碼和工藝尺寸式解算工序尺寸,計算結果返傳到工序卡中,最終完成工序卡編輯。在工序尺寸解算模塊中,支持工藝尺寸式的修改和多方案比較,即改變工序順序和工步內容,修改后的計算結果在返傳工序卡時,相應的工藝卡和工序卡也隨之改變,即實現數據聯動。
6 結論
系統采用編程語言Visual Basic 6.0開發,應用于軸類零件加工工藝規程的制定。系統以參數描述和特征描述相結合的復合型三級動態碼為信息載體,在各功能模塊間進行數據傳遞,實現了統一的數據結構。本文以某軸類零件為例進行實例驗證,設計人員只需輸入簡單的七位頂層碼,選擇相應的特征要素,輸入相應的幾何參數,系統就可自動生成次層碼和底層碼,自動完成零件圖繪制、毛坯圖繪制、工藝決策、工藝卡生成、工序卡生成和工序尺寸解算等功能。系統同時支持工藝文件的編輯修改,不但實現了創成式CAPP自動進行工藝決策的特點,也兼顧了計算機輔助設計的根本。系統針對軸類零件特點開發,不拘于符號、數據的抽象推理,數據結構簡潔而完整,操作簡便,算法簡練,數據處理簡化,易于計算機實現,實用性較強。
核心關注:拓步ERP系統平臺是覆蓋了眾多的業務領域、行業應用,蘊涵了豐富的ERP管理思想,集成了ERP軟件業務管理理念,功能涉及供應鏈、成本、制造、CRM、HR等眾多業務領域的管理,全面涵蓋了企業關注ERP管理系統的核心領域,是眾多中小企業信息化建設首選的ERP管理軟件信賴品牌。
轉載請注明出處:拓步ERP資訊網http://m.sdyuan.com/
























