目前交通燈廣泛應用于道路交通建設中。本文設計一個十字路口交通燈控制電路,要求東西、南北兩條干道的紅、綠、黃交通燈按要求循環變化,并以倒計時方式指示干道通行或禁止的維持時間。在QuartusⅡ軟件環境中設計、仿真,并在FPGA實驗板上實現所設計電路的功能。
1 系統概述
1.1 設計思想
基于FPGA的交通燈系統控制設計包括4大模塊,分別為脈沖發生、狀態定時、交通燈閃爍的控制、閃爍時間的控制,基本原理如圖1所示。

圖1 交通燈控制電路參考原理圖
1.2 總體工作情況
交通燈控制要求如表1所示。
表1 交通燈控制要求

該設計的交通燈控制分為6個狀態。由于各狀態持續時間不同,所以電路的核心控制部分是狀態機和定時器,狀態機在定時器觸發下周期性循環,狀態碼控制6個燈以一定的規律變化,變化情況如圖2所示。

圖2 電路狀態轉換圖
系統脈沖由FPGA開發板晶振經過分頻電路實現。狀態定時由74190可逆十進制計數器和T'觸發器實現,只要置數合理,翻轉信號到位,就可以使電路在東西(I)、南北(J)兩個控制狀態間翻轉。紅、黃、綠燈的閃爍由7485數字比較器和組合邏輯控制,其中7485數字比較器用于比較計數器當前持續狀態和所需要的狀態全部時間,并做出相應的變化。組合邏輯控制由AHDL文件編寫真值表實現。時間顯示由AHDL文件編寫真值表實現,輸入正確的邏輯,七段譯碼電路即能得到正確的時間顯示。
1.3 各功能的組成
整個電路可以分為4大部分,包括脈沖發生、狀態定時、時間顯示和數字比較組合邏輯控制。
1.3.1 脈沖發生
脈沖發生器為整個系統提供驅動,將輸入端分配給FPGA實驗板的PIN55引腳,則會由實驗板上產生頻率為10MHz的輸入脈沖,用7片7490,每一級都構成10分頻電路,使頻率從10MHz降低為1Hz。
1.3.2 狀態定時
狀態定時可由預置BCD碼初值的74190級聯實現,構成減計數器。級聯原則是:低位計數器從全0狀態變為最大碼值狀態時可使高位計數器減1。級聯方式分為異步和同步兩種,本文采取的是異步級聯方式,即低位計數器溢出信號控制高位計數器的記數脈沖輸入端?筛鶕嫈灯鞯臅r鐘觸發方式,在低位計數器狀態碼從全“0”變為最大碼值的瞬間,為高位計數器提供有效的計數脈沖邊沿。具體做法是將低片位的溢出信號RCON端口接到高片位的計數脈沖CLK,實現兩位BCD碼的置數、翻轉和借位,使系統表示的數字能在22~16之間循環。
74190功能說明:
(1)GN為計數器使能控制端,低電平有效。當GN為高電平時,禁止計數;
(2)DNUP為計數方式控制,接高電平為減計數,接低電平為加計數。
(3)LDN為異步預置數控制。當LDN為低電平時,計數器狀態QD,Qc,QB,QA分別等于D,C,B,A。
(4)計數器位序由高至低順序為QD,QC,QB,QA。QD為最高位MSB,QA為最低位LSB。
(5)計數脈沖CLK上升沿有效。
(6)當計數器輸出QDQCQBQA為十進制加計數的最大狀態碼“1001”或為減計數的最小狀態碼全“0”時,極值狀態碼指示MAX/MIN輸出為高電平。
(7)當極值狀態碼指示MAX/MIN為高電平且CLK為低電平時,溢出信號RCON為低電平,即RCON與計數脈沖同步。
系統記數脈沖為1Hz時,如表2所示,當1狀態(東西控制狀態)的定時時間為22s,計數器應該先預置22的BCD碼;同理,J狀態(南北控制狀態)之前應該預置16的BCD碼。
表2 定時計數器各狀態預置數

狀態計時電路由兩片74190級聯而成,構成22和16自翻轉的電路。其要解決的核心問題包括置數,翻轉和借位。根據74190芯片的特點,可分析其實現原理如圖4所示,通過溢出信號RCON的上升沿實現借位,使得數字能夠從20到19,個位向十位借位,順利過渡。

圖3 7490十分頻電路

圖4 74190借位原理
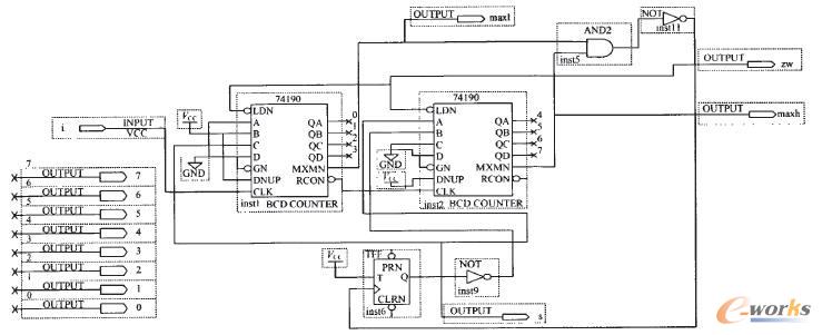
置數和翻轉之間有先后關系,即須先置數后翻轉。如圖3所示,分析兩個BCD碼各位特點,可知兩者D7D6D3D0位均為1,D1位均為0,而D5D4D2位不同,如圖5,D5D4D2位由狀態電平S來控制,當為1狀態時,計數器的預置的數為D5=0,D4=D2=1,而為J狀態時,計數器的預置的數為D5=1,D4=D2=0,根據74190的功能,將2片74190的MAX/MIN引出,通過與非門,分別連在高位和低位的LDN置數端,通過分析可知,當計數器從01減到00時候,高低位的MAX/MIN均為高電平,經過與非門以后為低電平,74190被置數,其置數值由狀態S來決定,S是由LDN端信號經過一個T'觸發器決定的,即LDN信號每置數一次,S翻轉1次,從而區分16和22狀態。按這個結構,可分別置數16和22,使其實現自翻轉。
圖5為狀態定時模塊的實際連接圖。

圖5 狀態定時模塊的實際連接圖
1.3.3 時間顯示
時間顯示要用到7段顯示譯碼電路,由于是兩位BCD碼,故用二選一數據選擇器,選擇端S接一個頻率很高的方波(如1kHz);數據比較器的輸出和1Hz脈沖作為AHDL模塊的輸入,即可正確顯示時間。
為正確顯示時間,用AHDL文件自編譯碼真值表如下:




圖6 段顯示譯碼電路
1.3.4 數字比較一組合邏輯控制
該模塊將狀態定時模塊輸出的時間與時間節點進行比較,從而確定電路處于22s或者16s的具體的某個狀態。由表1可知,東西(I)或南北(J)的控制狀態都有3個階段的控制邏輯,分別對應3個時間段:1~3s,4~6s和大于6s,因此,采用數字比較器進行比較,確定定時值小于4s或大于6s,方法如圖7所示,采用4片7485數字比較器,兩兩級聯,其中一個由狀態定時模塊的輸出與4即二進制0100比較;另一個由狀態定時模塊的輸出與6即二進制0110比較。

圖7 7485級聯構成的兩個8位數字比較器
編寫組合邏輯真值表,將狀態信號S,兩個數字比較器的輸出Y1,Y2和1Hz脈沖作為輸入,各個燈的狀態作為輸出。從而根據邏輯關系得出對應時間電路的狀態,控制紅、黃、綠燈處于不同的狀態。S判斷電路處于22s狀態還是16s狀態,Y1,Y2區分東西、南北六個階段狀態,1Hz脈沖實現綠燈閃爍。

2 電路的組構與調試
來用QuartusⅡ軟件設計各個模塊,并進行仿真。確認結果后,下載至FPGA實驗板中,進行相應的硬件調試,調試結果與仿真結果相一致。圖8為仿真波形,系統上電需要調整的過程,因此電路正常工作前重復了22s的狀態。

圖8 狀態定時模塊仿真波形
3 結語
本文利用QuartusⅡ軟件環境下進行了編譯及仿真測試,通過FPGA芯片實現了一個實用的交通信號燈控制系統。由于設計采用了EDA技術,提高了設計的效率和精確度。
核心關注:拓步ERP系統平臺是覆蓋了眾多的業務領域、行業應用,蘊涵了豐富的ERP管理思想,集成了ERP軟件業務管理理念,功能涉及供應鏈、成本、制造、CRM、HR等眾多業務領域的管理,全面涵蓋了企業關注ERP管理系統的核心領域,是眾多中小企業信息化建設首選的ERP管理軟件信賴品牌。
轉載請注明出處:拓步ERP資訊網http://m.sdyuan.com/
本文標題:基于FPGA的交通燈系統控制設計
























