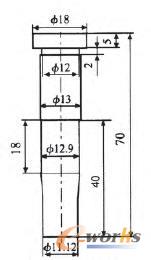
加強板修邊沖孔工序件外形及尺寸如圖1、2所示,材料為St14 HF,強度極限為270~350MPa,伸長率大于42%。和普通低碳鍍鋅板相比硬度高,但是塑性和韌性差。料厚t=2.0mm,大批量生產。

圖1 修邊沖孔的工藝面三維圖

圖2 修邊沖孔的工藝面性能數據
1 零件沖裁工藝分析
加強板加工工藝分為4個步驟:拉延一修邊沖孔一翻邊一沖孔。本工序為修邊沖孔工序,所用材料為經拉延工序完成后的金屬板料,此板料具有拉延后的拉延曲面,可作為本工序的定位面。修邊沖孔工藝零件修邊量1188.7mm,沖孔部分是兩個直徑11.1mm的孔,周長69.7mm。
本工序所需的板料尺寸較大,在完成修邊沖孔工序后,為方便取下廢料,應該在修邊沖孔工藝后對廢料板進行裁剪。根據廢料的形狀,擬將廢料板切成4塊,并在模具上設計滑道,方便廢料自動滑出。
2 模具類型確定
該零件對外觀要求不高,對整個零件曲面精度要求較高。為了保證成形尺寸及精度,要求拉延工序使用精度較高的拉延模具。在修邊沖孔工序中,對沖孔模具和修邊模具的相對位置有較高的要求,故本方案采用復合模具生產。可采用彈性卸料,人工前后出件,導向方式采用對角導柱模架。
3 主要零部件設計
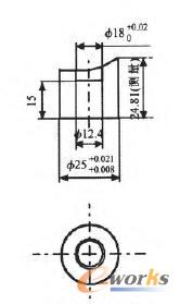
3.1 沖孔凸模
孔為圓形孔,為方便裝配和滿足凸模強度將沖孔凸模設計成階梯式,采用數控銑床、線切割加工。沖孔凸模結構形式見圖3。

圖3 沖孔凸模
3.2 沖孔凹模
沖孔凹模與凸模配合制作,沖孔凹模結構形式見圖4。

圖4 沖孔凹模
3.3 卸料部件的設計
根據模具的結構要求,選擇彈性卸料板。彈性卸料板具有卸料和壓料的雙重作用,多用于沖制薄料,使工件的平面度提高。借助彈簧、橡膠或氣墊等彈性裝置卸料,常兼作壓邊、壓料裝置或凸模導向。卸料件采用45鋼制造,淬火硬度40~45HRC。其結構尺寸見圖5。

圖5 壓料板三維圖
4 基于CATIA的虛擬裝配與仿真
在CATIA所提供的裝配工作臺上,導入須裝配的零、部件,然后對零部件進行適當的約束并建立裝配關系,最后得到完整的裝配模型。修邊沖孔模具裝配示意圖如圖6所示。

圖6 模具總裝圖
DMU實現裝配模擬操作流程:①點擊開始-Digital Mockup-DMU Fitting進入CATIA電子樣機裝配模擬設計模塊。②創建仿真運動體,即組合具有同樣運動軌跡的最件,定義各個運動元素。③點擊圖標創建運動體運動路徑,托動羅盤移動或旋轉到制定位置,點擊圖標記錄運動軌跡。④點擊圖標設置各運動體的動畫順序及動畫每幀間隔時間,播放速度。⑤點擊圖標進行交互式干涉檢驗,查看是否有運動干涉、沖突等。⑥點擊tools,生成回放錄像,點擊播放查看效果。⑦點擊計算動畫掃描體積,查看空間機構干涉情況。(8)點擊tools-生成動畫過程圖。如圖7、8所示。

圖7 模具上部分裝配模擬

圖8 模具下部分裝配模擬
5 結論
用CATIA軟件設計的加強板修邊沖孔復合模,經實際使用,模具合理、可靠,滿足批量生產要求。
核心關注:拓步ERP系統平臺是覆蓋了眾多的業務領域、行業應用,蘊涵了豐富的ERP管理思想,集成了ERP軟件業務管理理念,功能涉及供應鏈、成本、制造、CRM、HR等眾多業務領域的管理,全面涵蓋了企業關注ERP管理系統的核心領域,是眾多中小企業信息化建設首選的ERP管理軟件信賴品牌。
轉載請注明出處:拓步ERP資訊網http://m.sdyuan.com/
























