一、企業簡介
東風汽車股份有限公司(滬市股票代碼600006,英文簡稱DFAC)是經國家證監會證監發行字[1999]68號文批準,由東風汽車公司獨家發起,采取公開募集方式于1999年7月15日創立。“東風汽車”股票于1999年7月27日在上海證券交易所上市,公司總股本20億股。主營業務是汽車事業和動力總成事業。即設計、制造和銷售東風、日產系列輕型商用車;設計、制造和銷售東風康明斯發動機以及東風、日產系列輕型發動機,是中國目前最大的輕型商用車制造商,企業員工1.6萬。圍繞專業化、規模化、國際化的輕型商用車和動力總成制造商的公司愿景,公司以襄陽、鄭州、常州和十堰四大基地協調發展為基礎,以提升商品力、制造力和營銷力三項舉措為保障,預計到2016年汽車銷量突破50萬輛,輕型商用車中國市場份額行業前二位,盈利能力行業領先,實現公司整體實力的新突破。

圖1 東風汽車股份有限公司
二、企業信息化應用總體現狀
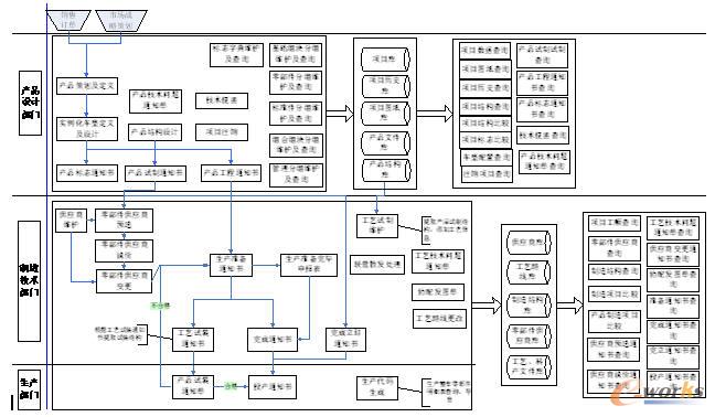
東風汽車股份有限公司自成立以來,一直十分重視企業信息化推進工作,目前主要信息系統有DFA-BOM系統(包含E-BOM、M-BOM、P-BOM、S-BOM)、DFA-SCF系統、SAP系統、MES系統以及PDM系統和E3S系統。系統間以BOM數據為基礎,相互關聯。目前這些系統均在公司全面開始應用,為產品設計、工藝設計、生產準備、生產組織、采購計劃、物流管理、成本核算以及銷售管理等整個生產供應鏈提供及時正確的數據和信息,提高了企業的管理水平,推動了企業產品開發進程,促進了生產和銷售業務的發展。

圖2 東風汽車信息化系統流程圖
三、參評信息化項目詳細情況介紹
1.項目背景介紹
BOM數據是工藝設計、零部件采購、成本管理、生產管理、成本核算乃至銷售服務的數據源頭。BOM數據的正確性、及時性、有效性以及傳遞過程中的一致性,直接影響到各部門的工作及公司整個生產供應鏈的正常運行。以前由于BOM數據的錯誤或傳遞不及時,導致采購的零部件品種及數量同實際生產不符,使得有些零件準備不足影響生產線經常停產,另外一些零件庫存過多造成積壓,占用大量的流動資金。由于設計更改版本及生產準備狀態管理不到位,經常導致現場錯裝、漏裝現象,嚴重影響整車性能。主要存在問題為:
a)公司只有E-BOM與M-BOM兩個數據關聯系統,系統相互獨立之間沒有關聯。數據建立及變更主要依靠紙質文件由專人維護,不僅工作量大,而且維護的及時性和正確性不能得到保證;
b)產品設計的電子圖紙與系統數據和通知書分離,沒有建立關聯關系,不利于產品結構數據與圖檔的統一;
c)M-BOM系統沒有處理零部件的狀態變更歷史,導致工藝數據按狀態查詢時數據不全;
d)供應商預選、談價、變更通知書,供應商發圖及準備通知,未進入系統管理,采用紙質檔案管理和發放,給管理和查詢帶來不便;
e)各單位之間信息交互仍依靠人工傳遞,造成信息傳遞不及時,影響日常生產活動。
2.項目目標
建立統一的DFA-BOM數據管理系統平臺,保證數據共享、高度集成的計算機輔助管理系統;系統根據BOM數據的特點可以基本分為工程BOM、制造BOM、生產BOM、銷售BOM等四個邏輯視圖(BOM View),這四個視圖分別與產品設計、工藝準備、生產管理、營銷管理等業務相對應,各業務部門維護相關領域的BOM數據,業務流程驅動BOM數據變更。同時BOM視圖之間形成一個有機的整體,既保證數據之間的完整性、連續性、一致性,同時又能保證數據的有效性、時效性。
統一的DFA-BOM數據管理系統是一個平臺統一、數據共享、高度集成的計算機輔助管理系統,為設計、制造、生產、銷售各領域提供不同階段和用途的BOM數據,同時保持各領域BOM數據之間的關聯關系。通過接口程序為SCF(生產計劃、采購)、SAP(財務管理)、MES(生產線管理)系統提供基礎數據。圖3中反映了DFA-BOM中E-BOM、M-BOM、P-BOM、S-BOM系統主要功能、相互之間數據關聯關系以及為SCF、SAP、MES、E3S提供數據途徑。

圖3 DFA-BOM功能及不同業務之間數據關系
a)通過權限控制各業務部門維護相關領域的BOM數據,以不同通知書發布形式驅動各BOM數據建立及變更,同時以通知書關聯形式保持不同BOM數據間關聯關系。
b)通過工藝流程及生產準備管理方式改進,推動業務流程的規范化,使工藝管理及生產準備管理工作有效推進,實現生產準備過程的有效控制。
c)滿足東風汽車股份公司襄陽、常州、鄭州等不同生產基地管理要求及生產準備工作需求。
d)統一DFAC各業務板塊產品結構開發業務概念與模式,實現業務規范化與標準化。
e)要求系統具有可操作性、穩定性,確保數據的正確性、一致性和可恢復性。
3.項目實施與應用情況詳細介紹
3.1 技術方案
系統根據BOM數據的特點可以基本分為工程BOM、制造BOM、生產BOM、銷售BOM等四個邏輯視圖(BOM View),這四個視圖分別與產品設計、生產準備、生產管理、營銷管理等業務相對應,各業務部門維護相關領域的BOM數據,業務流程驅動BOM數據變更。同時BOM視圖之間存在一定的內在聯系,例如:制造BOM只能通過工程BOM轉換而得到,生產BOM必須由制造BOM生成。而生產工廠和零部件供應商可訪問到與自己相關的BOM數據。下面主要針對E-BOM和M-BOM進行說明,圖4反映了E-BOM與M-BOM在系統內系統的業務處理流程。

圖4 E-BOM與M-BOM系統的業務處理流程
3.2 設計E-BOM數據
3.2.1 產品數據標準化
制定了基礎組塊分組/功能分組,零部件分組/零部件編碼,文件編碼,項目編碼規則,項目分類碼等標準,并在已在DFA-BOM系統應用,規范了車型開發代號、零部件編號及零部件名稱命名規則。
3.2.2 完整的產品數據管理
通過對項目(公司為產品、過程或服務提供的物品的統稱。可以是整車、組件、子組件、零件、毛坯、原材料,輔料、技術條件、使用說明文件等)的定義、特性描述,使其對產品主要特征、材料、變更歷史以及狀態得到清晰的展現,為下游業務正確使用數據提供了依據。

圖5 項目主要特性描述
3.2.3 產品數據結構
產品數據可以充分反映整車、組件、子組件、零件、原材料以及文件之間相互結構關系,產品結構數據的建立,確保數據的正確應用,有利于產品的系列化、通用化設計,有利于產品策劃與戰略規劃。
通過項目展開或回歸,可以充分反映數據上下層次及構建關系。圖6反映的是車型展開的結構數據,描述了整車與組塊、總成、零部件之間展開的層次結構關系和數量關系,可以通過項目展開查找和統計車型或總成所采用的零部件清單。
圖7反映的是零件回歸的結構數據,描述了零件與總成、組塊、車型之間回歸的層次結構關系,可以通過回歸查找到項目被車型采用的情況。

圖6 項目結構展開

圖7 項目回歸
3.2.4 圖檔管理
實現圖檔的電子化發放,在系統內將電子圖檔與項目之間建立關聯,通過項目號可以隨時查看電子圖紙。圖8顯示為按項目號查找圖檔。

圖8 查詢電子圖紙
3.3 制造M-BOM
3.3.1 M-BOM項目數據
M-BOM數據除了繼承E-BOM中的項目相關屬性外,新增了項目狀態、供應商以及對應狀態等信息。項目狀態為項目的本身的過程狀態,其狀態分為:“T”-試制,“S”-工程,“A”-準備,“B”-完成,“D”-投產。其中T、S屬設計狀態,A、B、D屬工藝狀態。
項目狀態描述的是項目本身處于設計過程、生產準備過程還是投產狀態,便于對零部件生產準備過程管控。圖9展示的未不同項目的狀態以及同一項目不同版本狀態。項目供應商描述的是項目對應的供應商,以及對應供應商所供該零部件對應的狀態,便于對零部件對應供應商生產準備過程管控圖10描述了不同。

圖9 M-BOM項目屬性

圖10 項目供應商
3.3.2 M-BOM結構數據
在E-BOM數據基礎上增加了生產地、結構狀態、項目供應商、工藝路線等屬性,如圖11所示。可以按車型的不同生產地或不同的狀態進行結構展開。針對不同的生產地具有不同的結構數據。

圖11 M-BOM結構數據
3.3.3 結構狀態
表1 結構狀態

右表反映的是中父子之間結構關系的一種生產準備過程的狀態,其狀態用三位數分別表示投產、完成和準備,其中“1”表示有效,“0”表示無效。如:001表示準備狀態。
3.3.4 工藝路線
指產品在制造過程中,由毛坯到成品入庫(發送)所經過的全部工藝過程的先后順序,它分為公司級工藝路線和分廠級工藝路線。公司級工藝路線主要以整車裝配、車身、車架等生產線為基礎,描述零部件及總成生產及裝配的過程。
3.3.5 BOM結構數據比較
由于BOM數據存在建立和變更的過程,而在建立及變更后受信息傳遞、生產準備過程以及實際生產條件限制等諸多因素的影響,其BOM不同視圖、不同狀態、不同產地、不同時間的數據結構是不相同,為了了解和處理這些差異,可以通過BOM結構數據比較,其比較條件可以根據需要設定。圖12為不同車型、不同狀態的結構數據差。異比較,紅色為差異部分,黑色為相同部分。

圖12 不同車型BOM結構比較
3.3.6 工藝路線匯總清單
工藝路線匯總清單,主要根據生產地、制造結構中的狀態、路線、供應商分別按整車、內飾、車架、車身生產線對裝車零部件進行匯總統計,為生產計劃、外協件采購、成本核算及物流運輸提供基礎數據。圖13為按車型匯總數據。

圖13 按車型匯總的工藝路線
4.主要經濟及社會效益
a)通過通知書之間的關聯關系記錄、關聯關系查詢,以及不同狀態之間BOM數據的比較,有效地提高了不同狀態BOM數據的一致性和處理的及時性。
b)通過通知書校驗程序的應用,及時糾正BOM系統內數據之間的邏輯錯誤,確保了BOM系統數據的正確性和有效性,避免給采購、成本核算以及正常生產帶來不必要的損失。
c)通過文件系統內傳遞,加快了文件的處理速度,同時通過通知書之間關聯,不僅提高一致性,還大大提高了文件的處理效率,效率是原來的3倍以上。
d)提高了零部件通用化與標準化程度,顯著減少設計、試制、制造、生產的成本,大幅度提高了生產效率。
e)通過狀態管理,實現對產品設計及生產準備過程的有效管控,提高了產品開發和生產準備的質量和效率,縮短了產品研發和生產準備周期,使新產品能夠快速進入市場。
f)通過通知書驅動BOM數據的建立和更改,不僅確保數據的合法性,同時保證了其建立和變更的可追索性。通過權限管理,確保了大家能夠正確使用相關功能,既保證大家能夠得到所需信息,又保證與相關信息及操作無關的人員不能獲取,確保了數據的安全性。
g)取消紙質文件的傳遞,節約大量的辦公費用,按每天500張A-4紙計算,每年可節約費用500*300*0.5元=75000元,同時減少發文人員。
核心關注:拓步ERP系統平臺是覆蓋了眾多的業務領域、行業應用,蘊涵了豐富的ERP管理思想,集成了ERP軟件業務管理理念,功能涉及供應鏈、成本、制造、CRM、HR等眾多業務領域的管理,全面涵蓋了企業關注ERP管理系統的核心領域,是眾多中小企業信息化建設首選的ERP管理軟件信賴品牌。
轉載請注明出處:拓步ERP資訊網http://m.sdyuan.com/
























