與相對成熟的制造業ERP(entERPrise resource planning,企業資源計劃)相比較,無論是國內還是國外,針對建筑業ERP的研究都非常滯后。建筑業究竟適不適合做ERP,是建筑業施行ERP的首要問題。
1 ERP的概念和核心觀念
ERP主要宗旨是對企業所擁有的人、財、物、信息、時間和空間等資源進行綜合平衡和優化管理。ERP的核心內容是兩個集成:內部集成和外部集成。內部集成是實現產品研發、核心業務和數據采集三方面的集成;外部集成是實現企業與供需鏈上所有合作伙伴的集成。即ERP是一種企業內部所有業務部門之間、以及企業同外部合作伙伴之間信息集成的系統。信息集成是為了實時共享信息,但是如果沒有一個規范化的業務流程,信息是集成不起來的,所以ERP最核心的觀念是圍繞業務流程。
2 建筑業與制造業的流程比較
ERP的形成大致經歷了4個階段:基本MRP階段、閉環MRP階段、MRP-Ⅱ階段以及ERP形成階段。.
2.1基本的MRP
20世紀60年代中期,美國IBM公司的管理專家約瑟夫·奧立佛博士首先提出了獨立需求和相關需求的概念,將企業內的物料分為獨立需求物料和相關需求物料兩種類型,并在此基礎上總結出了一種新的管理理論:物料需求計劃理論,也稱作基本的Ⅷ講。這種理論和方法與傳統的庫存理論和方法有著明顯的不同。其最主要的特點是,在傳統的基礎庫存訂貨點上引入了時間分段和反映產品結構的物料清單BOM(bill of materials),較好地解決庫存積壓、庫存占用資金、產品成本高等問題。由于考慮到產品的結構,產品的形成有一定的層次性,產品在生產時就有一定的組裝順序。只要控制產品的關鍵加工路線就可以控制產品的加工周期。
2.2閉環的MRP
基本的MRP理論考慮了產品結構相關信息和庫存相關信息。但實際生產中的條件是變化的,如企業的制造工藝、生產設備及生產規模、能源供應等都是變化的。因此,利用基本MRP原理制定的生產計劃能不能執行,在MRP系統當中并沒有解決。因為信息流是單向的,與管理思想不一致,管理信息必須是閉環的信息流,由輸入至輸出再循環至輸入端,從而形成信息回路。隨著市場的發展及ERP的應用與實踐,20世紀80年代初在此基礎上形成了閉環的MPR理論:生產計劃與物料需求計劃可以同時考慮。由物料需求計劃所制定的加工計劃在企業內有沒有能力完成,這就是能力需求計劃。能力需求計劃運行的結果:如果有能力完成,就把這個加工計劃執行下去,如果沒有能力完成,就返回去再進一步地修訂物料需求計劃,一直修訂到有能力實施為止。這就是閉環的MRP,它本身是以MRP為基礎的一個封閉系統。即考慮能力的約束,或者對能力提出需求計劃,在滿足能力需求的前提下,保證了物料需求計劃的執行和實現。在這種思想的要求下,企業必須對投入與產出進行控制,也就是對企業能力進行校驗和執行控制。
實際上,在建筑施工中,有著同制造業相同的信息反饋流程:從企業的市場中標、編制工程總計劃、內部招標到編制年、季、月度施工計劃,到具體的實施過程中,如果要很好的達到工程總目標,就得不斷地進行信息反饋、計劃調整、合同變更、施工調整等活動。
2.3制造資源計劃
MRP-Ⅱ是對于制造業企業資源進行有效計劃的一整套方法,它是一個圍繞企業的基本經營目標,以生產計劃為主線。對企業制造的各種資源進行統一計劃和協調控制的有效系統,也是企業的物流、信息流和資金流暢通的動態反饋系統。MRP-H集成了應收、應付成本及總賬的財務管理。采購作業根據采購單、供應商信息,收貨單及入庫單形成應付款信息;銷售商品后,根據客戶信息、銷售訂貨信息及產品出庫單形成應收款信息;根據采購作業成本、生產作業信息、產品結構信息、庫存領料信息等生產成本信息;最后把應付款信息、應收款信息、生產成本信息和其他信息等記入總賬。產品的整個制造過程都伴隨著資金流通的過程。通過對企業生產成本和資金整個過程的掌握,調整企業的生產經營規劃和生產計劃,因而得到更可行、可靠的生產計劃。
同樣,施工企業在與業主簽訂合同后,并按時完成年、季、月度施工計劃時,形成了與業主的應收賬款信息;與供應商簽訂的一系列的工程、勞務、物資等合同后形成了施工企業的應付款信息。與企業的管理成本、利潤、稅金等形成了整個企業的總賬信息。
2.4企業資源計劃(ERP)
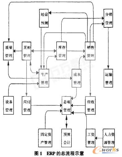
隨著現代管理思想和方法的提出和發展,如JrI’(just in time,及時生產)、TQC(total qu止ty control,全面質量管理)、OFF(optimized production technology,優化生產技術)等現代管理思想及全球信息化的飛速發展,尤其是Intemet的發展和應用,企業與客戶、企業與供應商、企業與用戶之間,甚至是競爭對手之間都要求對市場信息快速響應,信息共享。越來越多的企業之間的業務在互聯網上進行,這些都向企業的信息化提出了更高的要求。20世紀90年代MRP-Ⅱ發展到了一個新的階段:ERP。ERP最重要的特點是對整個供應鏈,即從供應商到生產企業,再到客戶進行全面的管理。簡要地說企業的所有資源包括三大流:物流、資金流和信息流。ERP就是對這3種資源進行全面集成管理的管理信息系統。概括地說,ERP是建立在信息技術基礎上,利用現代企業的先進管理思想,全面地集成了企業的所有資源信息,并為企業提供決策、計劃、控制和經營業績評估的全方位和系統化的管理平臺。ERP的總流程圖如圖1所示。

在建筑業中剔除分銷管理、運輸管理和銷售管理3個模塊,得到類似的管理流程,如圖2所示。

3 結語
建筑業和制造業在管理業務上存在著諸多相似性。ERP在制造業中已得到了廣泛應用,并取得了明顯效益。隨著激烈的市場競爭和信息技術的發展,建筑業的施工管理信息化勢在必行。由上可以得出在建筑業中施行ERP是可行也是必須的。但如何在建筑業中實施ERP,還得做進一步的討論和實現。
轉載請注明出處:拓步ERP資訊網http://m.sdyuan.com/
























