0 引言
汽車行業是我國的支柱產業之一,它在經濟中占有重要的地位。近幾年汽車行業的發展非常迅猛,汽車配件行業也隨之繁榮。浙江省有眾多的汽車零部件生產企業,但這些企業的質量管理還普遍存在很多問題,如數據采集體系不完善、信息流通不暢等。因此需要一套先進的質量管理系統來輔助質量管理。對基于MES(Manufacturing Execution System,即制造執行系統)的質量管理系統,已有學者對其進行了研究。陳冬亮以鋼鐵生產過程制造執行系統為研究對象,對其重要環節質量控制系統的設計進行深入探討和研究。
并運用混合模型法建立與實現了制造執行系統中質量數據采集和質量檢驗子系統。房紀濤等人設計了一種基于MES的質量監控系統,該系統設計了各種基于規則模型的質量控制圖,能運用規則集合來提供專家解釋。呂軍根據杭州汽輪機股份有限公司葉片車間的實際狀況,研究和探討了基于MES的車間質量管理系統,利用智能開發工具GeneXus開發了質量管理系統。劉曉冰等人設計了基于MES的動態質量控制系統,能通過質量設計、執行、評估和改進四個層次的質量控制,實現鋼鐵生產過程的在線動態調整。而對于MES可視化實現方面,國內外的研究主要集中在裝配過程和計劃調度可視化等方面,在可視化技術與質量管理過程相結合方面的研究成果還比較少,同時這也成為企業成功實施質量控制無法避免的一個障礙。因此結合某減震器企業質量管理的實際需求,在現有基于MES的質量管理和可視化技術的基礎上,對可視化質量管理系統的需求進行研究分析。
1 某減震器企業質量管理需求
杭州某減振器企業的產品品種多,產品的型號也多;該企業屬于連續和離散混合型企業,對企業的質量管理技術和方法要求高。通過調研發現該企業質量管理方面存在以下需求:
1)提高企業競爭力的需求。雖然該企業設有質量管理的專門工作部門,但這些工作部門的主要業務多半陷入應對事后的質量問題查處,對已有的質量數據分析不夠深入。所以需要一個自動化和智能化的質量管理系統來提高企業競爭力。
2)質量管理過程的可視化需求。現有的質量管理系統交互性差,顯示的結果比較抽象,難以發現隱含信息,而質量管理過程是要根據特定目的進行數據篩選、分析和控制。可視化最大的特點就是過程的交互性和結果的圖形化,通過可視化質量管理系統實施,可以達到對質量數據的交互操作。
3)處理海量實時數據的需求。該企業客戶數量大、產品種類多、質量信息變化快且來源多,管理者如不能及時地接收這些信息,企業的生產經營將會蒙受損失。所以企業的質量管理系統要能及時正確地傳達和響應質量信息。
2 可視化質量管理系統基本功能需求概述
基于MES的可視化質量管理系統基本功能如圖1所示。

圖1 基于MES的可視化質量管理系統的基本功能
1)系統管理。系統的基本維護和管理,主要功能包括用戶管理、密碼管理、權限管理,用戶管理主要是對系統使用人員進行管理,可以對用戶進行增加或刪除,密碼管理給用戶提供修改密碼的功能。
2)實時數據采集。質量數據是實施質量管理的依據,實時而有效的質量數據是質量管理的基礎。
3)質量標準可視化。將質量標準文件、產品標準、制造標準和檢驗標準等可視化呈現出來,以方便操作和管理人員理解和使用。
4)質量檢驗可視化。將在線質量檢驗和產品處理的結果用可視化界面呈現出來,以便管理人員準確做出決策。
5)質量統計與分析可視化。準確分析制造系統的性能并查找制造過程中的問題,減輕人工管理的工作量,便于管理者接受和理解質量數據背后隱含的信息。
6)質量追溯可視化。通過可視化界面直觀地呈現質量問題根源,以實時糾正制造系統中的故障。
7)質量診斷與改進。對于質量在檢驗、分析和追溯過程中發現的問題,采用相關的質量診斷方法分析問題產生的原因,反饋給生產系統進行質量改進。
3 可視化質量管理系統各模塊的需求分析
良好的需求分析和軟件設計過程不僅可以提高軟件開發效率,也是確保軟件產品正確、可靠的基礎,因此在系統設計的初期必須進行全面的系統需求分析,以提高軟件系統的質量。需求分析包括功能和數據需求分析。前者是要明確客戶的功能要求;后者則是幫助梳理功能需求分析和構建數據庫服務的。
3.1 質量標準可視化
質量標準是制造過程的依據,在該減震器企業中,這些標準存儲在多個系統中,質量文件(國際標準、國家標準、行業標準等)和產品的質量要求(合同規定等)存儲在ERP系統中,工序質量標準(工序質量參數、工序檢驗標準等)由CAPP系統提供,質量檢驗時需要從ERP或CAPP中查找這些標準,既不方便也不直觀,所以這蜂標準要通過MES來發揮作用。系統中可視化質量標準模塊應滿足一下功能:
1)接收ERP和CAPP的質量標準。可視化質量管理系統提供MES與ERP、CAPP系統的數據接口,實時讀取質量文件和標準,為質量標準的傳達和查詢提供支持。
2)質量標準的可視化轉換。將接收到的質撼標準進行可視化轉換,借助圖形進行可視化解釋,以簡單明確的方式表達標準的具體意義。
3)質量標準的可視化呈現。通過電子看板、作、業指導書等方式將可視化的質量標準傳達給作業者,使操作者方便迅速使用質量標準,提高制造和檢驗的效率。
該模塊的輸入數據,根據其來源和功能分為質量文件信息、產品質量要求信息和工序質量標準信息,如表1所示。
表1 質量標準數據需求

3.2 質量檢驗可視化
可視化質量檢驗就是將在線質量檢驗的結果通過可視的圖像直觀地呈現檢驗結果,方便操作和管理人員對合格品和不合格品分別進行控制,實時監測制造過程中的質量狀況,充分發揮質量檢驗的把關、預防和報告職能。質量檢驗可視化模塊應實現以下功能:
1)接收原材料檢驗、工序質量檢驗和成品檢驗的數據。提供與檢驗設備的接口和檢驗數據的輸入界面,詳細記錄檢驗數據,以備以后質量追溯和分析。
2)可視化原材料檢驗、工序質量檢驗和成品檢驗結果。將檢驗數據與質量標準對比后,將檢驗結果以圖表的形式呈現給管理人員。
3)檢驗結果管理。對于檢驗后的合格品,生成質量保證記錄。對于不合格品,記錄工序超差詳細信息(工件號、操作員、日期、超差原因和處理結果等),按不合格品審理程序處理,對工件進行返修或廢品處理,并生成返修通知單、返修工藝處理單或廢品通知單等。
4)檢驗記錄及質量保證書。生成檢驗記錄、檢驗證書和質量保證書等。
該模塊需要輸入的數據,按類型分為檢驗設備數據、原料檢驗數據、工序檢驗數據、入庫檢驗數據,如表2所示。
表2 質量檢驗數據需求

3.3 質量統計與分析可視化
可視化質量管理系統需要能通過將檢驗數據進行可視化統計與分析,幫助管理者方便的了解生產過程的受控程度以及工序過程能力是否足夠,以便及時發現質量問題,然后通過新老七種工具等質量手法分析問題的原因,反饋給生成系統,用于質量改進,以達到穩定的受控狀態和合適的工序能力。
1)可視化車間控制狀態。“事前預防”是提高質量水平的有效方法,可視化車間控制狀態需要實時了解車間受控狀態,對于異常及時發出預警,并給出分析建議。
2)可視化過程能力。在制造過程穩定的情況下,對工序過程能力進行分析,判斷生產過程質量是否與設計的質量要求相符,并通過可視化的界面指導工序過程調整。
3)可視化質量分析。分析質量檢驗和質量統計中發現的問題,并以可視化的方式呈現問題的原因,給出改進建議。
該模塊的輸入數據包含工序狀態和原因分析數據,如表3所示。
表3 質量分析數據需求

3.4 質量追溯可視化
質量追溯是針對質量檢驗、質量分析或者產品使用過程中發現的問題,可提供對制造過程中參數追蹤的功能,這對于查找制造過程中的系統故障、落實質量責任有重要意義一。然而該企業質量信息并不完整,有些信息留存于紙質形式,導致質量追溯難以進行。
因此質量追溯可視化功能應實現以下功能:
1)產品訂單追溯。系統需要提供追溯產品訂單信息的功能,這些信息包括訂單號、客戶名稱、日期、產品型號、產品規格等。
2)產品質量標準追溯。質量標準追溯既包括國家標準、國家標準、行業標準等的查詢,還包括具體產品的工藝質量設計追溯如標準的制定時間、制定人、加工參數等。
3)制造信息追溯。產品制造過程中具體參數的追溯,包括工序編號、工序名、設備編號,操作員,時間、設備狀態等。
4)檢驗過程追溯。追溯質量檢驗過程中的數據,包括檢驗設備、檢驗員、質檢報告編號、實測數據和審核標志等。
該模塊的輸入數據主要包含訂單、原料、工藝以及檢驗追溯數據,如表4所示。
表4 質量追溯數據需求

4 系統總體方案設計
4.1 基于MES的可視化質量管理系統功能模型
在前文分析的基礎上。結合可視化質量管理系統架構和質量管理的流程,給出基于MES的可視化質量管理系統的功能模塊,如圖2所示。

圖2 基于MES的可視化質量管理系統功能模塊
4.2 可視化質量管理系統的IDEFO模型
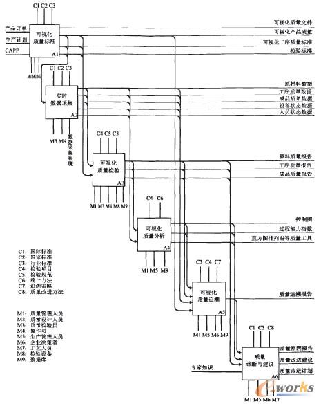
系統采用軟件開發中常采用IDEF建模方法。基于MES的可視化質量管理系統IDEFO模型如圖3所示,表示整個可視化質量管理系統與外界之間的輸入信息、輸出信息、控制信息和支持機制。

圖3 基于MES的可視化質量管理系統IDEFO模型的頂層圖
可視化質量管理系統整體功能的IDEFO模型如圖4所示,模型由可視化質量標準、實時數據采集、質量的可視化檢驗、可視化分析、可視化追溯和質量診斷與改進措施六個部分組成,表示了可視化質量管理的實現流程和各個模塊之間的信息交換。
5 結論
針對某汽配企業車間生產的實際狀況以及存在的問題,分析了車間質量管理系統的整體需求,詳細研究了可視化質量管理系統的各個子模塊的功能需求和數據需求。最后,給出了系統的功能模塊樹,并用IDEFO方法建立了系統的功能模型。

圖4 可視化質量管理系統整體功能的IDEFO模型
轉載請注明出處:拓步ERP資訊網http://m.sdyuan.com/
























