0 引言
數控技術作為機電一體化技術中的一個重要分支。它的發展水平直接決定著一個國家裝備造業的水平,同時也影響著其它眾多領域的技術發展水平,因此是國家發展中具有戰略地位的技術。從微觀層面上講,數控機床本身就是集機械、電子、液壓和氣壓等關鍵技術為一體的自動化應用設備,要讓機床準確按照操作人員的指令完成工件加工,除了準確的零件加上程序外,控制機床各個動作的PLC程序也至關重要。目前國內市場上普遍使用的FANUC 0i系統是面向機床控制的專用PLC裝置,與傳統PLC既有相同的地方.也有很多特殊的控FANUCPMC的控制原理和普通PI。C相同的是,采用循環掃描工作方式對輸入點進行采樣,經過程序邏輯處理后,輸出給外圍電氣執行動作。而它們的區別是,對于PMC在數控車床的應用來說信號地址可以分成大類:機床與PMC間的信號(X、Y)和數控系統與PMC間的信號(G、F)。
FANUC PMC的信號種類如圖1所示。G、F地址由系統廠家確定,編程人員只可使用,不可改變或增刪。機床操作面板上的按鍵信號和狀態信號(如機床工作模式的設定、進給倍率的設定、主軸倍率的設定和進給軸的選擇等信號)都是通過PMC的x地址輸入到PMC。而機床的工作狀態和某些控制信號(如機床操作面板上的指示燈、刀架的換刀與鎖緊、主軸的正反轉等信號)都是通過PMC的Y地址輸出到機床的。由程序設計員編寫的PMC程序,對機床輸入信號進行運算后通過G地址由PMC輸入到系統,數控系統的狀態信號通過F地址由系統輸出到PMC。只有少數高速信號(如機床回零減速信號、機床急停信號等)是通過x地址直接輸入到數控系統,而不通過PMC,以此來提高響應速度。PMC掃描過程如圖2所示。在PMC執行掃描過程中第1級程序每8 ms執行1次,而第2級程序在向CNC的調試RAM中傳送時,第2級程序根據程序的長短被自動分剖成n等分,每8ms中掃描完第1級程序后,再依次掃描第2級程序,所以整個PMC的執行周期是n×8ms。

圖1 FANUC PMC的信號種類

2 典型控制程序設計
實踐過程中,發現PMC對通用型臥式數控車床的控制一般都包含這些方面:機床工作方式、急停、切削倍率、主軸倍率、主軸電機、輔助功能、冷卻電機、刀架電機和潤滑電機等。通過以下幾項功能的設計,可發現FANUC系統的PMC控制原理。
2.1 機床工作方式的控制
數控車床工作方式包括編輯方式、自動方式、手動數據輸入方式(MDI)、手輪方式和回零方式。為了準確地切換方式,采用數字式波段開關作為信號輸入點來設計。機床工作狀態由系統的PMC信號G信號通過組合來確定,機床工作方式梯形圖如圖3所示。系統工作狀態與信號的組合按表l進行控制。表1中的“1”為信號接通,“0”為信號斷開。圖3中X0.0,X0.1,X0.2,X0.3四個輸入信號代表面板波段開關的輸入信號。G43.0,G43.1,G43.2,G43.5,G43.7分別對應于MD1,MD2,MD4,ZRN,DNCI信號。程序設計的原理是通過將波段開關轉換過程中的輸入信號進行邏輯處理,然后輸出對應的G信號給數控系統,最終實現工作方式叨換。

圖3機床工作方式梯形圖

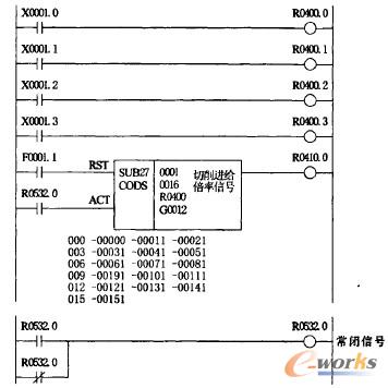
2.2 G01速度倍率的處理
加工過程中,操作人員根據工況調整加工速度,在程序不修改的條件下,倍率旋鈕的調節頗為重要。速度倍率功能的設計,采用了一個倍率旋轉開關,通過進給速度倍率開關選擇百分比(%)來增加或減少編程進給速度,切削進給速度倍率信號共有8位二進制編碼信號(倍率值在0~254%內以1%為單位選擇),G01速度倍率控制梯形圖如圖4所示。FANUC 0i系統切削進給速度倍率信號地址為G12。倍率開關采用數字式波段開關,倍率開關的輸入信號地址為X1.0,X1.1,X1.2,X1.3,通過代碼轉換指令CODB把開關位置指定表格的數據轉換成二進制數值傳送至G12中。由于切削進給速度倍率信號為負邏輯控制,所以表格數據用負數表示,負數在二進制中以補碼表示,倍率值為0~150%。

圖4 G01速度倍率控制梯形圖
3 PMC的故障診斷方法
由PMC控制的輸入輸出故障是數控機床運行過程中最常見的故障。利用PMC進行故障診斷,首先要找出各個故障點對應輸入輸出信號,進而查詢梯形圖中的邏輯處理,“順藤摸瓜”地一步步往上查。最終確定故障原因。如圖5所示,操作人員按機床面板+X按鈕想讓刀架往+X方向運行,但機床不動。對于這類故障,一般的診斷流程是3種:
3.1 打開梯形圖界面。搜索信號G10 0.0
G10 0.0是發動給數控系統的+X方向控制信號,在線診斷該信號顯示為低電平,沒有輸出,說明信號R203.1沒有導通。
3.2 查R203.1線圈信號
按如圖6所示的檢索情況,發現按動面板+X按鈕信號X29.4無變化,則輸入信號沒有接收到。

3.3 查機床電氣原理圖
機床電氣原理圖詳細繪制了機床各個模塊之間的連接關系,是機床維修人員的重要工具。通過查找測量,發現+X運行失效的原因是面板后面的控制信號線斷線,經過處理故障排除。
4 結束語
數控機床是集成度較高的自動化系統。通過對具體問題的分析,可以發現通過研究數控機床PLC程序,一方面有助于數控機床故障的定位。特別是在定位數控機床外圍故障上,這種方法有著積極的作用;另一方面可以通過修改PMC程序和參數來修正、改善數控機床的功能,提高數控機床的性能。
核心關注:拓步ERP系統平臺是覆蓋了眾多的業務領域、行業應用,蘊涵了豐富的ERP管理思想,集成了ERP軟件業務管理理念,功能涉及供應鏈、成本、制造、CRM、HR等眾多業務領域的管理,全面涵蓋了企業關注ERP管理系統的核心領域,是眾多中小企業信息化建設首選的ERP管理軟件信賴品牌。
轉載請注明出處:拓步ERP資訊網http://m.sdyuan.com/
本文標題:面向數控機床的PLC技術研究與應用
























