0 前言
可編程控制器( PLC) 是上世紀60 年代發展起來的一種新型自動化控制器。最早是用于替代傳統的繼電器控制裝置, 功能上只有邏輯控制、計時、計數以及順序控制等, 而且只能進行開關量控制。隨著技術的進步, PLC吸取了微電子技術和計算機技術的最新成果, 發展十分迅速, 其控制功能已遠遠超出邏輯控制的范疇, 從單機自動化、生產線的自動化, 到整個工廠的生產自動化, 從柔性制造、工業機器人到大型分散型控制系統, PLC均擔當著重要角色。PLC、數控技術和工業機器人已成為機械工業自動化的三大支柱。
PLC與數控技術的結合產生了各種不同類型的數控設備, 如復雜的數控加工中心, 簡單的激光淬火用X2Y數控平臺, X2Y繪圖儀。如兩軸運動的X2Y數控裝置, 不但有著廣泛的工業應用, 而且在高校數控實踐教學中也是典型的實驗設備。它一般由兩個步進電機驅動, 可以沿X軸方向和Y軸方向運動, 用單片機或PLC編程控制其走出不同的運動軌跡。本設計用西門子S72200PLC控制數控平臺, 用PC機作上位機構成控制系統, 通過直線插補、圓弧插補運算實現數控平臺按規定的軌跡運動。
1 數控平臺控制系統
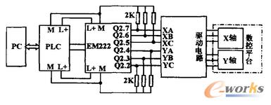
用西門子S72200PLC (CPU226模塊) 作控制器,由于現有的PLC主機模塊為繼電器輸出型, 24 點輸入16點輸出, 接交流220V電源工作, 繼電器輸出不適合步進電機控制的大量、快速脈沖輸出, 故擴展一個晶體管輸出型EM222 模塊作輸出口。EM222 模塊有8個輸出點, 一邊4個點, 模塊要外接電源才能工作, 一般只要直接接PLC主機模塊的24V 直流輸出就行, 也可以用+ 5V電源, 但要注意與驅動電源共地的問題。驅動數控平臺的兩個步進電機型號為45BF005Ⅱ, 是三相反應式步進電機, 步距角115°, 相電流215A, 驅動電壓直流24 ~40V。X軸步進電機三相XA~XC接EM222輸出點的Q217~Q215, Y軸步進電機三相YA~YC接EM222 輸出點的Q214 ~Q212。輸出點通過一大電阻接地M, 使其與EM222 內部晶體管輸出電路L+(24V) 、M形成完整回路, 能保證輸出信號的確定。
PC機作上位機, 設計人機接口界面, 數據輸入,數控插補運算, 仿真動態顯示插補運動軌跡, 并將插補運動軌跡控制信息傳給PLC, 由PLC控制步進電機運動。驅動電路就是功率放大, 使步進電機獲得所要求的相電流和驅動電壓。

圖1 數控平臺控制系統
2 插補運算
PC機界面友好, 數據輸入方便, 插補運算速度快, 插補軌跡顯示直觀生動, 利用PC機強大的軟硬件功能完成這些任務彌補了PLC的不足。一般的零件輪廓大都可以分解為直線和圓弧, 用VB編程, 采用逐點比較法設計直線插補和圓弧插補運算程序。無論圖形在哪個象限, 插補運算的結果就是產生步進電機的運動控制信息, 一是運動軸, 二是在該軸的正或負方向運動。PC機插補運算一步, 實時地將插步結果的運動控制信息傳送給PLC, PLC根據PC機傳來的控制信息驅動相應的步進電機運動。PC 機傳給PLC的運動控制信息分下面幾種情況:
MSComm1 1Ou tp u t = " 1 " + " 1 " + " 0 " +
Ch r $ ( &HA ) - - - - - - - - - - +X方向走一步
MSComm1 1Ou tp u t = " 1 " + " 2 " + " 0 " +
Ch r $ ( &HA ) - - - - - - - - - - - X方向走一步
MSComm1 1Ou tp u t = " 2 " + " 3 " + " 0 " +
Ch r $ ( &HA ) - - - - - - - - - - + Y方向走一步
MSComm1 1Ou tp u t = " 2 " + " 4 " + " 0 " +
Ch r $ ( &HA ) - - - - - - - - - - - Y方向走一步
MSComm1 1Ou tp u t = " 0 " + " 0 " + " 6 " +
Ch r $ ( &HA ) - - - - - - - - - - 停止信號
實際上就是PC機與PLC之間的通信數據協議問題, PC機實時傳送的數據由4 個字節組成, 分別為軸、軸的運動方向、停止信號、最后是結束符0AH,數據格式如下:

圖2 通信數據格式
第一個字節表示運動軸, 字符1 (傳ASCII碼31H) 為X軸, 字符2 (傳ASCII碼32H) 為Y軸。第二個字節表示運動方向, 字符1為+ X方向, 字符2為- X方向, 字符3為+ Y方向, 字符4為- Y方向。第三個字節表示停止信號, 字符6 表示插補結束, 關閉步進電機。第四個字節為結束符0AH, PLC以接收到0AH為標志, 認為本次數據接收完畢。
3 PLC控制程序
3.1 接收數據
按照通信協議, PLC處于接收數據狀態。用接收指令RCV VB100, 0, 將接收到的數據存放在PLC接收緩沖區VB100 開始的存儲區, 接收緩沖區與插補控制信息的對應關系如圖3所示。

圖3 PLC接收數據緩沖區
3.2 通信及初始化設置
S72200PLC與PC機通信采用自由端口通信模式, 通信參數為波特率9600bp s, 每個字符8位數據位, 無奇偶校驗。采用報文接收, 一次接收多個字節, 這時需要設置特殊存儲器字節SMB87 ~SMB94及脈沖分配要用到的幾個寄存器。通信與初始化設置程序如下:
LD SM011 / /首次掃描為1
MOVB 16#09, SMB30 / /初始化自由口通信參數
MOVB 16#B0, SMB87 / /RCV信息控制字節
MOVB 16#0A, SMB89 / /結束符為16#0A
MOVW + 1, SMW90 / /空閑超時為1ms
MOVB 100, SMB94 / /最大字符數為100
MOVB 1, VB400 / /X軸脈沖分配移位寄存器
MOVB 1, VB500 / /Y軸脈沖分配移位寄存器
MOVB 0, VB300 / /移位寄存器的移入數據
MOVB 0, AC1 / /X軸的時序脈沖記數器
MOVB 0, AC2 / /Y軸的時序脈沖記數器
ATCH INT_ 0, 23 / /報文接收結束中斷事件
EN I / /允許中斷
RCV VB100, 0 / /執行接收指令, 接收緩沖區
指向VB100
3.3 脈沖分配
對三相步進電機的控制, 有單三拍、雙三拍和單、雙六拍通電方式, 我們采用六拍通電方式。改變通電順序就改變了步進電機的旋轉方向, 數控平臺的移動方向就改變了。如何用PLC產生六拍時序脈沖及改變通電順序, 實現數控平臺沿X、Y軸正確移動是PLC控制程序的關鍵。
以X軸步進電機為例, 用移位寄存器指令SHRBV30010, V40010, + 7 對VB400 移位產生六拍時序脈沖, 初始化時VB300 為0, VB400 為1, 執行一次移位將V30010 位的值從V40010 位移入, + 7 表示VB400中參與移位的7 位為V40010 ~V40016。用VB400中的六位V40011 ~V40016 產生六拍時序脈沖, 每移位一次為一拍, V40011~V40016前移一位,在V40011~V40016中每次總有一位為邏輯1, 其它位為邏輯0, 如第一次移位后V40011 ~V40016 等于100000, 邏輯1就代表著當前拍所在位置。移位六次為一循環, 反復進行。
每一拍X 步進電機三相的通電情況用M110、M111和M112存儲, M110、M111 和M112 組成三相單、雙六拍環形脈沖分配器, 在V40011 ~V40016產生的六拍時序脈沖的作用下, M110、M111 和M112的通電順序為: M110→M110、M111→M111→M111、M112→M112→M112、M110。
步進電機的正反轉控制用4 個控制開關實現,Q013作X軸正轉開關, Q013 = 1正轉, Q014作X軸反轉開關, Q014 = 1 反轉, Y軸類似, 用Q015 和Q016。
用Q217、Q216和Q215輸出控制信號到X軸步進電機XA、XB和XC三相, 當Q013 閉合時X軸正轉, X步進電機的通電順序為A→AB→B→BC→C→CA→A, 循環。即:
Q217→Q217、Q216→Q216→Q216、Q215→Q215→Q215、Q217→Q217, 循環。
當Q014閉合時X軸反轉, X步進電機的通電順序為B→BA→A→AC→C→CB→B, 循環。即:
Q216→Q216、Q217 → Q217 →Q217、Q215 →Q215→Q215、Q216→Q216, 循環。將以上時序脈沖的產生及脈沖分配各控制元素的狀態總結為表1。相應的脈沖分配梯形圖見圖4所示。


圖4 軟件脈沖分配梯形圖
3.4 PLC控制程序
PLC采用報文接收方式接收PC機實時傳送來的數據, 接收到的數據存入緩沖區VB100。初始化程序中已用中斷連接指令ATCH INT_0, 23 將報文接收完成中斷(中斷號為23) 連接到用戶中斷處理程序INT_ 0。PLC每接收到一次PC機傳送的數據, 響應一次中斷并立即執行用戶中斷處理程序INT_ 0。在中斷處理程序中首先對接收到的數據進行判斷, 根據VB102中的值判斷是X或Y軸朝正、負哪個方向運動, 并將此次運動方向開關Q013 ~Q016 之一置邏輯1。然后根據VB101 中的值判斷是X或Y軸的哪個軸運動, 如是X軸運動, 則X軸計數一拍(無論是+X方向還是- X方向) , 執行移位寄存器指令產生時序脈沖, 并進行軟件脈沖分配, 從Q217~Q215輸出X軸步進電機走一步的控制脈沖, 完成一拍的動作。接著判斷X軸方向是否走了六拍, 如果已走完六拍, 要回到下一個六拍的起始拍, 在程序中就是重新初始化X軸計數器AC1為0, 移位寄存器VB400為1。Y軸的運動程序類似, 只是所使用的存儲器不同而已。PLC的控制程序流程圖如圖5所示。

圖5 PLC控制程序流程圖
4 結束語
西門子S72200PLC數控平臺控制系統, 集計算機、通信、數控、機電傳動于一體, 不但作為高校智能綜合實驗設備可廣泛應用于學生大型綜合實踐環節、畢業設計及應用課題開發, 而且其控制系統的設計思想和方法可以直接用于工業自動化裝置及一些數控系統。
核心關注:拓步ERP系統平臺是覆蓋了眾多的業務領域、行業應用,蘊涵了豐富的ERP管理思想,集成了ERP軟件業務管理理念,功能涉及供應鏈、成本、制造、CRM、HR等眾多業務領域的管理,全面涵蓋了企業關注ERP管理系統的核心領域,是眾多中小企業信息化建設首選的ERP管理軟件信賴品牌。
轉載請注明出處:拓步ERP資訊網http://m.sdyuan.com/
本文標題:數控平臺PLC控制系統的開發
























