1 作用分析
本文主要以數控機床中的PLC為例,簡要介紹一下PLC在數控維修過程中的作用。
(1)PLC的含義和作用 PLC是采用模塊化的設計,編程語言標準有五種:①順序功能圖 (SFC)。②功能塊圖 (FBD)。③指令表 (IL)。④結構文本(ST)。⑤梯形圖 (LD)。其中普遍采用梯形圖編程,因其簡單、直觀、明了。PLC硬件與計算機硬件結構相似,根據結構形式的不同分為整體式和模塊式。PLC由CPU板、輸入輸出板、電源板、功能模塊板組成。PLC在數控系統中,控制著機床的各種開關、繼電器及定時器的動作,故在日常工作中出現故障的幾率也較大。
(2)PLC的性能特點 PLC包括軟件和硬件兩部分。硬件主要包括中央處理器、存儲器、輸入單元、輸出單元、電源單元、編程器、編程器接口及擴展接 口 存 儲 器 接 口 等。中 央 處 理 器 (CPU)是PLC的運算和控制中心,完成各種運算和協調系統各部分的工作。CPU的運算速度取決于芯片的位數;存儲器用于存放程序和數據,包括系統存儲器和用戶存儲器,有三種類型即RAM、EPROM和EEP-ROM。RAM是用CMOS電 池 作 后 備 電 源,EPROM、EEPROM是可擦寫存儲器,EPROM需專用擦除器,EEPROM采用電擦除。I/O單元是與外部連接的接口,接收和輸出信號必須經過此單元處理才能執行。電源單元,PLC一般用市電,也有用24VDC電源供電。PLC軟件包括監控程序和用戶程序。監控程序是用于PLC本身的運行,包括系統管理程序,用戶指令解釋程序,標準程序和系統調用模塊;用戶程序是用戶自行編制的用于對具體生產過程的控制,一般以梯形圖較多。
(3)PLC的軟件控制原理以梯形圖的形式簡要介紹一下PLC的軟件控制,PLC簡單地說就是控制繼電器的輸入、輸出,包括輸入繼電器、輸出繼電器、定時器、計數器、輔助繼電器、狀態繼電器及數據寄存器等。
數控機床中的PLC、機床與CNC之間的關系如圖1所示。

圖1
從機床側至PLC的輸入信號地址為X,從PLC至機床側的輸 出 信 號 為Y, 從PLC至CNC系統地址為G,從CNC至PLC地址為F。梯形圖能較方便地為用戶查找故障點,使故障直觀明了。通常梯形圖上的地址信號通過結合電路圖和機床接口信號地址表綜合查找,較容易確定故障部位。使之判斷故障到底是由PLC引起的還是機床、CNC系統等引起的。只有熟練地運用PLC,認真分析電氣圖樣,才能做到故障查找迅速準確,避免不必要的麻煩。
2 故障診斷與維修
在維修數控機床時,首先根據經驗觀察故障出在哪里,是由機床還是NC系統引起的;其次對照電路圖和PLC梯形圖查找相應的故障部位。PLC形象地說就是一些開關、繼電器及電磁閥等部件輸入、輸出信號的控制總成。通常電動機、控制單元及伺服單元的故障PLC是不能控制的。PLC對機床的正常運行起著至關重要的作用。梯形圖由觸點、地址名稱 (輸入/輸出端子)連接而成。輸入端在左邊,輸出端在梯形圖的右端,查看梯形圖時從左往右,從上往下的順序。地址信號通常都在紙質梯形圖上標注出來,便于歸類查找。FANUC 0i系統的PLC主要以梯形圖的形式表示,較容易理解。
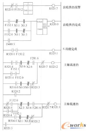
舉例:我 所HAAS VF-3加 工 中 心 是 一 臺FANUC 0-M數控系統。在加工過程中主軸突然換高低擋 時,出 現 “SP SHIFT FAIL(主 軸 換 擋 失敗)”的報警,主軸停轉。換擋原理是主軸經電動機傳動,由電磁閥通過壓縮空氣撥動變速箱的滑移齒輪進行高低兩個擋位的轉換,每個擋位都是無級調速,這種結構既增加了主軸的扭力,又使主軸能以3000r/min高速旋轉。此時借助梯形圖 (見圖2),就能較方便地找出主軸不換擋的故障所在。

根據電路圖中找出齒輪換擋報警處的繼電器代號R520.7,通 過 梯 形 圖 可 知,控 制R520.7信 號 有R520.0、F150.2、SUBTMR按梯形圖從后往前找,控制R520.0的信號有F152.1、X0.1、X0.3、F152.0及D480.5等,另主軸在高速或低速時其控制信號有光標閃爍 即 有 故 障 產 生。控 制 高 速 的 信 號R520.2有R520.4、F152.1、X0.6、X2.3及R520.7等;控制低速R520.3信號有R520.4、F152.0、F152.1、X0.6、X2.3圖2及R516等。R520.7(GSAL)是齒輪換擋報警繼電器信號;R520.0(GSFIN) 是 齒 輪 換 擋 完 成 信 號;F150.2(SF)是輔助功能完成信號 (高速接口運行信號);TMR是定時器信號;R520.2(SPGHI)主軸高速擋繼電器信號;R520.3(SPGLO)主軸低速擋繼電器信號結合電路圖逐級查找。在高速換低速時R520.7顯示 光 標 閃 爍,出 現 故 障。控 制R520.7信 號 有R520.0、F150.2、SUBTMR(定 時 器 )。R520.0(GSFIN)是齒輪換擋完成信號;要使齒輪換擋信號正常,就 必 須 使D480.5和X0.1,X0.3信 號 正 常。D480.5是電磁閥控制信號,經檢查該電磁閥由于閥芯發生粘連,在高低換擋時無法正常動作,至使換擋失敗。更換后正常。
3 結語
通常,一臺數控機床的數控系統出現故障后應先了解其發生的原因,認真分析,再通過 “診斷”功能,結合梯形圖,查找起來就比較容易。只有不斷積累經驗,才能在實際工作中游刃有余。
核心關注:拓步ERP系統平臺是覆蓋了眾多的業務領域、行業應用,蘊涵了豐富的ERP管理思想,集成了ERP軟件業務管理理念,功能涉及供應鏈、成本、制造、CRM、HR等眾多業務領域的管理,全面涵蓋了企業關注ERP管理系統的核心領域,是眾多中小企業信息化建設首選的ERP管理軟件信賴品牌。
轉載請注明出處:拓步ERP資訊網http://m.sdyuan.com/
本文標題:PLC在數控機床維修中的作用
























