滾齒機床是通過展成對齒輪進行加工,主要通過6 根轉動軸的相互配合形成加工軌跡,完成齒輪加工。隨著電機驅動技術的發展,現代滾齒機床各轉動軸均由伺服電機直接驅動,采用所謂電子齒輪技術,這對數控系統的開發提出了新的要求。i5 數控系統是沈陽機床廠自主開發的數控系統,能夠進行切削、銑削等加工,但該系統目前尚不支持滾齒加工控制,本文將進行滾齒機數控系統的開發。Virtuos 軟件是 ISG 公司最新推出的硬件在環仿真軟件,國內尚無學者對其進行介紹和運用。由于沈陽機床廠目前尚無滾齒機物理機床,為了節約企業開發成本,提高開發效率,本文將利用 Virtuos 軟件運用硬件在環仿真技術進行滾齒機數控系統的開發。
1 基于虛擬樣機的滾齒機數控系統開發流程
基于虛擬現實技術的虛擬制造( Virtual Manufacturing) 技術在統一模型之下對設計和制造等過程進行集成,它將與產品制造相關的各種過程與技術集成在三維的、動態的數字模型之上。現代機床設計已經不僅僅是運動、功能和強度的設計,還必須考慮所設計的機床動態性能如何,甚至在機床沒有制造出來以前就能夠進行虛擬加工,預測其動態性能,這就要借助虛擬機床來進行仿真。利用數控系統、機床和加工過程三者的協同仿真模型,可以預測機床在當前加工條件下的工件表面質量和加工過程的穩定性。目前市面上的虛擬機床仿真解決方案需要在多個軟件中進行處理,要花費大量時間建立模型和處理轉換工作,建立起的虛擬機床也不能直接和真實數控系統結合建立起 HIL 仿真環境。德國斯圖加特大學機床與控制技術研究所( ISW) 及其工業控制技術公司( ISG) 開發的 Virtuos 虛擬機床仿真軟件,是在一個平臺下建立包含機電耦合的虛擬機床,具備實時仿真性能,并能方便地和真實數控系統進行連接。Virtuos 仿真系統硬件由仿真計算機和安裝在其上的總線從站組成,從站模擬伺服和 I/O,實現仿真系統中的虛擬機床與真實數控系統的交互。在該仿真系統當中可以建立虛擬樣機的控制模型和可視化模型,并能進行仿真操作,如圖 1 所示。

圖 1 Virtuos 軟件系統組成
基于虛擬樣機的滾齒機數控系統開發流程如圖 2 所示。首先分析滾齒機控制系統所需實現的功能,明確滾齒機控制系統的任務; 其次根據系統任務制定系統總體設計方案,并制定出規范的設計開發文檔供后期詳細開發使用。此步驟完成后,將進行的開發工作包括兩方面: 軟件設計和硬件設計。本文在 i5 數控系統的基礎上開發滾齒機數控系統,其功能模塊主要包括算法和數據處理、人機界面、位置控制、PLC 控制等,設計過程中需要考慮機床操作者的使用習慣及企業的其他相關要求。軟件設計和硬件設計完成后均需要對其進行測試,若無問題則將二者合成在一起。系統合成之后可以利用三維設計軟件建立滾齒機的虛擬樣機模型,使用硬件在環軟件 Virtuos 建立運動控制模型,并將這 2 個模型與滾齒機數控系統連接進行硬件在環仿真測試,測試包括滾齒機運動學分析、動力學特性分析和數控系統兼容性測試。經硬件在環仿真分析無誤后,可對數控系統進行聯機調試,若無問題則可投入使用。

圖 2 基于虛擬樣機的滾齒機數控系統開發流程
2 滾齒機虛擬樣機及控制模型的建立
本文采用 SolidWorks 軟件對滾齒機核心部件進行建模。為了提高仿真效率,建模過程中省略掉其他一些不必要的部件。滾齒機模型如圖 3 所示。該滾齒機床有 X,Y,Z,A,B,C 軸,其中 X,Y,Z 3 軸可實現平動,A,B,C 3 軸可實現轉動。

圖 3 滾齒機床三維模型圖
Virtuos 軟件本身提供了豐富的控制模型庫和機床三維模型庫,可直接用于構建虛擬機床,當然機床的三維模型也可通過其他 CAD 軟件建立然后導入,比如 MATLAB/Simulink 文件建立的虛擬機床模型。SolidWorks 和 Virtuos 都支持 vrml 格式文件,故將上述 SolidWorks 所創建的滾齒機三維模型保存為 vrml 格式文件,然后將文件導入到 VirtuosV( 該模塊可建立機器的三維可視化模型,也可從其他軟件中導入模型,可查看三維模型的運動)中進行機構仿真。
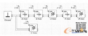
在完成機構仿真后進行 VirtuosM( Virtuos 軟件中支持圖形人機界面的仿真核心模塊,用戶可在其中建立機器的控制模型并查看各參數圖表) 仿真工作。首先根據機床各軸的運動情況定義各個運動傳遞環節傳動鏈。根據圖3 中滾齒機結構所示,滾齒機中的 X軸帶動Z軸,Z軸帶動A軸,A軸帶動Y軸,Y 軸帶動B軸,通過五軸聯動形成復合展成運動,C 軸以固定速率帶動齒輪進行轉動,從而實現齒輪的加工。根據以上運動,建立如圖4 所示的運動鏈圖。

圖 4 滾齒機床控制模型運動鏈圖
然后在 VirtuosM 中定義接口模塊,建立與總線接口之間的連接。本文選用的 i5 數控系統伺服驅動器的接口為 EtherCAT,Sercos 協議。因為 Vir-tuosV 中的滾齒機三維模型的 6 根軸將按照 Virtu-osM 中對各軸的輸入參數進行運動,因此圖 4 中的傳動鏈信號輸入接口均與 VirtuosM 中各軸的輸入輸出信號接口相互對應。以 Y 軸為例,其 Sercos 接口如圖 5 所示。通過 Sercos 總線接口,控制模型可以接收滾齒機 CNC 發出的驅動指令。

圖 5 滾齒機床 Y 軸 Sercos 接口示意圖
此外,需要將 VirtuosV 導入的運動型模型和VirtuosM 中的控制學模型進行連接。VirtuosM 和VirtuosV 之間的連接是通過公共對象請求代理體系結構 ( Common Object Request Broker Architecture,CORBA) 服務器( Server) 進行,CORBA 是一種用于在不同程序設備間通訊的面向對象的中介,數據通過 TCP/IP 傳輸。
3 滾齒機數控系統的開發及硬件在環仿真分析
i5 數控系統平臺是基于 Linux 操作系統的應用軟件,使用 Visual C + + 作為開發工具,是基于總線技術高度開放的系統,允許用戶對系統進行擴展和修改,以實現對人機界面和 CNC 的客戶化和智能化定制。
本文基于 i5 數控系統建立了支持自動編程功能的滾齒機數控系統。在 Linux 環境下采用C + +語言對系統中各功能界面進行設計。設計過程中參考西門子 840D 和 FANAC 等數控系統的編程格式及人機界面,以簡潔實用為指導思想對滾齒機人機界面進行了設計。
本系統人機界面包括用戶輸入、系統輸出、加工仿真、系統管理 4 大模塊。用戶輸入模塊可設置加工計劃、齒輪參數、滾刀參數、工件參數和工藝流程等信息。系統輸出主要包括機床信息、編程代碼及仿真結果、報警信息、系統日志等信息。加工仿真模塊可以在生成 CNC 程序代碼后進行圖像化模擬仿真。系統管理模塊中包含了文件管理、工藝支持庫和運算庫管理、生產管理和機床信息管理,在該模塊中可以添加、刪除、查看、轉發各種相關信息,系統還設置了密碼保護裝置,根據權限不同能執行不同級別的指令。操作人員只需在系統中輸入齒輪的相關參數、工件參數、滾刀參數等信息,系統將會自動根據用戶選擇的工藝路線( 工藝庫也提供工藝支持) 迅速生成工件的 CNC 加工代碼,代碼生成之后可在系統中查看其仿真加工軌跡。在 Virtuos 軟件中完成了三維模型及控制模型的建立與連接之后,將 i5 數控系統與 Virtuos 軟件建立連接并實施硬件在環仿真分析。本文采用德國 Beckhoff 公司生產的 PCI - FC9002 組件作為相互之間的連接橋梁,如圖 6 所示。

圖 6 i5 數控系統與 Virtuos 連接圖
以加工一個斜齒圓柱齒輪為例,齒輪法面模數為 16mm,齒數為 92,螺旋角 28°,齒寬為 240mm,材料為 20CrNi2MoA,驗證本系統的自動編程功能。在將待加工齒輪各相關參數輸入滾齒機數控系統之后,系統將自動生成加工齒輪的 G 代碼,如圖 7中所示。以下為系統生成的部分代碼:

圖 7 滾齒機自動編程系統界面
PROC HOBBING( VAR REAL R60,VAR RE-
AL R61,VAR REAL R62) / / 定義單個零件加工子程序
R40 = 15 / / 滾刀安裝角
R21 = 45 / / 竄刀量
R22 = 640 / / 竄刀極限
G00 X 869,Y - 436,Z 1690
A 15
EGCNL( C)
EGDLT( C)
EGNEW( C,B,1,Y,1,Z,1)
EGSRT ( C," PRECISE " ,B,2,92,Y,5.
4051,92,Z,3. 3623,92)
F 55
滾齒機數控系統的 CNC 組件將數控指令傳送到 Virtuos 軟件中,VirtuosV 中的虛擬樣機模型根據收到的指令進行相應的運動,i5 數控系統控制面板上顯示齒輪的加工情況,如剩余加工齒輪的個數等情況。在 VirtuosM 中可以通過監控界面查看滾齒機虛擬樣機中各軸的運動情況并能查看其硬件在環仿真的結果。由于滾齒機床構造比較特殊,且滾刀是多刃刀具,加工時依靠各軸相互配合方可完成,需要對系統的運動軌跡及干涉的問題進行驗證。以滾齒機中的 Y 軸為例,該軸被施加一組階躍信號,其仿真結果如圖 8 所示,圖中橫坐標為時間軸,每一格為 0. 01s,縱坐標為 Y 軸位移的大小。仿真結果顯示 Y 軸的位移曲線在 0. 03s 后達到理想狀態,具有較好的動態響應特性,且后期運動平穩,具有很強的穩定性。

圖 8 Y 軸硬件在環運動仿真結果
4 結束語
本文所開發的自動編程系統經仿真表明具有較好的穩定性,能夠完成對滾齒機的正確控制,通過自動編程系統生成的 G 代碼,能夠實現齒輪的正確加工。今后將圍繞優化仿真分析,對整機動態特性進行全面仿真,同時對滾齒機的模型進行不斷完善,以得到更優的控制參數。
核心關注:拓步ERP系統平臺是覆蓋了眾多的業務領域、行業應用,蘊涵了豐富的ERP管理思想,集成了ERP軟件業務管理理念,功能涉及供應鏈、成本、制造、CRM、HR等眾多業務領域的管理,全面涵蓋了企業關注ERP管理系統的核心領域,是眾多中小企業信息化建設首選的ERP管理軟件信賴品牌。
轉載請注明出處:拓步ERP資訊網http://m.sdyuan.com/
本文標題:基于硬件在環的滾齒機數控系統的開發
























