在石油化工企業的生產與經營過程中,油品儲運是一個不可缺少的重要環節,油品儲運是一門綜合性的工程科學,涉及面廣,不同的企業和部門要求的知識面也有所區別,例如民用油品儲運與軍用油品儲運、礦場石油儲運與煉油廠油品儲運,雖然它們的基本理論大體相同,但在設備和技術措施上各有特點。同時,油品儲運業務非常廣泛,例如液態介質(如原油、成品油、渣油等)的存儲、計量、核算和管理等工作都是儲運業務的重要主成部分,事實證明提高儲運自動化及管理水平對石油化工企業用戶減少損耗、降低成本、增加效益具有明顯的作用。
1、儲運自動化系統的組成
石油化工企業的儲運自動化系統分為鶴管裝卸車控制及銷售管理自動化系統,罐區監控管理系統(含油品在線調合),有的還包括儲運污水處理監控管理系統。儲運自動化系統框圖見圖(1)。其中罐區自動化的水平基本代表了儲運系統總體的自動化水平。因為圍繞儲罐乃至整個罐區的監控與管理,是儲運作業中最基本的工作內容。我們以PLC(可編程序控制器)在罐區監控管理系統中的應用為例,簡要介紹PLC在儲運自動化系統中的應用。

2、PLC在罐區監控系統中的應用
PLC主要對罐區現場的數據進行采集,并將采集到的數據傳至上位機,同時接受上位機發出的指令對罐區現場的執行機構進行控制執行,罐區現場采集的信號種類比較多,包括;開關量(如電磁閥回訊及各類報警信號的輸出等)、標準的模擬量信號(如可燃氣體報警器等現場各種變送器)、脈沖信號(如刮板、渦輪等流量計)數字信號(如質量流量計、液位計)等。控制輸出信號有開關量、模擬量和PID調節的模擬量等。
PLC主要技術指標:
輸入指標:所提檢測精度,均指系統本身,不包括傳感器和變送器。以下相同
(1)數字檢測: 無附加誤差。
兼容帶各種通訊協議的數字輸出變送器。 如鋼帶液位計、質量流量計等。
(2)模擬量檢測:精度優于±0.1%。
4—20mADC、0—20mADC、1—5vDC、0—10VDC輸出的變送器。
(3)脈沖量檢測:無附加誤差。
最大計數頻率50KHz 輸入電壓 5-24VDC
如渦輪、腰輪、齒輪、刮板等流量計。
開關狀態檢測:
均以開關量形式讀入,無觸點開關 容量24V DC500mA。如閥位及泵開關狀態和液位開關、氣體報警開關等。
輸出指標:
(1)控制信號輸出:
無觸點開關,容量24V DC500mA。
(2)4—20mADC、1—5vDC、0—10VDC模擬量輸出和比率PID調節輸出。
用PLC進行數據采集一般有兩種方法:
一是定時采集,就是按照采樣時間,分別采集被控對象的數據,并存入數據區。二是變化采集,即跟蹤被采集量,視其變化情況,若變化值超過使用它的精度,則采集,并同時記下采集時間。如果被采集的量變化不大,用變化采集可節省數據區。
在儲運罐區系統中,對于現場模擬量信號的采集采用的是定時采集,每500ms為一個采集周期,如圖(2)為其中一路模擬量信號的定時采集的梯形圖。這里的T0.1為定時器,每500ms把30001通道(要采集數據的通道)的內容存于以40020為指針的數據區中,存后指針加1,指針加1后再判斷指針是否超出數據范圍,若超,則把00000再賦給指針,既令其再從存儲區開始處存數。

對于現場儀表輸出的脈沖量,PLC當成高速計數輸入,用高速計數單元采集,利用PLC定時中斷功能計算出采集信號的頻率。對于現場通過通信傳遞的數字儀表信號(如液位計或質量流量計的數字信號),為了保證系統采集數據與現場測量儀表之間沒有精度轉換誤差,信號可由通訊口連接到PLC的ASCII模塊(即PLC專用的高級語言模塊,以串序的方式與現場不同ASCII裝置溝通),這樣數字信號就與其它常規的I/O信號(DI、DO、AI、AO、FID等)一起,由PLC統一采集和控制了,日后構成計算機冗余系統就比較容易了。再就是在采集數據中避免干擾的問題,對于采集的脈沖量,一般采取定時中斷的辦法執行采集子程序,主要是避免丟失脈沖。若采集的為模擬量,一般可通過程序進行數字濾波,克服干擾。濾波的方法很多,可以求平均值,也可加權平均等等。圖(3)為其中一路模擬量信號采用求平均值法進行濾波采集的梯形圖,程序中通過5個周期連續采集5次數據,存于40021至40025單元中,然后對5個數據求和并作平均,并以其值作為采集數即為濾波后的值,存于40060單元(余數在40062單元)。


對罐區現場執行機構進行可靠的控制執行和過程監控,特別是罐區每個儲罐的收油、付油、循環、注水等重要閥門的控制執行和監控是罐區監控系統中最基本、也是最重要的工作內容。
采用PLC對現場執行元件進行監控有兩種方法:一是用“看門狗”(英文稱Watching dog);二是用動作反應檢測,這兩種方法本質上是相同的,只是,一個是看在給定的時間內動作完成了沒有;而另一個不太考慮延時,只看動作執行了沒有。兩者的邏輯關系并無兩樣,只是一個用步的正常時間監控,不必讀回訊信號,不增加可編程序控制器的I/O點,比較容易實現,圖(4)為這種監控的梯形圖。

而另一個則要有反饋的回訊信號,要增加I/O點,但可進行實時監控,圖(5)為這種監控的梯形圖。

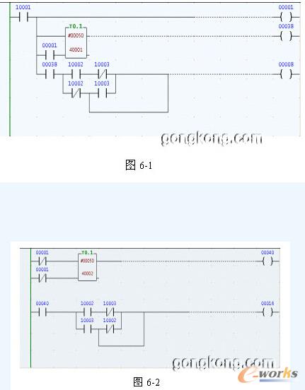
罐區儲罐的控制閥門因為隔爆的原因采用的是氣動閥門,是通過電磁閥對其進行控制的。所以在罐區監控系統中對罐區儲罐閥門的監控采用了動作反應檢測和“看門狗”檢測相結合的方法,在氣動閥開啟或關閉時,都同時檢測氣動閥的兩點回訊反饋(氣動閥的回訊反饋原理請參閱有關說明書,不在這里敘述),通過PLC編程,使氣動閥的兩點回訊形成一定的邏輯關系,使氣動閥的控制執行和監控更加可靠,達到零失誤。圖(6)是采用這種邏輯方式監控一個氣動閥的梯形圖。其中00001為電磁閥線圈,10002、10003為氣動閥回訊反饋動作,00008、00016為回訊報警。

以上都屬于開關量檢測范疇。如果工作現場有條件的話,PLC還可以對模擬量進行監控,辦法是冗余,用兩個傳感器,同時采集兩個傳感器的信號,對兩個測量值進行比較,視其偏差是否在允許的范圍內,若超過允許范圍,再判斷是否處于允許的時間之內,如既超過允許誤差范圍,又超過允許的超差時間,即說明其中之一必有故障。
在罐區油品調合的處理中,系統采用的是多組份配比調節。 PLC接受上位機設定的PID系數,使用PLC本身的PID指令控制D/A模塊的模擬量輸出,分別控制主管線流量調節器和副管線流量調節器,根據預定的調合數學模型和調節方式進行實時計算和控制。在裝有質量分析儀表的場合,質量分析儀的信號直接由PLC采集,經過運算處理后在線修正調合過程的各組份比率,可確保調合成品的質量。整個調合過程能按照用戶所要求的質量和速度進行。
3、結束語
事實證明用PLC采集數據和控制執行與用其它采集方式相比,其實時性好,可靠性也高。即使脫離上位機后,PLC仍可按照預定的程序執行,提高了系統的可靠性、安全性,特別是進來新型PLC的數據存儲區增大后,采集與存儲的數據量可以很大。這樣龐大的數據存儲區可存儲大量的數據,加之PLC本身的控制的可靠、穩定性,使得PLC在儲運自動化系統中的應用越來越廣泛。
核心關注:拓步ERP系統平臺是覆蓋了眾多的業務領域、行業應用,蘊涵了豐富的ERP管理思想,集成了ERP軟件業務管理理念,功能涉及供應鏈、成本、制造、CRM、HR等眾多業務領域的管理,全面涵蓋了企業關注ERP管理系統的核心領域,是眾多中小企業信息化建設首選的ERP管理軟件信賴品牌。
轉載請注明出處:拓步ERP資訊網http://m.sdyuan.com/
























