工業智能以太網I/O服務器主要用于分布式監控管理。合理使用該系統不僅可以適應工業生產中的嚴苛環境,方便擴展,而且可以有效控制成本。另外,該系統可使大量與生產系統無關的、相對分散的監控信息(DI、AI、熱電偶、RTD等)獨立上傳至選煤廠集控室,同時根據需要可從集控室直接將操作指令(DO、AO等)下發至參控設備,避免通過生產用PLC來上傳信號,從而減少生產系統的故障,降低維護成本。
1 在安家嶺選煤廠的應用
在中煤能源平朔煤業有限公司5個選煤廠的原煤儲煤場地道改造中,要求新增CH4和CO氣體傳感器。傳感器選用美國MSA公司DF一7500探測器,該傳感器的輸出值為模擬量信號4-20mA。以安家嶺原煤儲煤場為例,該廠儲煤場有兩條暗道,一條長度為330 m,另一條長度為230 m,另外還有兩條長50 m的逃生通道。以每隔60 m安裝1對CH;和CO傳感器,逃生通道只安裝1臺CO傳感器來計算,共需安裝12臺CO傳感器及10臺CH4傳感器。傳感器信號上傳至選煤廠集控室可供選擇的方案如下:
(1)使用MSA公司自帶主機。傳感器本身的主機可將接收到的各探測器的信號通過以太網上傳選煤廠集控室。優點是整套設備均為同一廠家產品,但缺點是由于該主機回路較少,在傳感器數量較多時需多臺主機,且每臺主機成本較高,因此此方案在經濟上不允許。
(2)在原煤儲煤場配電室內新增PLC控制柜,柜中單獨放置本系統所需電源模塊、CPU,以太網模塊、模擬量輸人AI模塊等。經計算,該方案總成本也遠超出投資計劃。
(3)在原煤儲煤場附近的配電室內掛墻放置控制箱,箱內安裝以太網I/O服務器、24V電源模塊、工業以太網光纖交換機及中間繼電器等;谝蕴WI/O服務器適應范圍廣、傳輸速度快、安裝成本低等優點,選煤廠決定采用該方案。
本工程選用的以太網I/O服務器為科洛理斯公司的JetI/O 6510。該模塊的輸人端為8通道高分辨率AI,輸出端為100 M以太網口;交換機為JetNet 2005f - SW 4口百兆工業以太網光纖交換機。該系統的架構見圖1。工作原理如下:
(1)箱內24V電源模塊向以太網I/O服務器(JetI/O 6510)、工業以太網光纖交換機(JetNet2005 - WS )、中間繼電器供電,并通過控制電纜向所有DF一7500傳感器供電(傳感器本身所需電源和傳感器內報警輸出干接點電源);
(2)各傳感器將探測到的信號通過電纜,經由現場防爆分線箱傳至控制箱內的3臺以太網/0服務器(JetI/O 6510 ),然后引至光纖以太網服務器,再由光纖以太網服務器的光口直接通過愷裝單模光纖引至集控室上位機;
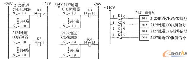
(3)為保證信號上傳的可靠性,將所有傳感器的報警輸出常開點并聯,并將輸出作用于控制箱內中間繼電器。當任何一個傳感器報警時,中間繼電器動作,并將動作信號接人生產系統控制中的PLC數字量,輸人DI,詳見圖2, 3。
(4)上傳至選煤廠集控室上位機的監控信息通過修改原有上位機監控軟件來監控新增的內容。
本工程于2011年2月實施,8月安裝調試完畢。傳感器的現場顯示設備與集控室上位機所顯示的參數相同。應用智能以太網I/O服務器有效地控制了投資成本、簡化了系統結構,同時又方便擴展。今后新增的粉塵、煙霧等傳感器也可納人到本系統中,從而形成一套獨立的地道監測系統。

圖1 安家嶺原煤儲煤場地道有害氣體監測系統結構示意

圖2 安家嶺原煤儲煤場2125地道CH4及CO傳感器接線示意

圖3 報警信號工作原理示意

圖4 安太堡、安家嶺熱交換站信號采集系統示意
2 在平朔殲石電廠的應用
中煤平朔煤業公司平朔礦區殲石電廠二期集中供熱工程改造中,新增7個熱水制備車間、7個空氣加熱室及20個熱交換站,為便于統一管理和考核,需將各車間內設備的運行參數上傳至主管中心集控室。車間內的設備均由幾臺自帶控制柜的成套機組和外配的3一5臺水泵組成,且成套機組的控制柜內均有以太網或RS485總線的輸出接口。基于這些特點,較為經濟可靠且簡單的解決方案是在各車間內新增1臺控制箱,箱內裝有光纖以太網服務器、智能以太網I/O服務器(包括數字量DI, DO和模擬量的AI)、電源模塊等。信號采集系統如圖4所示。其中,JetI/O6550為14路DI和8路DO,輸出為100M以太網接口;JetI/O 6510為8路AI,輸出為100M以太網接口;Jetport 5601為工業級1個RS一232/422/485串口轉冗余雙網口設備聯網服務器;JetNet 3008f - SW為8口百兆工業以太網光纖交換機。工作原理為:
(1)24v電源模塊向控制箱內設備供電,并引至外配水泵配電柜中接觸器、電機保護器的輔助干接點中,為控制箱內數字量輸人/輸出模塊Jet1/0 6550的DI輸入提供輸入電壓信號;
(2)車間內各熱計量儀表、壓力儀表、流量儀表的參數均通過屏蔽電纜接至模擬量以太網I/O服務器JetI/0 6510;
(3)成套機組的RS485總線輸出接至控制箱內RS - 232/422/485串口轉冗余雙網口設備聯網服務器Jetport 5601,再由Jetport接至光纖以太網交換機JetNet 3008E一SW;
(4)成套機組的以太網輸出直接接至JetNet;
(5)控制箱內交換機JetNet 3008f一SW直接通過單模愷裝光纖引至集控室上位機。
供熱改造工程采用此系統可簡單有效代替PLC系統,節省投資,并能全面可靠、實時地將數據采集并上傳至集控室上位機。集控室上位機通過工業組態軟件編程,可顯示和處理本工程所有車間內的機組、水泵、儀表等全部數據。
3 結語
綜上所述,智能以太網I/O服務器配合總線轉換服務器、光纖以太網交換機,可廣泛應用于選煤廠地道環境監測、非生產系統車間數據采集等方面。實現節省投資、增強系統可靠性、簡化系統、擴展方便等目的。
核心關注:拓步ERP系統平臺是覆蓋了眾多的業務領域、行業應用,蘊涵了豐富的ERP管理思想,集成了ERP軟件業務管理理念,功能涉及供應鏈、成本、制造、CRM、HR等眾多業務領域的管理,全面涵蓋了企業關注ERP管理系統的核心領域,是眾多中小企業信息化建設首選的ERP管理軟件信賴品牌。
轉載請注明出處:拓步ERP資訊網http://m.sdyuan.com/
本文標題:工業智能以太網I/O服務器在選煤廠的應用
























