電力線載波通信是利用電力線作為信息傳輸媒介進行語音通信或數據傳輸的一種特殊通信方式,電力線載波通信技術已在許多國家和地區得到應用,它直接運用現有的電網線路,不需要額外鋪設電纜,又不占用寶貴的無線頻譜資源,因此得到不斷的發展,其廣泛應用于自動抄表系統、智能家居擰制、智能樓寧控制、交通信號燈控制等領域。
智能鐵路信號點燈系統是鐵路行車信號的燈絲自動轉換裝置,是保證鐵路行車安全的重要信號器材,是集交流點燈、燈絲轉換、故障定位報警為一體的多功能智能點燈系統。目前我國鐵路市場巾現有的智能點燈系統主要是以利用繼電器接點通過報警線傳輸信息,這種方式存在兩個以上現場點燈單元同時故障,就不能準確的定位出故障燈的具體位置,為了解決上述問題,借鑒電力線載波通信的特點,我們提出了基于電力線載波的智能鐵路信號點燈系統。該系統采用電力線載波通信技術,以車站的監測主機為核心構成主從式通信網絡方案,實現鐵路交通信號燈系統相關數據的傳送。
1 系統方案設計

圖1 網絡電氣結構框圖
電力載波智能鐵路信號點燈系統由室外點燈單元和室內集中監測總機構成,室外點燈單元通過專用繼電器切換主燈絲和副燈絲,檢測電路通過檢測繼電器接點的狀態來檢測主燈絲和副燈絲的工作狀態,并將主燈絲和副燈絲的工作狀態信息提供給室外點燈單元的處理器,現場點燈單元的處理器通過調制電路將燈絲工作狀態信息發送到電力線上,再通過電力線傳送到室內集中監測總機,實現集中報警和故障定位。
2 系統原理設計
室外點燈單元:由變壓器和繼電器構成電源系統,是提供鐵路信號燈的交流電源,由電力載波模塊、單片機STM8S103和檢測電路構成監測系統是監測鐵路信號燈工作狀態。主電路與檢測電路相互隔離,只通過光電信息交換,使主電路不受其它因素的影響,最大限度的確保了主電路的安全性。
室內集中監測總機:主要由電力載波模塊、單片機STM32F、液晶顯示、按鍵接口和上傳通信電路構成監測系統。其網絡電氣結構原理框圖如圖1所示。
電力載波智能鐵路信號點燈系統由于室內集中監控主機有四路檢測通道,每路檢測通道最多設置64個現場點燈單元的尋址地址,采用的是群呼一答的通訊方式,即每次同時呼叫4個通道同一位序的燈,應答每次只能按通道的不同依序應答相關位序的燈,且每一個燈都要呼叫應答兩次,連續兩次呼叫無應答即為故障狀態,這種方式需要在使用前把站場中所有的點燈單元按各自所在通道分類,并分別編碼,各通道的點燈單元編碼后都需要與現場真實燈名稱一一對應,故障時只顯示燈的名稱,不顯示編碼序號,現場點燈單元的編碼地址與現場燈的真實名稱需要在現場使用前先進行調試,根據現場情況一一設置確定,沒有安裝燈位的地址碼不用呼叫,直接跳過,進行下一次的循環。
2.1 室外點燈單元電路設計
室外點燈單元原理框圖如圖2所示,系統以單片機為核心處理器,包含電源管理電路、燈絲故障檢測電路、供電故障檢測電路、接口單元電路和電力線載波模塊構成。故障檢測電路主要是檢測主、副燈絲的狀態并將檢測的狀態通知單片機;電源檢測單元主要檢測燈絲的供電狀態并將結果傳送給單片機;電源管理單元負責整個系統的電源處理;通過接口單元,操作人員可以設置室外點燈單元的物理地址等信息;

圖2 室外機硬件框圖
電力載波模塊可以將檢測到的數據信息與電力線信道匹配并傳送。
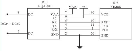
專用載波模塊是采用FSK調制技術的高度集成的電力載波模塊,內部集成了發送和接受數據的所有功能,包括防雷、功率放大、電壓/電流自動控制、耦合接口等,大大簡化了應用電路,所以單片機與載波模塊的接口電路如圖3所示。

圖3 單片機與載波模塊的接口電路
載波模塊單片機機控制端由RX、TX、R/T 3個端口構成,全是TTL電平,TX接單片機TXD端發送數據,RX接單片機RXD端接收數據,R/T為接收/發送控制端,接單片機P1.0口,R/T為高時載波模塊處于接收狀態,R/T為低時處于發送狀態。
2.2 室內集中監測總機電路設計
室內集中監測總機的原理框圖如圖4所示,采用最新的Cortex-M3核的ARM處理器STM32為主控制器,包含電源管理單元電路、LCD顯示單元、聲光報警單元、鍵盤輸入接口、CAN接口電路、時鐘電路。電源管理單元負責整個系統的電源處理,用戶可以通過按鍵對室內機操作,電力線載波模塊可以將檢測到的數據信息與電力線信道匹配并傳送,CAN接口模塊可以實現數據接入。
由于鐵路行業標準要求主電路與檢測電路的電源不能混用,所以監測總機還具有通過一對電纜芯線對現場所有監測節點提供電源并在電源線上傳輸信息的功能。監測總機通過變壓器先使AC220V變為AC50V,再通過熱敏電阻防止沖擊電流后,經整流橋濾波后輸出,為保證可靠性,本設計采用兩路電源直流并機輸出,如圖5所示。

圖4 室內機硬件框圖
3 軟件設計
監測總機和現場點燈單元各自運行程序,軟件設計均采用模塊化,整個程序包括初始化、主從通信、數據收發處理、按鍵及I/O口,液晶顯示、CAN總線上傳通信等程序模塊。設計內容較多,下面主要介紹主從通信設計。

圖5 電源電路圖
由于電力線載波通信的應用中大多是半雙工通信,主從通信只能采用輪詢應答方式,即主節點依次向各從節點發送查詢命令幀,目標節點接收到后發送應答幀,主節點必須接收到該應答,才能向下一個節點發送查詢。如果從節點較多,則耗時較長,影響實時性。本設計除了采用輪詢應答方式外,還增加了載波偵聽方式,可以提高信道的利用率。具體辦法是所有節點向電力線上發送數據前,先執行載波偵聽算法:檢測PD狀態,若PD=0,則先不立即發送數據,而延時一定時間,再檢測PD狀態,若為低電平,此時才啟動發送;若PD=1,則連續監測PD狀態,直到轉變為低電平后才進入延時階段;若同時有多個節點企圖發送信息,延時最短的節點可以最優先發送信息,其他延時稍長的節點在延時結束后,便會發現PD已經是高電平了,信道被占用,需要等待下一次發送機會;若現場點燈單元在非查詢期間有報警產生,仍可優先獲得通道,向電力線發送報警信息,從而提高系統的突發響應時間。相關程序流程圖如圖6所示。

圖6 程序框圖
4 結束語
以輪詢應答和載波偵聽相結合的方式是電力載波通信技術應用在實時性要求較高的領域提供了有效解決方案。介紹了電力載波智能點燈系統,以電力線為傳輸介質,可以實現鐵路信號燈的實時集中監控,在實際運行中,集中報警和現場點燈單元的有效通信距離達到了1 200 m,數據傳輸穩定可靠,響應迅速。
核心關注:拓步ERP系統平臺是覆蓋了眾多的業務領域、行業應用,蘊涵了豐富的ERP管理思想,集成了ERP軟件業務管理理念,功能涉及供應鏈、成本、制造、CRM、HR等眾多業務領域的管理,全面涵蓋了企業關注ERP管理系統的核心領域,是眾多中小企業信息化建設首選的ERP管理軟件信賴品牌。
轉載請注明出處:拓步ERP資訊網http://m.sdyuan.com/
本文標題:基于電力載波的鐵路信號智能點燈系統的設計
























