國內制造業的設備維修管理服務需求不斷攀升。迫切需要研發面向大型裝備的維修、維護和大修MRO(Maintenance, Repair and Overhaul)協作平臺,為裝備制造企業、裝備用戶企業和裝備服務企業提供全面的數字化解決方案和信息化集成技術,推動制造服務業跨越式發展。目前,雖然對鋼鐵連鑄設備的MRO協作平臺的研究已有一定的成果,但還有一些不足:
(1)由于缺少有效的信息通信機制,不能自動、實時、準確、詳細地獲取連鑄設備的生產現場環境、生產加工等信息,造成鋼鐵企業的連鑄生產線與企業信息化系統之間無法實現緊密的信息集成。
(2)由于連鑄生產線設備構造復雜,生產環境非常惡劣,設備之間的數據傳輸頻繁,從而使得難以對全部的設備進行監控。
本文正是在這種背景下,提出M2M(Machine to Machine)技術在此協作平臺中應用。M2M即機器與機器之間的通信,通過一些通信模塊實現機器與機器之間數據交換。其具有以下優點:無需人工干預,實現數據自動上傳,提高了信息處理效率;數據集中處理與保存,實現信息集中管理;數據保存時間長,存儲安全;可實現實時監控和控制,時效性高;無線方式傳輸數據,監控終端運行狀態,保障業務穩定運行。利用M2M的關鍵技術無線傳感器網絡ZigBee技術和CDMA遠程數據信息傳輸技術,實現從傳感器到測控中心的遠程無線傳輸方案,解決了鋼鐵連鑄設備的MRO協作平臺面臨的問題。
1 鋼鐵連鑄設備數據采集總體結構設計
鋼鐵連鑄設備數據采集總體結構如圖1所示。主要包括連鑄設備(A,…,N)采集節點模塊、傳感器及鋼鐵連鑄設備參數的局域網、CDMA無線通信網絡、鋼鐵連鑄設備遠程服務器、數據庫以及遠程用戶終端等幾個部分。

圖1 鋼鐵連鑄設備數據采集系統框圖
其中,連鑄設備采集節點模塊組成無線傳感器網絡,采用星型拓撲結構設計,基于TI公司的ZigBee技術方案,即CC2430芯片結合無線ZigBee協議線實現的ZigBee MESH網,如圖1所示。ZigBee網絡中包含傳感器節點、協調器和匯聚節點3種設備。協調器通過433 MHz射頻技術組成一個星型網絡,ZigBee網絡中的傳感器節點可以將采集到的數據通過ZigBee網絡傳輸到各自的協調器,協調器將數據匯總后,再通過433 MHz射頻技術傳送到星型網匯集器,即整個系統的匯聚節點,然后通過CDMA技術,將采集數據通過無線CDMA網絡和Internet對接,最終把數據傳送到遠程服務器。該系統的關鍵電路包括ZigBee無線傳輸模塊接口和CDMA無線通信模塊接口兩部分。
2 鋼鐵連鑄設備數據采集硬件設計
鋼鐵連鑄設備數據采集系統的核心是連鑄設備傳感器節點,傳感器節點的結構包括傳感器模塊、微處理器模塊(由嵌入式系統構成,包括CPU、存儲器等)、無線通信模塊和電源模塊四個單元,如圖2所示。其中,傳感器模塊完成監測區域內信息的采集和信號轉換;處理器模塊負載控制整個傳感器節點的操作、存儲和處理本身采集的數據;無線通信模塊負責與其他傳感器節點進行無線通信,交換控制信息和收發采集數據;電源管理模塊為其他功能模塊單元提供正常工作所必需的能源。

圖2 數據采集節點結構圖
2.1 傳感器模塊
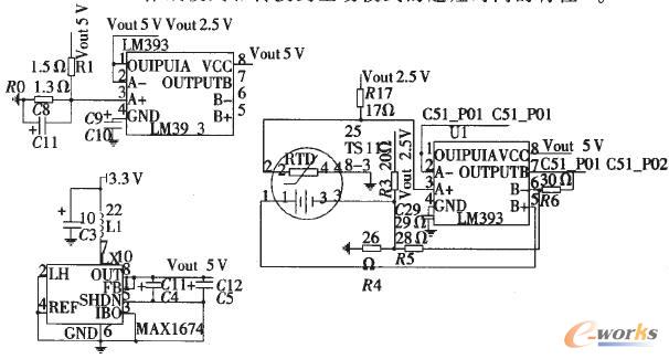
連鑄生產線的設備狀態信號有振動位移、振動加速度、轉速、溫度、電流等信號。本文選用德國HLP公司TS118-3紅外溫度傳感器,該傳感器采用熱電堆紅外非接觸測溫技術,紅外測溫技術能快速、可靠地測量熱的、危險的或難以接觸的物體,且不會污染或損壞被測物。非接觸紅外測溫技術可方便地測量物體的表面溫度,不需要機械地接觸被測物體。測溫范圍從-40℃~3000℃,加上光路后測量距離從0~10m均可準確測量。本文設計的溫度傳感器模塊電路圖如圖3所示。

圖3 溫度傳感器模塊電路圖
2.2 微處理器模塊
微處理器模塊選用了TI公司的CC2430芯片。CC2430芯片上集成了ZigBee射頻CC2420芯片,其具有優良的無線接收靈敏度和強大的抗干擾性,并集成了內存和一個8 bit的8051微控制器,具有128 KB的RAM和高性能、低功耗的微控制器,還包含模擬數字轉換器(ADC)、幾個定時器(Timer)、AES128協同處理器、看門狗定時器、32 kHz晶振的休眠模式定時器、上電復位電路、掉電檢測電路,以及21個可編程I/O引腳。CC2430芯片采用7 mm×7 mm QPL封裝,共有48個引腳,分為電源線引腳、控制線引腳和I/O端口引腳;采用0.18μm CMOS工藝,工作時的電流損耗為27 mA,在接收和發射模式下,電流損耗分別低于27 mA或25 mA。CC2430具有休眠模式和轉換到主動模式的超短時間的特性。
2.3 電源模塊
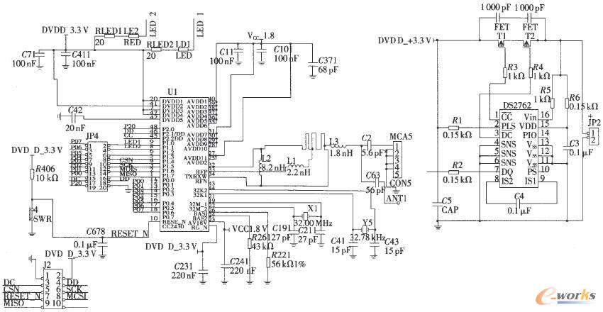
電源模塊采用鋰電池為傳感器節點運行提供必需的能量。電池監測采用MAXIM公司的DS2762,它集數據采集、信息存儲和安全防護于一身,功能強大,僅1根雙向數據線與控制器通信。DS2762芯片具有兩種電源模式:工作模式下,可實時監測電壓、電流和剩余電量等參數,最大工作電流為90 μA;睡眠模式下,最大電流≤2 μA,符合低功耗的要求。電源模塊電路原理如圖4所示。因電池容量有限,傳感器節點的硬件和軟件設計均首要考慮降低功耗。為實現長期測試,系統提供兩種方式供給能源。

圖4 微處理器模塊和電源模塊電路圖
(1)外接交流電源供電:連鑄生產線的設備安裝有照明等220V交流電源,通過AC/DC 模塊可將其轉換為+3.3 V,此方案適用于附近有交流電源可借用的節點。
(2)更換鋰電池:鋰電池設計成推拉式機械安裝,易于更換。實際應用時,無線傳感器節點和焊接式電阻應變計之間常通過一定長度(0.5~2m)的屏蔽導線連接,其優點是使通信模塊天線盡可能位于空曠位置,減少金屬障礙物阻擋;無線傳感器節點可安裝在技術人員便于到達的位置,易于更換電池。對于戶外機械,若個別位置非常不易于前往更換電池,也可外接太陽能電池供電,只是電池板尺寸、蓄電池容量大小、安裝角度以及與金屬結構間的安裝方式均需根據具體情況設計。
3 CDMA無線通信模塊接口設計
鋼鐵連鑄設備數據采集系統采用CDMA無線通信方式,向遠程服務器發送數據。相對于GPRS方式而言,CDMA無線傳輸方式在穩定性、速度、帶寬等方面更具優勢。CDMA無線通信模塊選用AnyDATA公司的DTU800,為目前世界上同類型產品中體積最小、速度最快的CDMA數據模塊,數據傳輸速率最高可達153.6 kb/s,平均速率為80 kb/s~100 kb/s。CDMA無線通信模塊與處理器的連接較為簡單,將DTU 800的標準串口與處理器的串口連接即可,接口電路如圖5所示。本設計使用CC2430的USART0端口(TXD、RXD引腳)與DTU800的USART1端口(DP_TXD、DP_RXD引腳)傳輸數據。DTU800內嵌TCP/IP協議棧,大大降低了數據通信設計的難度,也增強了微處理器處理其他數據的能力。DTU800支持標準的AT指令,DTU與MCU主機單元的通信可通過調用相應的AT指令實現。

圖5 CDMA無線通信模塊接口電路
4 軟件系統設計
軟件系統主要完成監控節點采集數據的接收和處理、監測數據的上傳等任務。軟件采用模塊化設計方式,主要功能模塊包括ZigBee通信處理模塊、CDMA通信處理模塊等部分。
(1)ZigBee通信處理程序設計
ZigBee網絡中的傳感器節點主要負責采集環境數據,將這些數據傳給協調器節點,同時,接收來自匯聚節點的查詢命令,當沒有數據的發送和接收時,轉入休眠模式,使節點功耗降到最低。而匯聚節點一方面負責組建無線網絡;另一方面將兩個使用不同協議的網絡連接在一起,實現兩種協議之間的轉換,同時發布管理節點的通信任務,并把接收的數據轉發到外部網絡。傳感器節點和匯聚節點程序流程圖如圖6所示。

圖6 傳感器節點及匯聚節點程序流程圖
(2)CDMA無線通信程序設計
匯聚節點以固定的時間間隔向遠程服務器發送數據,同時接收遠程服務器的控制指令并執行相應的操作。匯聚節點系統上電時,先執行初始化,然后使用AT指令建立PPP、TCP/UDP通道連接,接入CDMA網絡, 并獲得CDMA移動通信數據網管系統動態分配的IP地址。連接建立后,當基站的數據需要發送時,即可直接將數據幀發送給DTU打包傳送。
數據傳輸采用面向連接的、可靠的TCP協議。在使用CDMA通信模塊前,需要對DTU進行設置,以設定其工作方式。CDMA通信程序要完成DTU的設置、數據發往遠程服務器、接收應答和控制信令等操作。匯聚節點定時進行CDMA數據發送的中斷程序流程,如圖7所示。

圖7 CDMA無線通信程序流程圖
本文根據鋼鐵連鑄設備MRO協作平臺的需要,利用基于M2M的關鍵技術ZigBee的無線傳感器網絡和CDMA通信,構建了遠程采集鋼鐵連鑄設備數據系統,為鋼鐵連鑄設備MRO協作平臺提供了有效的數據源。以便鋼鐵連鑄MRO協作平臺自動、實時、準確、詳細地獲取設備的運作情況實現對設備故障的預測。
雖然該系統在生產現場得到了應用和驗證,但是對M2M技術在鋼鐵連鑄設備MRO協作平臺的應用尚處于起步階段,尤其是在使用環境比較惡劣,且連鑄設備內部構造復雜的情況下,其工作的穩定性和可靠性還有待驗證。只有通過大量的現場試驗,才能進一步完善系統的軟硬件設計,使系統更加穩定成熟,達到其要求。
核心關注:拓步ERP系統平臺是覆蓋了眾多的業務領域、行業應用,蘊涵了豐富的ERP管理思想,集成了ERP軟件業務管理理念,功能涉及供應鏈、成本、制造、CRM、HR等眾多業務領域的管理,全面涵蓋了企業關注ERP管理系統的核心領域,是眾多中小企業信息化建設首選的ERP管理軟件信賴品牌。
轉載請注明出處:拓步ERP資訊網http://m.sdyuan.com/
























