1 引言
數控機床是制造業不可缺少的設備,它的應用是制造業現代化的必然趨勢。為了提高我國制造技術水平,必須提高我國數控機床的占有率。根據我國國情,提高機床數控化率主要途徑是對舊機床進行數控化再制造。舊機床進行數控化再制造關鍵技術之一是提高機床的精度。數控機床加工過程是按預先編制好的零件加工程序自動進行的,不隨實際加工狀況變化而變化。但實際加工現場,通常存在許多變量直接或間接地影響加工精度,如工件毛壞、余量及其誤差等。為提高數控機床的加工精度,有必要為其配備在線測量裝置。
在高精度的數控機床上,可以使用光柵作為位置檢測裝置的敏感元件。光柵輸出信號為數字量,數據不受溫度、時間的影響,抗十擾能力強,它是一種定值式傳感器,測量精度取決于光柵刻線的準確性,能夠動態而高精度地測量直線位移,還可以測量角位移,是一種比較理想的測量工具。
本文介紹的基于AT89S51的數控機床光柵尺位移測量系統,以單片機為核心,以光柵尺為敏感元件,結構簡單、工作可靠、體積小、制作成本低。該測量系統適用于測量數控機床加工過程中的直線位移和角位移,可以和CNC系統組成閉環控系統。
2 光柵尺位移測量工作原理
光柵是由光源、透鏡、主光柵、標尺光柵和光電元件組成如圖1。當主光柵和標尺光柵旱一很小的e角相對傾斜重疊放置時,造成兩光柵尺上的線紋交叉。在光源的照射下,交叉點附近的小區域內黑線重疊形成明暗相間的莫爾條紋與光柵線紋幾乎成垂直方向排列。當標尺光柵相對主光柵沿垂直刻線移動時,莫爾條紋跟隨其移動。莫爾條紋的光強度近似旱正(余)弦曲線變化,經光電元件所感應的光電流變化規律近似為正(余)弦曲線。經放大、整形,形成脈沖。光柵輸出信弓一般為兩路相角相差90°方波,因此可以通過記錄這兩路方波的個數來測量位移的方向和大小。

圖1光柵工作原理圖
3 光柵尺位移的辨向原理
大部分被測物體的移動往往不是中一向的,既有正向運動,也有反向運動。而光柵輸出信號為兩路相位相差90°的方波信號,不能直接辨別物體的運動的方向。可以通過設計硬件辨向電路來識辨物體的運動方向。辨向電路原理如圖2所示。

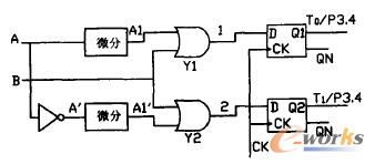
圖2辨向電路原理圖
將光柵尺輸出相位相差90°的A, B兩路方波信弓,送到辨向電路中去處理o A經反相后得到方波o A和A·經RC微分電路后得到兩組光脈沖信5 A1和A1’分別加到與門Y1和Y2的輸入端。假使當主光柵向左移動時光柵輸出波形如圖3所示,對于與門Y1,由于A1處于高電平時B總是低電平,故脈沖被阻塞Y1無輸出。對與門Y2, A1'處于高電平時,B也正處于高電平,故允許脈沖通過,并觸發D觸發器使之置“1”。T1計數器對與門Y2輸出的脈沖進行計數。同理,當主光柵反向移動時,與門Y2阻塞,Y1輸出脈沖信弓使D觸發器置“1 ”, AT89S51計數器TO對與門Y1輸出的脈沖進行計數。這樣每當光柵移動一個柵距時,辨向電路只輸出一個脈沖,AT89S51計數器T0和T1所計之脈沖數之差代表光柵位移Xo若脈沖當量為以,則位移為:

圖3光柵向左移動時辨向電路各點波形
X=(T0-T1)*d(1)
其中T0, T1分別表示計數器T0, T1計數值。



也就是說在信寫A有效的時間內可以準確檢測到信寫B是高或低電平。
4 光柵位移測量系統的硬件實現
該位移測量系統采用COP-42-5光柵尺采集位移信寫,光柵輸出信寫為TTL電平。處理采集信寫芯片選用Atmel的AT89S51,89551芯片支持ISP在線編程功能,內部具有兩個16位的定時器/計數器。鍵盤和顯示部分木文采用了煒煌公司設計的、具有SPI串行接II功能且可同時驅動8位共陰式數碼昔的智能撤示驅動芯片WH8280。WH8280內部含有譯碼器,可直接接受16進制碼或BCD碼,并同時具有2種譯碼方式,可段守址。WH8280具有片選信寫,可方便地實現多于8位的撤示或多于64鍵的鍵盤接口。串行接口無需外圍元件可直接驅動LED, 64鍵鍵盤控制器內含去抖動電路。
(1)硬件電路設計
數控機床光柵位移測量系統硬件主要有光柵辨向電路、AT89S51中一片機、WH8280鍵盤和數碼答電路組成。辨向電路圖如圖3。位移測量系統原理框圖如圖6所示。

圖6 光柵尺位移測量系統的原理框圖
(2)工作過程
COP-42-5光柵尺輸出兩路相角相差900的位移采集信號,經辨向電路得到一方波信號和一光脈沖信號,由于辨向電路輸出的信弓是TTL電平,可將方波信弓和光脈沖信號分別接入AT89S51的T0和T1進行計數。WH8280采用串行方式與微處理器通訊,串行數據從DATA引腳送入芯片,并與CLK端同步。當片選信號CS變為低電平后,DATA引腳上的數據在CLK引腳的上升沿被寫入WH8280的緩沖寄存器,即單片機得到采集數據通過WH8280送數碼答顯示。
COP-42-5光柵尺分辨率為10}vm}即 100脈沖/mm(脈沖當量為0.01mm,以直線位移為例,若測量長度為20cm,則總共有20x10x100=2x104個脈沖,因此計數器工作與方式。即可。經實驗測量誤差不超過±10μm。
5 軟件設計實現
本文利用Keil C51集成開發環境開發設計光柵尺位移測量系統軟件。Neil C51是美國Keil Software公司出品的51系列兼容單片機C語言軟件71=發系統,Keil C51軟件提供豐富的庫函數和功能強大的集成71=發調試工具,全Windows界面,便于編成和調試。光柵測位移泉示程序主要包括讀計數器T0, T1程序、泉示數據程序以及T0或T1溢出中斷子程序。其中讀取T0和T1的數據之差值后還需將其轉換為萬、千、百、十、個位數,以便LED按位泉示。將讀取T0和T1的數據之差值存入30H。轉換30H數據思想:30H-10000夠減X次,則萬位為X;差值-1000夠減Y次,則千位為Y;差值-100夠減Z次,則百位為Z;差值-10夠減U次,則十位為U;差值為個位。關于小數點的控制,以直線位移為例,測量長度為200mm脈沖當量為0.01mm,若以毫米為顯示示單位則測量顯示數據有兩位小數,因此可將小數點固定泉示。根據WH8280指令,令小數點控制位第二位點亮即可。WH8280指令中,位DP為小數點.Iv示位。DP=1,顯示小數點;DP=0,則不顯示。本文僅給出程序流程圖如圖7所示。

圖4 光柵測位移顯示程序流程圖
6 結論
本測量系統的電路設計合理,結構簡單,工作穩定、可靠,成本低,抗十擾能力強。由于光柵尺本身的分辨率可達10μm甚至0.1μm,已滿足加工要求,本測量系統沒有對光柵尺進行細分。該系統主要為高精密數控機床測量泉示而設計,也適用于一般要求的泉示測量位移的工作場合。該測量系統裝置已在實驗室SINUMERIK 802D數控機床上調試成功,且目前運行情況良好。
核心關注:拓步ERP系統平臺是覆蓋了眾多的業務領域、行業應用,蘊涵了豐富的ERP管理思想,集成了ERP軟件業務管理理念,功能涉及供應鏈、成本、制造、CRM、HR等眾多業務領域的管理,全面涵蓋了企業關注ERP管理系統的核心領域,是眾多中小企業信息化建設首選的ERP管理軟件信賴品牌。
轉載請注明出處:拓步ERP資訊網http://m.sdyuan.com/
























