0 引言
在自動化生產、加工和控制過程中,經常要對加工工件的尺寸或機械設備移動的距離進行準確定位控制。這種定位控制僅僅要求控制對象按指令進入指定的位置,對運動的速度無特殊要求,例如生產過程中的點位控制(比較典型的如臥式鏜床、坐標鏜床、數控機床等在切削加工前刀具的定位),倉儲系統中對傳送帶的定位控制,機械手的軸定位控制等等。在定位控制系統中常使用交流異步電機或步進電機等伺服電機作為驅動或控制元件。實現定位控制的關鍵則是對伺服電機的控制。由于可編程控制器(PLC)是專為在工業環境下應用而設計的一種工業控制計算機,具有抗干擾能力強、可靠性極高、體積小等顯著優點,是實現機電一體化的理想控制裝置。本文旨在闡述利用PLC控制伺服電機實現準確定位的方法,介紹控制系統在設計與實施中需要認識與解決的若干問題,給出了控制系統參考方案及軟硬件結構的設計思路,對于工業生產中定位控制的實現具有較高的實用與參考價值。
1 利用PLC的高速計數器指令和旋轉編碼器控制三相交流異步電機實現的準確定位
1.1 系統工作原理
PLC的高速計數器指令和編碼器的配合使用,在現代工業生產自動控制中可實現精確定位和測量長度。目前,大多數PLC都具有高速計數器功能,例如西門子S7-200系列CPU226型PLC有6個高速計數器。高速計數器可以對脈寬小于PLC主機掃描周期的高速脈沖準確計數,不需要增加特殊功能單元就可以處理頻率高達幾十或上百kHz的脈沖信號。旋轉編碼器則可以將電動機軸上的角位移轉換成脈沖值。
利用PLC的高速計數器指令和編碼器控制三相交流異步電機實現的準確定位控制系統,其原理是通過與電動機同軸相連的光電旋轉編碼器將電機角位移轉換成脈沖值,經由PLC的高速計數器來統計編碼器發出的脈沖個數,從而實現定位控制。
1.2 設計與實施
以對傳輸帶的定位控制設計為例加以說明,F需要用傳輸帶運送貨物,從貨物運送起點到指定位置(終點)的距離為10 cm,F要求當傳輸帶上的貨物運行10cm后,傳輸帶電機停止運行。該系統硬件設置主要包括西門子S7-200CPU226型PLC、傳輸帶電機(三相交流異步電機)、0MRON的E6A2-CW5w擾電旋轉編碼器、松下VFO系列BFV00042GK變頻器等。該系統的工作原理是將光電編碼器的機械軸和傳動輥(由三相交流異步電機拖動)同軸相連,通過傳動輥帶動光電編碼器機械軸轉動,輸出脈沖信號,利用PLC的高速計數器指令對編碼器產生的脈沖(采用A相脈沖)個數進行計數,當高速計數器的當前值等于預置值時產生中斷,經變頻器控制電動機停止運行,從而實現傳輸帶運行距離的準確定位控制。很顯然,該控制系統中實現準確定位控制的關鍵是對PLC的高速計數器的預置值進行設置,高速計數器的預置值即為傳輸帶運行10 Cm時光電編碼器產生的脈沖數。該脈沖數值與傳輸帶運行距離、光電編碼器的每轉脈沖數以及傳動輥直徑等參數有關。該脈沖數可以通過實驗測量也可通過計算得出。計算得出傳輸帶運行10 cm對應的脈沖數為:
脈沖數=[(傳動輥直徑(mm)×π÷(脈沖數/轉)]×傳送帶運行距離(mm)
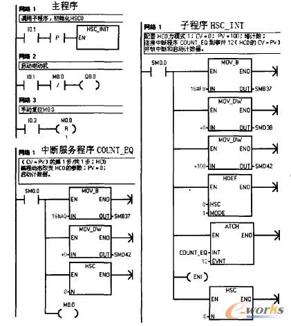
該系統通過計算得出脈沖數為100,則高速計數器的預置值即為100。參考程序如圖1所示。

圖1參考程序
在子程序中,將高速計數器HSCO設置為模式1,即單路脈沖輸入內部方向控制的增/減計數器。無啟動輸入,使用復位輸入。系統開始運行時,調用子程序HSC_INIT,其目的是初始化HSCO,將其控制字節SMB37數據設置為16#F8,對高速計數器寫入當前值和預置值,同時通過中斷連接指令ATCH將中斷事件12(即高速計數器的當前值等于預置值中斷)和中斷服務程序COUNT—EQ連接起來,并執行ENI指令,全局開中斷。當高速計數器的當前值等于預置值時,執行中斷服務程序,將SMD42的值清零,再次執行HSC指令重新對高速計數器寫入當前值和預置值,同時使M0.0置位,電動機停止運行。
2 利用PLC的高速脈沖指令控制步進電機實現準確定位
2.1 系統工作原理
步進電機因其具有結構簡單、控制方便、轉動慣量低、定位精度高、無累積誤差和成本低廉等優點而成為工業控制的主要執行元件,尤其是在精確定位場合中得到廣泛應用。在工業生產中,步進電機和生產機械的連接有很多種,常見的一種是步進電機和絲杠連接,將步進電機的旋轉運動轉變成工作臺面的直線運動。當需要對工作臺面移動距離進行定位控制時,只需要控制步進電機的轉速和角位移大小即可。在非超載的情況下,步進電機的轉速和角位移只取決于脈沖信號的頻率和脈沖數。它輸出的角位移與輸入的脈沖數成正比,轉速與脈沖頻率成正比。改變繞組通電的相序,則可以實現步進電機反轉。
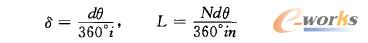
目前世界上主要的PLC廠家生產的PLC均有專門的高速脈沖輸出指令,可以很方便地和步進電機構成運動定位控制系統。由PLC高速脈沖指令控制步進電機實現準確定位的實質是PLC通過高速脈沖輸出指令PTO/PWM輸出高速脈沖信號,經步進電機脈沖細分驅動器控制步進電機的運行,從而推動工作臺移動到達指定的位置,實現準確定位。工作臺移動的距離與PLC脈沖數之間的關系為:

式中:N為PLC發出的控制脈沖的個數;卵為步進電機驅動器的脈沖細分數(如果步進電機驅動器有脈沖細分驅動);θ為步進電機的布距角,即步進電機每收到一個脈沖變化,軸所轉過的角度;d為絲杠的螺紋距,它決定了絲杠每轉過一圈,工作臺面前進的距離;艿為脈沖當量(定位精度);i為傳動速比;L為工作臺移動的距離。
顯然,利用PLC控制步進電機實現準確定位的關鍵是對PLC產生的脈沖數的設定。而脈沖數與脈沖當量、傳動速比、步進電機驅動器的細分數以及脈沖頻率等都有關。
2.2 設計與實施
以貨物倉儲系統中的對直線導軌的定位控制設計為例加以說明。在倉儲系統中,要求由步進電機拖動直線導軌將料塊送到指定的倉庫門口。假設從起點到終點的運送距離為100 mm,即要求由步進電機帶動導軌作直線運動,定位距離為100 mm。為實現準確定位,系統采用西門子S7—200系列CPU226型PLC、四通57BYG250C混合式步進電機和森創SH-20403步進電機驅動器等設備。其中CPU226型PLC的CPU有兩個脈沖發生器,分別是Qo.0端子和Q0.1端子。這兩個端子均可輸出PTO/PWM高速脈沖信,脈沖頻率可達20 kHz。根據控制要求,系統擬采用高速脈沖串輸出PTO功能,PTO功能可輸出一定脈沖個數和占空比為50%的方波信號。輸出脈沖的周期以肚s或ms為增量單位。PTO功能允許多個脈沖串排隊輸出,從而形成流水線。流水線分為兩種:單段流水線和多段流水線。
為了消除電機的低頻振蕩,提高分辨率,采用了步進電機細分驅動器,驅動步距角為0.90/1.8。,脈沖細分數設定為4。為保證速度和定位精度要求,步進電機運行一般要經歷三個過程,即啟動加速、恒速運行和接近定位點時的減速運行。為了維護步進電機以及驅動設備,要求驅動脈沖頻率也線性增大,所以,本定位控制系統采用多管線操作,控制電機的運行過程。設直線導軌起始位置在A點,現欲從A點移至D點,其中AD=100 mm。定位精度只與步進電機脈沖當量有關,取脈沖當量為0.11 mm/脈沖,則需要900個脈沖完成定位。步進電機運行過程中,要從A點加速到B點后恒速運行,又從C點開始減速到D點完成定位過程,用200個脈沖完成升頻加速,500個脈沖恒速運行,200個脈沖完成降頻減速。如圖2所示。

圖2步進電機的運行過程
因此確定PTO為3段脈沖管線(AB,BC,CD)。設最大脈沖頻率為1 kHz,將16#Ao寫入控制字節SMB67,允許多段PTO脈沖輸出,時基為扯s級,建立3段脈沖的包絡表并對各段參數分別設置,給定段的周期增量按下式計算:.
給定段的周期增量=(該段結束時的周期值一該段初始的周期值)/該段脈沖數
包絡表結構如表1所示。

參考程序如圖3所示。

圖3參考程序
這種控制方式屬于對步進電機的一種開環控制,其優點是結構簡單、成本低、定位準確、易于實現等。
2.3 控制系統在設計與實施過程中的注意事項
(1)PLC類型的選擇。首先,PLC必須是可以輸出高速脈沖的晶體管輸出形式。其次,PLC輸出最高脈沖頻率大小必須滿足控制要求。
(2)步進電機脈沖細分驅動器的選擇及參數設置。
(3)步進電動機的選擇。首先考慮的是步進電動機的類型選擇,其次才是品種選擇,根據系統要求,確定步進電動機的電壓值、電流值以及有無定位轉矩和使用螺栓機構的定位裝置,從而就可以確定步進電動機的相數和拍數。在進行步進電動機的品種選擇時,要綜合考慮速比i、軸向力F、負載轉矩Ti、額定轉矩TN和運行頻率fy,以確定步進電機的具體規格和控制裝置。
(4)脈沖當量的計算。
3 利用PLC的其他方式實現的準確定位
3.1 利用PI。C的PID指令及軟、硬件配合實現準確定位
例如在氣缸精確定位控制系統中,由PLC、電磁閥、光柵尺、氣缸組成一個閉環控制系統。其中PLC作為控制運算中心,光柵尺作為檢測裝置檢測氣缸活塞移動量,并將檢測結果通過PLC的模擬量輸入端子反饋到PLC內部,與設定值比較,并進行PID調節,PID運算結果通過PLC的繼電器輸出接口驅動交流或直流電磁閥,由電磁閥的開關改變氣缸活塞移動的流量,使氣缸準確運動到目標位置,達到準確定位的目的。
3.2 利用PLC的EM253模塊實現的準確定位
EM253位控模塊是S7—200的特殊功能模塊,它能夠產生脈沖串,用于步進電機和伺服電機的速度和位置開環控制。它與S7—200系列PLC通過擴展的I/O總線通訊。它帶有八個數字輸出,在I/O的組態中作為智能模塊,可提供單軸、開環移動控制所需要的功能和性能。提供高速控制,12~200 000脈沖/s。STEP7 Micro/WIN為位置控制模塊的組態和編程提供了位置EM253的運動參數、運動軌跡包絡等。
4 結語
實踐證明,本文提出的由PLC、旋轉編碼器、伺服電機等組成的準確定位控制系統具有結構簡單、性價比高、易于實現等優點,可廣泛地應用于工業生產及軍事領域。如板材的精確定長切割、軍用雷達定位系統,絲網印刷機停機控制、以及在數控機床、物料計量、送膜包裝等用異步電機或步進電機實現的定位控制領域有一定的實用和參考價值。
核心關注:拓步ERP系統平臺是覆蓋了眾多的業務領域、行業應用,蘊涵了豐富的ERP管理思想,集成了ERP軟件業務管理理念,功能涉及供應鏈、成本、制造、CRM、HR等眾多業務領域的管理,全面涵蓋了企業關注ERP管理系統的核心領域,是眾多中小企業信息化建設首選的ERP管理軟件信賴品牌。
轉載請注明出處:拓步ERP資訊網http://m.sdyuan.com/
本文標題:PLC在準確定位控制系統中的應用
























