1 引言
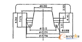
圖1所示是某輸液瓶橡膠塞,材質為丁基醫用橡膠。考慮到該產品市場需求量很大,且有密封性要求.采用模具壓制成型,且一模多腔,例如某廠的該產品模具結構為1模196腔。這類模具型腔不僅尺寸精度要求高,且同一模中各型腔成型的瓶塞必須有較好的一致性。該模具對使用壽命有較高的要求,采用模具鋼(如T8A、T100A或C等)制造,淬火處理。從圖1可以看出。該瓶塞的上端面上有花紋圖案。

圖1橡膠塞
2 橡膠塞成型工藝
為提高瓶塞的質量,一般采取抽真空壓制成型,一模多腔,各瓶塞之間有一層薄薄的橡膠將所有的膠塞連成整塊,使得脫模方便。其生產流程為:生膠混煉→稱重配料→模壓成型→沖裁落料(成品)。
瓶塞的壓制成型模具采用一模多腔結構,型腔復雜,尺寸精度要求較高,有一定互換性要求,故型腔一般采用鑲拼結構。圖2所示是一對型腔塊合模狀態下的工作斷面圖,合模時,上、下型腔塊并沒有完全接觸,這樣各型腔成型的瓶塞就連接成為一個整塊脫模。這種設計對多型腔、小尺寸的橡膠件成型是非常適合的。

3 型腔鑲件加工工藝分析
1副模具型腔由2個鑲件組成(鑲件材質為T8A)。根據實際的生產經驗,橡膠塞收縮率在1%~1.5%,鑲件型腔尺寸公差要求控制在±(0.01~0.02)mm考慮到尺寸精度以及各型腔尺寸一致性的要求及成型面為回轉體表面的特點。決定采用數控車削為主的加工方法。
上型腔結構并不復雜。只是多了一個花紋圖案。圖案采用數控雕刻機床高速銑削雕刻加工而成,刀具可直接購買專用的單刃雕刻刀,數控雕銑機床的轉速都在萬轉以上,可保證雕刻刀具前端小直徑處刀刃仍然具有較高的切削速度。基于以上考慮,上型腔塊的加工工藝為:粗車外圓和端面→車型腔(含端面)→精車外圓→型腔拋光→切斷→掉頭車端面、倒角→鉆孔、攻絲→花紋雕刻加工→熱處理→磨外圓(無心磨)→型腔噴砂(可待裝配到模座上再整體噴砂)。
該模具下型腔塊的加工較困難,圖3所示是下型腔塊局部結構,從圖3可以看出,下型腔塊底部為一個R0.808mm的圓環面,即切槽刀具的寬度必須小于1.6mm。若刀具用R0.8mm刀尖和1.6m寬的切刀加工,在切至底部時相當于寬刀切削,刀具振動大,甚至打斷刀具。實際采用1.1 mn寬的切刀,兩刀尖磨出R0.5m的圓弧,即接近R0.55m的圓弧切刀,這樣保證了在理論上刀尖與輪廓線是點接觸,切削寬度盡可能小。由于刀具太窄,刀具的強度較差,合理選擇切削用量和刀具切削路徑就顯得很重要。數控加工可以方便、準確控制切削用量和刀具路徑,是型腔加工較佳的加工方式。下型腔塊端面不等高,且兩端面是型腔的組成部分,側壁上的一個小三角槽單獨用一把成型刀具進行切削。基于以上考慮,下型腔塊的加工工藝為:粗車外圓和端面→車型腔(含端面)→精車外圓→型腔拋光→切斷→掉頭車端面、倒角→鉆孔、攻絲→熱處理→磨外圓(無心磨)→型腔噴砂(可待裝配到模座上再整體噴砂)。

圖3下型腔塊局部結構
圖4所示是橡膠塞成品、下型腔塊挖槽刀具和型腔塊零件的實物圖片,其中的下型腔塊還用線切割從中部剖切,便于尺寸的檢測。

圖4橡膠塞成品、下型腔挖槽刀具和型腔塊零件
4 型腔數控加工中的幾個問題
4.1 加工設備的選用
加工設備采用CKA6150臥式數控車床(FANUC Series 0iMate-TC數控系統)和SKDK5060型數控雕銑機,刀具為8mm×8mm斷面的W18Cr4V手工刃磨的刀頭和專用的雕銑刀具,采用l、如MasterCAMX2編程軟件、V24程序傳輸軟件和Am鋤編程軟件。
4.2 程序處理和程序傳輸
由于型腔塊加工程序較復雜,且吃刀量不能太大。走刀次數較多,手工編程不方便。采用MasterCAM編程軟件自動編程,工件坐標系(原點)建立在毛坯右端面上。
一個完整的數控程序由三部分組成,即準備程序段、加工程序段和結束程序段。用^自st臼Q吣哩軟件自動生成的數控程序往往還要根據實際情況進行適當的處理,主要是修改程序前面的準備程序段和后面的結束程序段部分。
MasterCAM軟件自動生成的上型腔塊加工程序為:
自動生成程序的分析與修改:
(1)程序名稱C10000可根據數控系統里已存在的程序進行修改.不能重復,如CIol00。
(2)前面括號中的文字說明可以刪除。
(3)N107之前的程序為準備程序段。其中的G21、G18、G仞、G弱、G99可認為是程序的初始化,國內數控機床的數控系統一般都是上述的默認設置,為了閱讀程序的方便,可以刪除。
(4)N104段中的C融是工件坐標系設定指令。工件坐標系的建立即通常所說的對刀。數控車床的對刀方式有3種:即鯽、G54~G59和刀具偏置量直接輸入。由于模具制造屬小批量生產。考慮到操作者的習慣。采用刀具偏置量直接輸入方式建立坐標系,工件坐標系建在零件的端面上。故程序中的G54指令可以刪除,刀具偏移量要輸入到刀具指令中后兩位數值指定的刀具補償寄存器中。具在機床刀架上的安裝刀位、所用刀具補償寄存器號和數控系統的T指令格式改寫。其前兩位為刀具號,后兩位為刀具補償號,如1D101。
(5)N101段的刀具選用指令n818要按實際刀
(6)N105段的G50 S3600可以刪除,因為采用的是機床數控系統默認的G9r7恒表面速度控制取消.即主軸轉速是恒轉速旋轉,不容易出現轉速過高。S指令中的數值單位是r/min。
(7)將N103段中的MD3指令和N106段中的S指令合并為—個程序段,如s600 MD3。
(8)N104段中的MD8是冷卻液開指令,若加工時是由人工控制冷卻液開、關,則這條指令可以取消。注意MD8還有一條成對的M09冷卻液關指令(在N343段)要一并刪除。
(9)N344段的G28指令是刀具返回參考點指令,可根據個人的習慣保留、刪除或改為一段G加快速退出程序。MD5是主軸停轉指令,實際上M30包含該動作,故可刪除。
(10)N345段中的n800是與前面的n818對應的,用于取消刀具補償。如果前面改為1D101,則對應的指令應該為仰100。
修改優化后的程序為:
說明:
(1)由于采用刀具偏置量直接輸入建立工件坐標系,故程序執行到N101 G0 1U101時即建立起了工件坐標系。
(2)Nlar7段中的F.1可根據實際情況設置,并配合進給倍率修調旋鈕控制實際的進給速度。
(3)N103段中的S600也應該根據實際試切情況確定,當然主軸倍率也能夠適當調節主軸轉速。數控加工程序輸入方式有手工直接輸入、存儲卡輸入和I/O口數據通信傳輸,I/O口數據傳輸一般利用數控系統上的的RS232接口,可直接傳輸或在線加工。由于數控車削加工的程序都不大.下型腔加工程序也才10K(600多段)多一點,采取I毯援!接口利用V24軟件通過計算機與CNC的數據通信完成數控加工程序的輸入,這種程序輸入方式效率高,不容易出錯,勞動強度低。
4.3 數控加工刀具路徑和切削用量的確定
4.3.1 上型腔塊加工
上型腔塊的型腔加工主要包括型腔面加工和花紋雕刻加工。
圖5所示為上型腔面加工的刀具路徑圖,圖中刀具左上角是刀位點。加工采取挖槽粗加工與輪廓精加工相結合的方式,用一把刀具一次裝夾完成。刀具以切槽刀為主。刀具寬度4 mm考慮到輪廓精加工的需要,主切削刃磨了1個10°左右的主偏角。

圖5上型腔面加工刀具路徑
挖切槽從1點開始逐步向兩側擴展,直至11點處。粗切量為刀具寬度的60%。深度方向采取分層切削,每次切削深度0.5nm共切削了6層。在輪廓處沿輪廓線留出0.2nm精加工余量,精加工從外側按①-②-③-④-⑤的順序沿輪廓線精車加工。編程時注意,外側輪廓線要延伸超出外圓,內輪廓線要縮短,保證刀尖不能超出零件中心線,‘否則,很容易在刀尖處崩刃。圖5中的進、退刀軌跡在程序修改后會有所變化,進刀軌跡取決于刀具加工前的實際位置。退刀軌跡通過結束程序段的修改確定。主軸轉速初步定為600浙血,進給量初定為0.1mn/r,這2個參數在加工時。特別是開始試切程序時要適當減小,然后再逐步加大,找出最佳的參數。
上型腔的型腔面上的花紋采用數控雕銑加工,刀具為單刃球頭銑刀,球頭半徑R0.2mm,用Artcam7.0軟件,沿花紋中心線矢量加工。其加工軌跡如圖6所示。

圖6上型腔面加工軌跡
4.3.2 下型腔塊加工
下型腔塊加工是模具加工難度最大的部分,有關加工工藝分析前面已談到,這里介紹其數控加工部分。
圖7所示是下型腔面數控加工刀具路徑.雙點劃線是零件輪廓,刀具左上角是刀位點。同上型腔面一樣采取挖槽粗加工與輪廓精加工相結合的方式,用一把刀具一次裝夾完成,刀具寬度1.1mm,刀尖圓弧半徑為R0.5眥lo外側輪廓線要延伸超出外圓,內輪廓線要縮短,保證刀尖不能超出零件中心線。圖7所示的刀具軌跡是:挖槽從1點開始逐步向兩側擴展,并沿輪廓線平滑切削。留出精加工余量0.2mm,粗切量為刀具寬度的60%。深度方向采取分層切削,每次切削深度0.3mm。粗加工完成后再從2點開始沿輪廓精加工型腔面。

圖7下型腔面加工刀具路徑
5 結束語
輸液瓶橡膠塞應用廣泛,市場需求量大,其成型模具的型腔鑲件具有尺寸小,形狀復雜,尺寸精度要求高等特點,上述數控加工型腔鑲件的方法,對同類其他醫用膠塞的加工具有一定的參考。加工采用W18巳Ⅳ材料的刀具,刀具耐用度顯得不足,同時切削速度等切削參量的提高受到了限制,如何提高加工效率是今后要努力的方向。
核心關注:拓步ERP系統平臺是覆蓋了眾多的業務領域、行業應用,蘊涵了豐富的ERP管理思想,集成了ERP軟件業務管理理念,功能涉及供應鏈、成本、制造、CRM、HR等眾多業務領域的管理,全面涵蓋了企業關注ERP管理系統的核心領域,是眾多中小企業信息化建設首選的ERP管理軟件信賴品牌。
轉載請注明出處:拓步ERP資訊網http://m.sdyuan.com/
本文標題:數控技術在橡膠塞成型模型腔鑲件加工應用
























