0 引言
eCAN模塊是一種片上增強型控制器,其性能較之已有的DSP內嵌CAN控制器有較大的提高,而且數據傳輸更加靈活方便,數據量更大、可靠性更高、功能更加完備。隨著TMS320F2812的大量推廣使用,基于DSP的CAN總線通信方式將得到廣泛的應用。
1 eCAN模塊的增強特性
eCAN模塊是TI公司的新一代32位高級CAN控制器,它完全兼容CAN2.0B協議,可以在有干擾的環境里使用上述協議與其它控制器串行通信。該模塊除具有一般DSP內嵌CAN控制器的所有功能外,與TMS320F2812系列DSP的CAN模塊相比,它還主要具有如下一些增強特性:
(1)增加了郵箱數量,并且所有郵箱都具有獨立的接收屏蔽寄存器。TMS320F2812有多達32個郵箱,其所占用的512字節RAM都可以配置為發送或接收郵箱,且都有一個可編程的接收屏蔽寄存器。因而其數據傳輸更加方便靈活、信息量大大增加;
(2)eCAN是一個32位的高級CAN控制器。其控制寄存器的狀態寄存器必須以32位方式訪問,而接收屏蔽、時間標識寄存器、超時寄存器和郵箱所在的CAN范圍則可以以8位、16位和32位方式訪問;
(3)時間標識。eCAN模塊應用一個全速運行的32位定時器(LNT)來獲得接收或者發送一個信息(有效的CAN數據幀)的時間。當一個接收信息被保存或被發送時,定時器的內容將寫入到相應郵箱的時間標識寄存器(MOTS)里。這樣就可獲得接收或發送一個信息的時間。當郵箱成功發送或接收一個信息時,LNT寄存器被清除。所以可以通過使用郵箱來實現網絡的全局時間同步;
(4)超時功能。為了確定所有的信息都能在預定的時間里送出或接收,每個郵箱都有它自己的超時寄存器(MOTS)。如果一個信息沒有在超時寄存器設定的時間內完成發送或接收,其超時狀態寄存器里將設置一個標志位,并據此判斷是否超時。
以上這些增強特性使得TMS320F2812在進行CAN通信時,其數據傳輸更加方便靈活、數據量更大、功能更完備。
2 應用設計
針對TI公司的TMS320F2812內嵌的eCAN模塊的方便性和實用性,可用TMS320F2812微控制器組成一個CAN總線網絡來進行實時數據收發。其中CAN驅動器使用TI公司的SN65HVD230D。此方案可擴展性強,功能強大。若要增加節點個數,只需要在CAN總線上掛接帶有CAN模塊的控制器即可。
在TM320F2812的eCAN模塊與USB-CAN模塊之間進行通信時,上位機可選用派恩公司的USB-CAN模塊,其調試界面為PCANView。這里將eCAN的郵箱0配置成發送郵箱,郵箱5配置成發送郵箱,并采用擴展信息幀格式。發送采用查詢方式,接收用中斷方式,同時可采用DsP將接收的數據轉發回上位機,并對接收和發送的數據進行錯誤計數。圖1所示為采用上位機設置端口、波特率等參數,并通過USB-CAN模塊與下位機通信的調試界面圖,它可用來檢驗TM320F2812的CAN總線通信是否正常。

圖1 調試界面
3 硬件設計
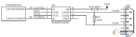
本設計的硬件系統分為兩層:第一層是CAN總線與TMS320F12812接口層,用來實現CAN總線和TMS320F12812的物理接口;第二層為DSP與外圍器件的信息處理層,其中TMS320F2812是針對控制領域應用而設計的一款新型工控芯片,它集成了數字IO、事件管理器、A/D模數轉換、SPI串行外設接口、SCI異步串行通信接口、CAN控制器等控制資源。其CAN總線通信接口電路如圖2所示。

圖2 CAN總線通行接口電路
4 軟件設計
在使用CAN控制器之前,首先必須對它的內部寄存器進行初始化設置,包括相關IO口設置以及郵箱的相關配置。這里著重介紹如何進行初始化設置和發送與接收的配置。圖3所示是本系統的主程序流程圖,其CAN配置流程如圖4所示。

圖3 主程序流程

圖4 CAN配置流程
在軟件設計時,首先應進行IO口配置。由于CAN通訊所用到的兩個引腳CANTX和CANRX均為復用IO口,因此,首先要配置寄存器CANTIOC的TXFUNC和RXFUNC位為l;再就是要初始化位時序,即對位時序配置寄存器CANBCR進行配置,包括CAN控制器的通訊波特率、同步跳轉寬度、采樣次數等參數。

圖5 CAN系統的發送和接收流程
當完成以上CAN配置之后,還需按照圖5所示的流程圖來完成數據的發送與接收配置,同時初始化郵箱。郵箱初始化主要是設置郵箱的標識符和控制域(即發送的是遠程幀還是數據幀),以及對相應的郵箱賦初值。
數據接收時,所接收到的信息的標識符必須與相應的接收郵箱的標識符相同,否則該信息將被濾除。這里,數據的發送與接收請求均采用標志位查詢方式。
按照以上步驟設置好后,接著就是對數據的發送與接收請求進行配置。數據接收可采用中斷方式,中斷配置可在主程序流程中進行配置。正確配置中斷入口地址及中斷函數,并開放CAN接收中斷后,還要分別配置不同的數據幀,包括標準幀和擴展幀,以及數據幀和遠程請求幀。
圖6表示為上位機接收數據的調試界面。可以看到,CAN通信和下位機間的數據通信,可以寫數據并發送給下位機,同時也可接收下位機的數據來驗證電路及軟件的正確性。

圖6 上位機發送和接收數據的調試界面
5 結束語
利用TMS320F2812內嵌的eCAN模塊可使得硬件電路設計更為簡單而可靠,而且性能也較已有的DSP內嵌的CAN控制器有較大的提高。同時,采用C語言編程,則可使得程序的設計難度降低,提高程序的可維護性并縮短開發時間。
核心關注:拓步ERP系統平臺是覆蓋了眾多的業務領域、行業應用,蘊涵了豐富的ERP管理思想,集成了ERP軟件業務管理理念,功能涉及供應鏈、成本、制造、CRM、HR等眾多業務領域的管理,全面涵蓋了企業關注ERP管理系統的核心領域,是眾多中小企業信息化建設首選的ERP管理軟件信賴品牌。
轉載請注明出處:拓步ERP資訊網http://m.sdyuan.com/
本文標題:基于DSP的CAN總線系統設計與實現
























