提高現代化工廠部門之間物料搬運和內部運輸的協調性,是實現生產全盤自動化的重要舉措。傳統物料運輸車具有設備復雜、功耗大、投資高、污染環境等缺點,其中有軌運輸車需鋪設專門軌道,若生產程序改變,需重新鋪設軌道,破壞路面,投資高;無軌運輸車包括叉車及手推運料小車,均需專人駕駛,勞動強度大,運輸效率低。
本設計采用光電檢測技術,以日本三菱公司生產的FX-2N可編程控制器為控制核心,通過編程實現智能控制。若生產工序改變,只需重新鋪設光軌便可以相應改變。是一種新型、高效、無污染的自動尋跡運輸車,無人駕駛、安全可靠、操作方便。可降低生產成本,提高生產效率。
1、系統總體方案
系統總體設計框圖如圖1所示,直流電機固定在運輸車底座下側,驅動后輪前進,步進電機控制前輪轉向,PLC作為控制系統中心,并與步進電機、直流電機及觸摸屏相連,得到速度、位置和障礙物信息同時輸出相應的控制命令到直流電機、電磁制動器及步進電機。觸摸屏作為操作界面,給用戶提供一個可視化的操作平臺。

圖1 系統總體設計框圖
系統設計可劃分為信號檢測部分和控制部分。其中,信號檢測部分包括軌道線檢測設計、障礙物檢測設計、速度檢測設計,控制部分包括驅動控制設計、制動控制設計、轉向控制設計。系統總體設計流程圖如圖2所示。

圖2 系統總體設計流程圖
運輸車循跡采取光電探測法的原理。在車體底部安裝3只光電傳感器,運輸車在地板上按照引導線自動運行時不斷地向地面發射紅外光。由于光電管對不同顏色的物體表面具有不同的反射性質的特點:當紅外光遇到綠色引導線時發生漫反射,反射光被裝在運輸車上的接收管接收,輸出為低電平;如果遇到其他顏色則紅外光被吸收,輸出為高電平?删幊炭刂破鞅憧筛鶕3只光電傳感器的狀態編碼為依據來確定引導線的位置和運輸車的行走路線閉。運輸車自動尋跡的位置狀態編碼如圖3所示。

圖3 運輸車位置狀態編碼圖
2、系統硬件設計
2.1轉向及驅動控制電路設計
本設計運輸車載重不超過70kg,對電機的負載能力有一定的要求,由于直流減速電機轉動力矩大,可以產生較大轉矩,因此選擇xM4—10125A型直流減速電機作為該系統的驅動電機,該電機自帶一個小鏈輪,齒數z1為9,選取大鏈輪齒數z2為19,所以傳動比i為:

式中:n為直流電機輸出轉速,4r,s;d為運輸車驅動輪直徑,14cm。
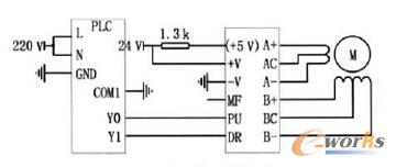
驅動電機連接電路圖如圖4所示。電機通電后經鏈條傳動使驅動輪轉動。本設計將PLC輸出端Y2與兩相繼電器J5相連,當Y2低電平時,J5活動觸點KM與觸點l連接,電機正轉;反之Y2高電平時,J5活動觸點KM與觸點2連接,電機反轉。電機驅動器(CT一30lA9)通過J5連接電機,調整ADJ端子參數可以改變電機轉速,檢測到的路況輸入信號,經過PLC控制單元進行計算并按結果的要求輸出控制信號到Y2端,控制電機的正反轉,從而實現運輸車的前進、后退。

圖4 驅動電機鏈接電路圖
如圖5所示,PLC輸出端Yo連接到步進電機驅動器的Pu(步進脈沖信號),Y1連接到DR(方向控制)。PLC根據傳感器檢測到的信號,進行程序控制,當運輸車偏離引導線時,Yo接通,步進電機開始工作(初始設置為右轉),當判斷需要左轉時,Y1接通,控制步進電機反方向轉動。

圖5 步進電機接線圖
2.2光電檢測電路設計
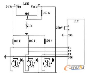
綜合各種光電檢測器件的性能及本設計的具體要求,采用RPR220型光電對管。其發射器是一個砷化鎵紅外發光二極管,而接收器是一個高靈敏度硅平面光電三極管。當發光二極管發出的光反射回來時,三極管導通輸出低電平。此光電對管調理電路簡單,工作性能穩定。
光電檢測電路如圖6所示。車體上的3個光電管對路徑信息進行檢測,將檢測到的信號送到PLC輸入端,從左至右記作:x1、x2、x3,當PLC檢測到的信號為低電平時,則紅外光被地上的綠色引導線反射,表明運輸車處在綠色引導線上;反之運輸車已經偏離軌道。光電傳感器的輸入電壓為5V,而整體設計中輸入模塊采用的電壓為24V。采用穩壓管LM317,調整電位器使其輸出電壓恒為5V,保證光電傳感器的正常工作。

圖6 光電檢測電路設計
2.3測速傳感器電路設計
本設計采用測速傳感器來獲取運輸車當前速度,其作用主要有:
1)監控運輸車速度變化,為彎道速度控制提供參考;
2)實現速度的閉環控制,增加運輸車穩定性。系統的主要控制對象是轉向輪和驅動輪。測速傳感器安裝于運輸車驅動輪附近,測速輪安裝在靠近運輸車驅動輪的軸上,測速輪上開有間隔均勻的30個小齒,即齒輪轉動一周,測速傳感器檢測到30個脈沖。當運輸車運行時,測速傳感器不斷輸出脈沖,其脈沖個數存放到PLC的內部寄存器中。測速傳感器電路設計如圖7所示。根據式(3)計算出驅動輪每分鐘轉動的轉數N,再結合驅動輪的直徑就可算出運輸車當前的運行速度V。

圖7 測速傳感器電路設計圖

式中:n為測速輪每一周測得脈沖數,n=30;D5為測速傳感器測速時段輸出脈沖個數;t為測速時段的計數時間,ms。
2.4速度控制電路設計
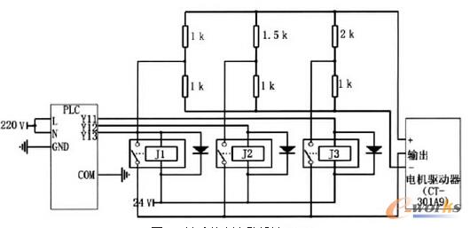
速度控制電路如圖8。由傳感器采集到的信號輸入到PLC上,經PLC處理后傳送到Y端,3個輸出端Y11、Y12、Y13通過繼電器J1、J2、J3分別連接不同的分壓電路,電阻值的不同使得所分電壓不同,同時電機驅動器(CT一301A9)輸出發生變化,從而控制電機轉速,實現速度控制。

圖8 速度控制電路設計
2.5避障電路設計
障礙物檢測電路設計如圖9所示。在運輸車的四周安裝有紅外光電傳感器,其檢測原理與路面檢測相似,當運輸車運行時,傳感器檢測到人或其他障礙物,輸出為低電平,通過輸入端傳送到PLC,進行數據處理,輸出報警信號,反之,輸出高電平。

圖9 障礙物檢測電路設計
2.6制動電路設計
制動電路設計如圖10所示。運輸車遇到障礙物或到站時,需要自動停止。停止由PLC編程控制,因此只需將輸出端Y4連接制動裝置即可。本設計由繼電器J4動作進而通過電感的吸合作用帶動繞在驅動輪上的皮帶控制運輸車的制動。

圖10 制動控制電路設計
3、系統軟件設計
運輸車的控制采用模塊化的結構,其基本思路是:將位置傳感器采集來的道路信息、速度傳感器采集來的速度信息和避障傳感器檢測到的障礙物信息經PLC處理,輸出PwM信號到舵機和驅動電機。方向控制和速度控制系統分別構成兩個閉環系統,兩者可相互影響,比如根據路徑識別的結果來控制速度,使得運輸車在彎道上慢速,而在直道上快速。軟件設計流程圖如圖11所示。

圖11 主程序流程圖
方向控制:運輸車舵機是由舵輪、機械結構、步進電機和控制電路組成的一個位置隨動系統。通過內部的位置反饋來實現舵輪輸出轉角正比于給定的控制信號。本設計將位置傳感器反饋的路面信息、測速傳感器測得的速度信息和避障傳感器檢測到的障礙物信息,經過PLC控制單元進行計算并按結果的控制要求向步進電機發出命令(PWM信號形式),通過對步進電機的正反轉控制來實現舵輪的正反轉,在脈寬改變時,使其自動變化到對應值。
速度控制:直流電機轉速的控制采用PWM(脈寬調制)調速方法。為進一步精確控制運輸車速度,還需要引入閉環速度控制。利用位置傳感器、速度傳感器和避障傳感器檢測到的實時信息與期望速度之間的比較來確定輸出到直流電機的PWM信號,從而確定加速或減速強度的大小。
4、結論
本系統采用PLC作為核心控制器,采用機電一體化設計,已完成了樣機制作,可實現物料的自動運輸,目前處于程序優化階段。相對于國內常見的軌道運輸系統,本系統體積較小、安裝方便,軌道鋪設簡單,根據生產工序粘貼軌道紙便可實現無人駕駛;生產工序改變時,無需重新鋪設鐵軌,不破壞路面,從而確保了自動運輸車的平穩運行。該系統基于光學引導的思路實現簡單,導向可靠,可以大幅度降低生產成本,有利于更加廣泛推廣和應用。該系統采用觸摸屏對自動尋跡運輸車進行控制,直接選擇屏幕上的菜單,便可操作運輸車。該系統配備了自動檢測、報警及避障裝置,更加安全可靠,大大減少了不安全事故的發生。
核心關注:拓步ERP系統平臺是覆蓋了眾多的業務領域、行業應用,蘊涵了豐富的ERP管理思想,集成了ERP軟件業務管理理念,功能涉及供應鏈、成本、制造、CRM、HR等眾多業務領域的管理,全面涵蓋了企業關注ERP管理系統的核心領域,是眾多中小企業信息化建設首選的ERP管理軟件信賴品牌。
轉載請注明出處:拓步ERP資訊網http://m.sdyuan.com/
本文標題:基于PLC控制系統的自動尋跡運輸車設計
























